- -
- 100%
- +

© М. А. Нсанов, 2024
ISBN 978-5-4493-1881-7
Создано в интеллектуальной издательской системе Ridero
Введение
Предлагаемый учебник по предмету «Цифровые устройства» для колледжей, которые готовят специалистов связи, разработал преподаватель Алматинского колледжа связи Нсанов Мурат Алиевич (в настоящее время – преподаватель Алматинского Государственного колледжа транспорта и коммуникаций).
Первый вариант учебника был издан в Республике Казахстан в 1997 году для колледжей связи. Но ввиду бурного развития цифровой микроэлектроники, очень малого тиража и высокого спроса автор был вынужден существенно переработать и расширить учебник.
Данный второй вариант учебника прошел рецензирование со стороны преподавателей и специалистов, все необходимые этапы согласования и утверждения, был подготовлен к печати, включен в план издания, но во время финансового кризиса 2007—2010 гг. издание было приостановлено. В 2010 г. был переведен и издан в Республике Казахстан на казахском языке. Сейчас учебник готовится к переизданию, но только на казахском языке.
Предлагаемая разновидность второго варианта учебника переработана исключительно для использования в электронном виде, так как содержит множество цветного графического материала.
Учебник может быть полезен не только студентам и преподавателям учебных заведений, которые готовят специалистов связи, но и студентам других отраслей, где используются устройства цифровой микроэлектроники.
***
Информатизация общества – одна из важнейших задач, стоящих перед нашей страной. Решение этой задачи невозможно без интенсивного развития средств передачи и обработки информации.
Процессы передачи и обработки информации целесообразно вести при дискретном характере их представления, так как цифровые методы обеспечивают меньшую зависимость качества передачи от расстояния между пользователями, большую гибкость и простоту организации обмена информацией, значительно большую точность и помехоустойчивость, простоту управления и легкость автоматизации. Поэтому в настоящее время любая современная техника связи: радио- и телевизионная, телефонная, телеграфная, аппаратура многоканальной связи, а также контрольная, измерительная и диагностирующая аппаратура в основном состоит из микросхем самых разнообразных цифровых устройств. Это приводит к острой необходимости базовой подготовки техников связи в области цифровых устройств, которая требуется при изучении, эксплуатации, ремонте и наладке аппаратуры связи. Именно изучению принципов построения и функционирования цифровых устройств, применяемых в технике связи, и посвящен данный учебник.
Предмет содержит четыре раздела: первый раздел знакомит учащихся с основными понятиями и элементной базой цифровой техники, во втором разделе изучаются принципы построения и функционирования цифровых устройств, в третьем и четвертом – цифровые устройства соответственно комбинационного (шифраторы и дешифраторы, мультиплексоры и демультиплексоры, преобразователи кодов, сумматоры, субтракторы, компараторы, АЛУ, устройства и узлы контроля) и последовательностного (интегральные триггеры, регистры и регистровые файлы, счетчики, распределители, запоминающие устройства) типа.
Каждую тему обязательно следует сопровождать проведением практических занятий и (или) лабораторных работ (Сборник лабораторных работ тоже размещен в Интернете) для закрепления полученных знаний, а также для получения практических умений и навыков работы с цифровыми микросхемами. Эту же цель преследует и курсовое проектирование, предусмотренное в программе предмета и учебных планах. Хотя база примеров учебника дается в основном на микросхемах российской серии КР1533 с указанием функциональных аналогов американской фирмы «Texas Instruments» и некоторых других фирм, любой колледж сравнительно легко может адаптировать излагаемый материал для проведения практических занятий и лабораторных работ к имеющейся у него материально-технической базе.
Небольшая часть учебника, отмеченная знаками «***» и напечатанная более мелким шрифтом, содержит достаточно важные в современных условиях, но пока не включенные в программу предмета темы ко времени работы над книгой из-за недостатка времени по учебным планам. Они здесь даются для расширения и углубления знаний учащихся.
***
Специалисты любого направления деятельности сталкиваются с различными действующими в мире стандартами, что представляет определенные трудности при эксплуатации оборудования производства различных стран и фирм. Это в полной мере относится к условным графическим обозначениям элементов и устройств цифровой техники. Здесь действуют стандарты ISO (Международная организация по стандартизации), CEN (Европейский комитет по стандартизации), IEC (Международная электротехническая комиссия), CENELEC (Европейский комитет по электротехническим стандартам) и др., а также стандарты различных стран: ГОСТ (Российская Федерация, Республика Казахстан и некоторые другие страны), DIN (Германия), BS (Великобритания), AFNOR (Франция), JIS (Япония), KOR (Республика Корея), стандарты США – ANSI (Американский национальный институт стандартизации), EIA (Альянс отраслей электронной промышленности), IEEE (Институт инженеров по электротехнике и электронике) и т. д.
Поэтому в данной книге указаны стандарты изображения элементов и устройств цифровой микроэлектроники в соответствии со стандартами РФ, РК и др. (условно названы «восточные») а также в соответствии со стандартами США, Республики Корея, Германии и др. (условно названные «западные»).
С глубокой признательностью автор примет любые замечания, предложения и поправки специалистов, коллег-преподавателей и студентов, которые будут полезны при переработке данной книги в процессе дальнейшего развития цифровой техники.
Если появятся какие-либо вопросы к автору, то можно непосредственно связаться с ним по адресу электронной почты: murat.nsanov@gmail.com.
Как сказано в аннотации, автор рекомендует использовать формат fb2 и читалку CoolReader. При этом для наиболее удобного чтения желательно установить черный шрифт на белом фоне. На взгляд автора лучше использовать шрифт Times New Roman размером 18. Обязательно нужно отключить переносы: при настройке в позиции «Текст» – «Переносы» выбрать «Disable hyphenation».
Каждый читатель устанавливает в читалках наиболее удобные ему параметры книги, поэтому ни автор, ни издательство не может убрать пустые места и ликвидировать некоторые другие недостатки, зависящие от установленных параметров.
Раздел 1. Логические элементы
1.1. Общие сведения о цифровых сигналах и цифровых устройствах
В современных цифровых устройствах (ЦУ) мы имеем дело лишь с двумя видами сигналов: логического 0 и логической 1. Эти цифровые сигналы обычно представляются в потенциальной форме с положительной логикой сигналов, когда сигналу логического 0 соответствует положительное постоянное напряжение низкого уровня, а сигналу логической 1 – положительное постоянное напряжение более высокого уровня. Например, для микросхем серии КР1533 сигналу логического нуля соответствует напряжение не более +0,8 В, а сигналу логической 1 – напряжение не менее +2 В. В дальнейшем никогда не следует забывать о физическом смысле цифровых сигналов логического 0 и логической 1: это постоянное напряжение разной величины!
Любая информация в ЦУ может быть представлена совокупностью определенного количества сигналов логического 0 и логической 1 в двух формах:
– Последовательной, когда в одной цепи идет последовательное чередование сигналов через равные тактовые временные интервалы Т. Например так, как показано на рис. 1.1.

– Параллельной, когда в разных нескольких цепях одновременно действуют соответствующие сигналы, причем каждый сигнал в своей цепи.
Такая комбинация цифровых сигналов, несущая какую-либо информацию, называется кодовым словом или просто кодом. В англоязычной литературе она называется просто словом (word). Таким образом, изображенные на рис.1.1а и рис.1.1b совокупности сигналов представляют собой кодовые слова 01001011 и 01010111. Именно так выражаются буквы К и W английского алфавита в коде КОИ-8 (KOI-8). С помощью кодовых слов можно представить не только буквы, но и другие знаки, а также рисунки (в том числе схемы и диаграммы), звуковую информацию (речь, музыку), телевизионные изображения и т. д.
Устройства, предназначенные для передачи, приема и обработки цифровой информации (то есть информации, выраженной кодовыми словами), называются цифровыми устройствами.
По способу функционирования ЦУ могут быть двух видов:
– Комбинационные ЦУ, не обладающие памятью (т.е. не способные запоминать результаты выполненных операций). Здесь значения сигналов на выходах (выходное кодовое слово) определяются только совокупностью сигналов на входах (входным кодовым словом) в данный момент времени.
– Последовательностные ЦУ (устройства с памятью), способные запоминать результаты выполненных операций и хранить эту информацию на своих выходах в виде кодовых слов. У них значение выходного кодового слова определяется не только входным кодовым словом в данный момент времени, но и хранившимся на выходах кодовым словом в предыдущий момент времени.
1.2. Общие сведения о логических элементах
Любые узлы цифровой аппаратуры строятся с помощью устройств, которые называются логическими элементами (ЛЭ). В основном применяются лишь 5 ЛЭ, общие сведения о которых приведены в табл.1.1.

П р и м е ч а н и е. В колонке «Условное графическое изображение элемента» приведены два рисунка каждого элемента: вверху – в соответствии с «восточным» стандартом, внизу красным цветом – в соответствии с «западным» стандартом (см. Введение).
Входы элементов всегда изображаются слева. Сигналы, которые подаются на входы, называются логическими переменными или логическими аргументами и обозначаются обычно буквами «Х» с нумерацией: Х1, Х2, Х3 и т. д.
Выходы элементов всегда изображаются справа. Сигналы, которые формируются на выходах, называются логическими функциями и обозначаются обычно буквами «Y» или f (X).
В соответствии с «восточным» стандартом ЛЭ и любые другие устройства цифровой микроэлектроники поворачивать нельзя, по «западному» стандарту – можно.
ЛЭ выполняет указанную в табл.1.1 соответствующую операцию со входными сигналами, а результат выполненной операции формируется на его выходе.
Элементы НЕ всегда имеют только один вход.
Элементы И, ИЛИ, И-НЕ, ИЛИ-НЕ могут иметь не только два (как показано в табл.1.1), но и три, и четыре входа (иногда даже больше – до 8). Соответственно элементы при этом будут выполнять операции с двумя, тремя, четырьмя и более входными сигналами (смотрите тему 1.5).
Элементы ИЛИ в основном (но не всегда!) имеют лишь два входа. Если требуется выполнить логическое сложение трех и более сигналов, то используются несколько элементов ИЛИ с двумя входами.
С настоящего момента следует иметь в виду, что результат логического сложения сигналов 1 \/ 1 = 1 отличается от результата арифметического сложения тех же сигналов 1 + 1 = 2. Поэтому не следует путать эти две разновидности операции сложения.
Элементы, которые имеют два или более входа, в название элемента должны включать цифру, которая указывает на количество входов, например: элемент 2И (элемент И с двумя входами), элемент 3ИЛИ-НЕ (элемент ИЛИ-НЕ с тремя входами) и т. д.
Смысл названий элементов заключается в следующем:
– Элемент НЕ. На выходе элемента формируется НЕ такой сигнал, какой подается на вход.
– Элемент И. На выходе элемента формируется сигнал логической 1 только тогда, когда сигналы логической 1 поступают И на первый, И на второй, И на все остальные входы.
– Элемент ИЛИ. На выходе элемента формируется сигнал логической 1, когда сигнал 1 поступает ИЛИ на первый вход, ИЛИ на второй вход, ИЛИ на любой другой вход, ИЛИ на несколько входов одновременно.
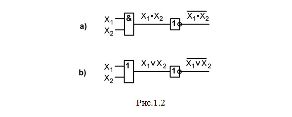
– Элемент И-НЕ сначала выполняет логическое умножение (операцию И) входных сигналов, а затем полученный результат инвертирует (делает операцию НЕ). Структура элемента 2И-НЕ приведена на рис.1.2а.

– Элемент ИЛИ-НЕ сначала выполняет логическое сложение (операцию ИЛИ) входных сигналов, а затем полученный результат инвертирует (делает операцию НЕ). Структура элемента 2ИЛИ-НЕ приведена на рис.1.2b.
Таблица, полностью описывающая работу логического элемента или любого другого ЦУ, называется таблицей истинности: здесь показываются все возможные комбинации сигналов, которые могут поступать на входы, и что при этом получается на выходах. Ни в коем случае не следует заучивать наизусть таблицы истинности логических элементов, нужно только понять смысл выполняемой элементом операции!
Приведенные в табл.1.1 таблицы истинности элементов И, ИЛИ, И-НЕ, ИЛИ-НЕ составлены для двухвходовых элементов. Рекомендуется учащимся попытаться самостоятельно составить таблицы истинности этих элементов, если они будут иметь три и более входа. При этом следует иметь в виду, что количество возможных комбинаций входных сигналов увеличится и будет составлять 2n, где n – количество входов.
Пример 1. Составим таблицу истинности элемента 3ИЛИ-НЕ (табл.1.2):
В технической и справочной литературе таблицы истинности могут иметь несколько иной вид. Вместо сигналов логического 0 и логической 1 могут стоять знаки:
– логический 0: Н (низкий) или L (low – низкий) уровень напряжения;
– логическая 1: В (высокий) или Н (high – высокий) уровень напряжения.
Например, таблица истинности этого же элемента 3ИЛИ-НЕ может выглядеть следующим образом (табл.1.3).

Изучением внутреннего устройства элементов мы здесь заниматься не будем, т.к. это представляет практический интерес лишь для разработчиков этих элементов. Нам достаточно знать только следующее:
– что все элементы построены на прекрасно знакомых любому учащемуся компонентах (резисторах, транзисторах, диодах и т.д.) по интегральной технологии;
– какие транзисторы использованы для построения интересующего нас элемента и по какой схеме они включены (см. тему 1.4).
Если все-таки появится необходимость ознакомиться с внутренней структурой какого-либо элемента, то следует обратиться к соответствующей справочной или учебной литературе.
Цифровые устройства, построенные с помощью логических элементов, могут работать в двух режимах:
– статическом, когда сигналы на входах и выходах элементов удерживаются неизменными достаточно длительное время;
– динамическом, когда сигналы на входах и выходах элементов меняются (частота изменения достигает порядка ГГц в современных устройствах) в процессе работы.
Контроль работы ЦУ, работающих в статическом режиме, производится очень просто путем измерения уровней напряжения на входах и выходах элементов обычными электронными вольтметрами (можно и осциллографами). А вот контроль работы ЦУ, работающих в динамическом режиме, можно производить только с помощью осциллографов, сравнивая полученные осциллограммы с эталонными временными диаграммами.
В цифровой технике временной диаграммой является график зависимости значений сигнала на входе или на выходе элемента или устройства (напомним, что любое значение сигнала – это постоянное напряжение) от времени.
После окончания изучения данной темы учащиеся должны показать знание основных логических элементов: их название, условное графическое изображение, выполняемые операции и их символическую запись; уметь определять в статическом режиме значения сигналов на выходах логических элементов в схемах ЦУ при наличии определенных сигналов на входах; уметь чертить временные диаграммы, описывающие работу ЦУ в динамическом режиме.
Пример 2: Дана схема ЦУ, построенная на логических элементах (рис.1.3).

З а д а н и я:
1. Указать названия всех элементов, и какие операции они выполняют.
2. Исследовать работу схемы в статическом режиме: по заданным (рис.1.3) значениям сигналов на входах ЦУ определить значения сигналов на входах и выходах всех элементов.
3. Проанализировать работу схемы в динамическом режиме: построить временные диаграммы для всех элементов при заданных (рис.1.4) изменениях входных сигналов. Для некоторого упрощения уровень логического нуля примем равным точно 0.

О т в е т ы
1. Названия элементов и выполняемые операции (номер каждого элемента стоит над его изображением в схеме):
1,3 – элементы НЕ, выполняют операцию логического отрицания (инвертирование).
4 – элемент 2И, выполняет операцию логического умножения.
8 – элемент 3И, выполняет операцию логического умножения.
6,7 – элементы 2ИЛИ, выполняют операцию логического сложения.
2,9 – элементы 2И-НЕ, выполняют операцию логического умножения с последующим инвертированием полученного результата.
5 – элемент 3И-НЕ, выполняет операцию логического умножения с последующим инвертированием полученного результата.
10 – элементы 2ИЛИ-НЕ, выполняет операцию логического сложения с последующим инвертированием полученного результата.
2. Исследование работы схемы в статическом режиме. Значения сигналов на выходах всех элементов показаны на рис.1.5.

Рассмотрим более подробно происходящие процессы.
Со входов Х1, Х2, Х3, Х4 указанные в задании сигналы (рис.3) поступают на входы элементов (на какие элементы – указано красными стрелками на рис.1.5).
а) Сначала срабатывают элементы 1, 2 и 3, стоящие в 1-й колонке:
– Элемент 1 инвертирует поступающий на его вход сигнал 0 и на выходе формирует сигнал 1, который далее проходит на вход элемента 4 (прохождение сигнала указано синей стрелкой).
– Элемент 2 выполняет операцию И-НЕ: сначала умножает поступающие на его входы сигналы 0 и 0, а затем полученный результат инвертирует. В результате на выходе элемента формируется сигнал 1, который далее проходит (синяя стрелка) на вход элемента 5.
– Элемент 3 инвертирует поступающий на его вход сигнал 1 и на выходе формирует сигнал 0, который далее проходит (синие стрелки) на входы элементов 7, 8 и 9.
б) На следующем этапе срабатывают элементы 4 и 5, стоящие во 2-й колонке:
– Элемент 4 выполняет умножение поступающих на его входы сигналов 1 и 1. В результате на выходе элемента формируется сигнал 1, который далее проходит (зеленая стрелка) на вход элемента 6.
– Элемент 5 выполняет операцию И-НЕ: сначала умножает поступающие на его входы три сигнала 1, 1 и 1, а затем полученный результат инвертирует. В результате на выходе элемента формируется сигнал 0, который далее проходит (зеленые стрелки) на входы элементов 6 и 7.
в) Далее срабатывают элементы 6 и 7, стоящие в 3-й колонке:
– Элемент 6 выполняет логическое сложение поступающих на его входы сигналов 1 и 0. В результате на выходе элемента формируется сигнал 1, который далее проходит (желтая стрелка) на вход элемента 8.
– Элемент 7 выполняет логическое сложение поступающих на его входы сигналов 0 и 0. В результате на выходе элемента формируется сигнал 0, который далее проходит (желтые стрелки) на входы элементов 8 и 9.
г) Затем срабатывают элементы 8 и 9, стоящие в 4-й колонке:
– Элемент 8 выполняет умножение поступающих на его входы трех сигналов 1, 0 и 0. В результате на выходе элемента формируется сигнал 0, который далее проходит (розовая стрелка) на вход элемента 10.
– Элемент 9 выполняет операцию И-НЕ: сначала умножает поступающие на его входы сигналы 0 и 0, а затем полученный результат инвертирует. В результате на выходе элемента формируется сигнал 1, который далее проходит (розовая стрелка) на вход элемента 10.
д) В конце срабатывает элемент 10, который выполняет операцию ИЛИ-НЕ: сначала делает логическое сложение поступающих на его входы сигналов 0 и 1, а затем полученный результат инвертирует. В результате на выходе элемента формируется сигнал 0, который проходит на выход схемы Y.






