Boeing 737 – Кондиционирование | Подробно для симмеров

- -
- 100%
- +

Предисловие
Хотели понять B737 по-настоящему, а толковых книг на русском не нашли?У меня была такая же проблема. В 2021 году я решил освоить «737» в симуляторе.
Я хотел понимать не на уровне "нажми кнопку – получишь результат". Мне нужно было понять, как самолет работает изнутри.
Я искал системное руководство на русском. Хотелось, чтобы в нем объясняли не только что делать, но и почему это именно так. Оказалось, такой книги нет.
Разве FCOM – это не решение?Но ведь есть же FCOM. Это главный документ по системам самолета. Но он:
– Написан для профессионалов, язык сложный.
– Машинный перевод искажает термины и убивает логику.
– Без базы читать его – как разгадывать шифр. Знания не усваивались.
Эта книга – мостЭта серия книг решает ключевую проблему. Это не сухой FCOM и не поверхностный обзор «кнопок». Это глубокий разбор систем на понятном русском. Я разбил весь объем информации на 10 книг по системам (на 2025). Так вы сможете освоить их поэтапно:
1. Маяки
2. Авионика
3. Кондиционирование
4. Герметизация
5. Противообледенительная система
6. Автопилот + Радиосвязь
7. Двигатель
8. Управляющие поверхности
9. Гидравлика
10. Электрика
Именно эта книга рассказывает только о системе кондиционирования. Она 3 в порядке.
Покупайте книги в порядке их нумерации на обложках. Ведь каждая книга базируется на предыдущей. Так вы будете изучать самолет плавнее.
Покупайте всю серию книг разом, если на вашей платформе это возможно. Так цена за все книги будет ниже.
Зачем вам это «глубокое» понимание?Чтобы не просто действовать по инструкции, а мыслить как пилот.
1. Это интеллектуальный восторг. Разобрать сложную систему как головоломку, увидеть логику инженеров – это особое, «техническое» удовольствие. Как понять шахматную комбинацию, а не просто передвинуть фигуру.
2. Это чувство настоящего контроля.
Не просто "нажал – сработало", а "я знаю, почему сработало, и что еще зависит от этого". Это власть над машиной, а не над интерфейсом. Разве вы хотели бы быть операторами, а не пилотами?
3. Это другой уровень реализма. Когда вы чувствуете пульс гидравлики, понимаете дыхание кондиционера, знаете, куда потечет ток при отказе. Именно тогда симулятор оживет. Это не графика, а ощущение живой системы.
4. Это азарт предвидения.
Вам не нужно будет ждать, пока замигает лампочка. Вы предугадаете, что может сломаться после первого отказа. Вы решите не шаги из списка, а инженерную задачу в реальном времени.
Пример: Пожар правого двигателя. И «кнопкодав», и профессионал выключат подачу топлива. Но дальше:
• КНОПКОДАВ:
«Топливо отключил. Какое следующее действие в списке?».
• ПРОФЕССИОНАЛ:
«Топливо отключил, двигатель остановился, пламя погасло. На двигателе завязано много других систем. Что отключилось, например, в системе электрики?:
– Потеря: Генератор правого двигателя отключен.
– Последствия: Нагрузка всего самолета ляжет на один генератор двигателя №1.
– Резерв: Запущу вспомогательную силовую установку. Так заработает еще один генератор, напряжение восстановится. Батареи подстрахуют критические компоненты».
Понимая связи, вы:
– предвидите вторичные отказы,
– осознанно расставите приоритеты и
– поймете, ПОЧЕМУ процедура требует именно этих шагов.
Почему вы можете доверять этому тексту?Я адаптировал, систематизировал и перевел профессиональные знания для вас. Основой послужили:
Официальный FCOM авиакомпании Ryanair.
Видео-курсы для пилотов а/к Thai Lion Air. Схемы и панели из этих источников позволят вам визуально ориентироваться на реальной приборной доске.
Глубокий анализ лекций Криса Брэди (Chris Brady) – инструктора-инженера B737 с 18+ годами опыта. Он автор книги и канала на YouTube "The Boeing 737 Technical Channel".
Ключевые термины и названия кнопок даны на английском. Так вы сможете уверенно ориентироваться в кабине. Все объяснения – на четком русском языке.
Если нашли ошибки или неточности: misterdi0808@gmail.com.
1. Для чего и откуда в самолете воздух?
У системы кондиционирования есть две панели. Главную панель системы будем называть WHITE – рис. 6.1. Второстепенную панель назовем GRAY – рис. 7.1.
Часть 1. Для чего в самолете воздух?
Это – одна из 10 книг про Boeing 737. Рекомендую приобретать их в порядке нумерации на их обложках.
Для чего нужен воздух в самолете?
1.) Для дыхания пассажиров и экипажа.
2.) Для поддержания нужного давления внутри кабины.
3.) Для противообледенительной системы.
4.) Для запуска двигателей.
5.) И еще для нескольких «мелочей».
Часть 2. Откуда в самолете воздух?
Как в самолете появляется воздух?
Есть миф, что самолет полностью герметичен и весь кислород* берут с собой на полет. Это не так. Воздух всегда поступает снаружи.
*Кислород и воздух – это разные газы. Воздух содержит различные примеси, а кислород полностью чист. Но чтобы избежать тавтологии, опустим этот момент.
Откуда самолет берет воздух?
1.) От двигателей. Не выхлопы: в двигателе есть и чистый воздух. В обычном полете отбор воздуха идет только от двигателей.
2.) От ВСУ. Вспомогательная силовая установка – маленький «двигателёк-генератор» в хвосте самолета. Он вырабатывает энергию и дает воздух (рис. 1.1). После запуска двигателей ВСУ отключается. Генерировать энергию и давать воздух будут двигатели.
3.) От внешней тележки аэропорта. Если не работают ни двигатели, ни ВСУ, подключите «воздуходувку». Ею самолет обеспечивает аэропорт. От неё самолет отключается перед началом движения.

Рис. 1.1. ВСУ. Сейчас капот ВСУ открыт. Обычно он закрыт
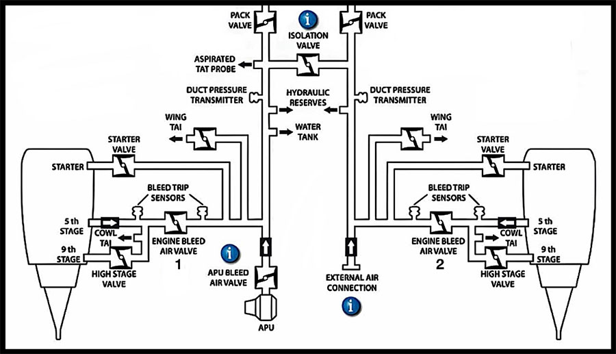
Вся система в схеме изображена на рисунке 1.2.

Рис. 1.2
Вся схема разделена на три подсистемы – рис. 1.3.
«Зеленая система» – система отбора воздуха.
«Синяя система» – PACK [пак].
«Желтая система» —
TRIM AIR SYSTEM [трИм Эйр сИстем] {система подмешивания воздуха}.

Рис. 1.3
2. Система отбора воздуха
Часть 1. Система отбора воздуха

Рис. 2.1
Часть 2. Откуда именно из двигателя отбирается воздух?
На схеме (3.1) есть два силуэта двигателей.
Схема зеркальна. Поэтому я объясняю процесс только на примере одного из двигателей.
1.) Воздух из двигателя отбирается от 5-й ступени (5th STAGE) низкого давления.
2.) Если воздуха недостаточно, система включит дополнительно отбор от 9-й ступени (9th STAGE).
Конец ознакомительного фрагмента.
Текст предоставлен ООО «Литрес».
Прочитайте эту книгу целиком, купив полную легальную версию на Литрес.
Безопасно оплатить книгу можно банковской картой Visa, MasterCard, Maestro, со счета мобильного телефона, с платежного терминала, в салоне МТС или Связной, через PayPal, WebMoney, Яндекс.Деньги, QIWI Кошелек, бонусными картами или другим удобным Вам способом.





