Гидропресс: эскизы, расчеты

- -
- 100%
- +
Где:
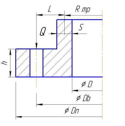
S=( Dv-Dвн ) / 2 = 2,15 см…
Rmp = ( Dv + Dвн ) / 4 = 28,175 см…
A = 0,82 * ( h / S ) * ( h / S ) * ( h / S )…
A = 60,148666…
B = sqrt( S / Rmp )…
B = 0,27624045…
C = Lg( Dn/ Dвн)…
C = 0,158095316…
m = 1 / ( 1 + A * B * C ) …
m = 0,27572274…
Окружное напряжение:
Bok = 0,83 * Q * L * ( 1 – m ) / ( Dвн * h * h* ( Lg ( Dn / Dвн ))…
Bok = 801,9 кгс / кв.см… Bok = 78,64 МПа…
Изгибающее напряжение фланца:
Bi = 6* m*Q*L / ( Pii*( D+S)*S*S)…
Где: Q = 158945 – нагрузка от нажимных болтов в кгс.
m = 0,27572274… – коэф. конструкции рассчитан ранее.
Все остальные данные понятны из рисунка.
Bi = 1871,74 кгс / кв.см… ( Bi = 183,55 МПа )
Напряжение изгиба должно быть не более 0,7
от напряжения текучести материала фланца..
Напряжение смятия буртика фланца:
Bсм = Q / Sk…
Где: Sk = 380,61 кв.см…
Sk – Площадь торца воротника фланца.
Bсм = 417,604 кгс / кв.см… ( Bсм = 40,95 МПа )
Расчет нажимного фланца с воротником
( плоский фланец с прямой втулкой ):
# ........
Фланец с воротником:

Окружное напряжение:
Bok = 0,83 * Q * L * ( 1 – m ) / ( Dвн * h * h* ( Lg ( Dn / Dвн ))…
Dвн = D…
Коэффициент m… m = 1 / ( 1 + A * B * C ) …
Где:
A = 0,82 * ( h / S ) * ( h / S ) * ( h / S )…
B = sqrt( S / Rmp )… Квадратный корень..
C = Lg( Dn/ Dвн)… Десятичный логарифм…
Где: S – толщина стенки воротника..
h – толщина фланца
Rmp – средний радиус воротника.
Dn – наружный диаметр фланца
Dвн – внутренний диаметр фланца.
Lg ( Dn / D ) – Десятичный логарифм от значения ( Dn / D ) …
L = ( Db / 2 ) – Rmp … Плечо изгиба…
Таблица значений коэффициента “ m ” для фланца с воротником.

Свободный фланец:
Напряжение в натяжных болтах фланца не должно превышать
0,6…0,9 от напряжения текучести материала..
…
Повторный расчет по методике расчетов
для химической промышленности
В основном использованы формулы По ГОСТу Р52857-2007…
В формулах есть выражения типа: Х = 18 + Y..
значит замена единиц измерения недопустима
– иначе будет неверный результат…
Исходные данные:
Наружный диаметр фланца мм. Dn = 780
Внутренний диаметр втулки ( трубы ) мм. D = 542
Толщина стенки втулки мм. So = 21,5
Толщина фланца мм. мм. h = 90
Диаметр центров болтов мм. Db = 680
Диаметр отверстий под болты мм. do = 42
Внутр. диаметр резьбы болта мм. dv = 34
Число отверстий под болты n = 16
Усилие болтов на фланец в Ньютонах. F = 1559250,45
Средний диаметр прокладки мм. Dsp = 563,5
( Прокладки как таковой нет – это окружность приложения усилия ).
Прокладочный коэф. m = 2,5
( при отсутствии данных принимаем m = 4… )
Давление в трубе в МПа P = 0,1
( внутреннего давления на фланец нет – он сальниковый ).
Запас на коррозию в мм ( на радиус ) c = 0,5
Формулы пригодны для расчета при условии:
Dn/D < 5…. и при условии: (2*h/(Dn-D)) < 0,25….
# ........
Y1=(2*do)+((6*h)/(mpk+0,5))…
Y2=((Pii*Db)/n)/Y1…
Cf=sqrt(Y2)…
Если Cf получится менее единицы – принимать Cf = 1…
( Примечание Е.1 … К.5 – это таблицы из ГОСТа )
b=(Db-Dsp)/2 …. # E.1 стр 26…
e=((Dsp-D)-So)/2 …. # E.4 стр 26…
X1=D*So…
Lo=sqrt(X1)… # Корень квадратный из (X1)… # K.3 стр 32…
K=Dn/D… # K.4 стр 32…
X2=log10(K) # Десятичный логарифм от (K)
X3=(K*K*(1+(8,55*X2)))-1….
X4=(1,05+(1,945*K*K))*(K-1)….
bt=X3/X4 …. # K.5 стр 32…
X5=1,36*((K*K)-1)*(K-1)….
bu=X3/X5 …. # K.6 стр 32…
X6=1/(K-1)….
X=(5,72*K*K*X2)/((K*K)-1)….
X7=0,69+X….
by=X6*X7…. # K.7 стр 32…
bz=((K*K)+1)/((K*K)-1)…. # K.8 стр 32…
X8=((0,91*h)+Lo)/(bt*Lo) …. # K.11 стр 33…
X9=(0,55*h*h*h)/(bu*Lo*So*So)….
LL=X8+X9…. # K.11 стр 33…
Изгибное меридиональное напряжение
во втулке Bo:
Bo=M/(LL*(So-c)*(So-c)*De)… ф 30 стр 13…
Радиальное напряжение в тарелке фланца Br:
Br=(((1.33*0.91*h)+Lo)*M)/(LL*h*h*Lo*D) … ф 31 стр 13…
Окружное напряжение в тарелке фланца Bt:
Bt=((by*M)/(h*h*D))-(bz*Br) …. ф 32 стр 13…
Окружное мембранное напряжение в сечении втулки Bom:
Bom=(P*D)/(2*(So-c))… ф 39 стр 13…
X7=Pii*dv*dv/4…
Brb=F/(X7*n)…
Brb – Напряжение растяжения болта.
Gsf = 461030/2725231222…
# .............
De=D # При D > = 20 * So …
De=D+So # При D < 20 * So …
M=F*b # Изгибающий момент на фланце – ф 24 стр 13…
Эквивалентное напряжение № 1 – B1
B1=(Bo-Bom)+Bt # ф 48 стр 15…
Эквивалентное напряжение № 2 – B2
B2=(Bo-Bom)+Br
Эквивалентное напряжение № 3 – B3
B3=(Bo+Bom)
Результаты расчета фланца:
Изгибное меридиональное напряжение во втулке = 162,31 МПа
Радиальное напряжение в тарелке фланца = 17,75 МПа
Окружное напряжение в тарелке фланца = 64,0 МПа
Окружное мембранное напряжение в сечении втулки = 1,3 МПа
Напряжение растяжения болтов = 107, 3367 МПа
Эквивалентное напряжение № 1 = 225,0 МПа
Эквивалентное напряжение № 2 = 178,8 МПа
Эквивалентное напряжение № 3 = 163,6 МПа
Примечание: Фланец сальника работает иначе, чем фланец трубного соединения.
Воротник фланца сальника скользит, практически без зазора, по штоку,
и не имеет возможности деформироваться изгибаясь, теряя форму.
Эта особенность позволяет выдерживать повышенные нагрузки по отношению к трубному фланцу.
Как видим – расчет по методике ГОСТу Р52857-2007… показывает большие значения напряжений, чем при расчете, использующем методику, приводимую И.А. Биргером..
Примечание: Изменение коэф. Cf при изменении прокладочного коэф. m –
не значительно. При m = 2,5 коэф. Cf = 0,7111… При m = 10 коэф. Cf = 0,99…
……..
Расчет фланца дает ненадежные результаты.
По методикам разных авторов результаты расчета разнятся по величине
напряжений во фланце. В книге А.А Волошин Г.Т. Григорьев
Расчет и конструирование фланцевых соединений, имеется ряд опечаток
в формулах, что не позволяет рассчитать цельный фланец со втулкой.
Проверка на макете уменьшенного размера тоже не дает верных результатов
в виду одновременного действия напряжений по нескольким векторам, и разного нелинейного влияния изменения геометрических размеров на напряжения
по разным векторам.
В некоторых случаях размеры фланцев можно принимать по данным ГОСТ 19535-74 …
Расчет вкладыша
Расчет сдвигающего усилия на бронзовый вкладыш ( втулку ) нажимного фланца.
Предположим износ направляющих С = 5 мм. Вылет плунжера при начале
хода с рабочим усилием L = 2480 мм
Угол отклонения от вертикали U = arctan ( C / L )… U = arctan ( 5 / 2480 )…
U = 0,1155 градусов…
Боковое усилие на вкладыш при усилии прессования F = 480000 кгс.
Равно: Fb = F * tan ( U )…
Fb = 480000 * 0,002016… Fb = 968 кгс.
При коэф. трения « плунжер – вкдадыш » К = 0,2 ..
Усилие, сдвигающее вкладыш Fs = Fb * K … Fs = 968 * 0,2 = 194 кгс.
Усилие незначительное…
Величина смещения плунжера во втулке: Cv = C * Lv / L… Cv = 5 * 350 / 2480…
Cv = 0,7 мм.
Где Lv = 350 мм – расстояние от центра вращения до края втулки.
На край втулки создается усилие Fv = Fb * C / Cv… Fv = 968 * 5 /0,7…
Fv = 6914 кгс.
Такая нагрузка быстро выведет втулку из строя.
Подобных зазоров, в направляющих ползуна, допускать нельзя..
Конец ознакомительного фрагмента.
Текст предоставлен ООО «ЛитРес».
Прочитайте эту книгу целиком, купив полную легальную версию на ЛитРес.
Безопасно оплатить книгу можно банковской картой Visa, MasterCard, Maestro, со счета мобильного телефона, с платежного терминала, в салоне МТС или Связной, через PayPal, WebMoney, Яндекс.Деньги, QIWI Кошелек, бонусными картами или другим удобным Вам способом.





