Создаем робота-андроида своими руками

- -
- 100%
- +
Проблема возникает обычно при замене сервомотора. Очень часто замененный мотор имеет несколько другой диапазон импульсов управления. Нужно взять за правило: если диапазон применяемых импульсов выходит из зоны 1–2 мс, необходимо проверить сервомотор в крайних положениях на предмет «залипания».
Сервомоторы используются в шагающем роботе, описанном в гл. 11. Для управления сервомоторами используется PIC микроконтроллер. Применения сервомоторов и PIC микроконтроллеров описаны в гл. 6.
Двигатели постоянного тока
Двигатели постоянного тока для любительского конструирования могут использоваться для движения и перемещения конструкций роботов (см. рис. 4.13). Для большинства таких двигателей характерны высокая частота вращения ротора и небольшой крутящий момент. Конструкции роботов, напротив, требуют большого крутящего момента при невысокой частоте вращения. Для этого могут быть использованы редукторы (см. рис. 4.14). Редуктор характеризуется передаточным числом, т. е. отношением скоростей вращения на входе и выходе. Например: двигатель с частотой вращения 8000 об/мин соединен с редуктором, имеющим передаточное число 1000:1. Какова будет скорость на выходе редуктора? 8000 об/мин: 1000=8 об/мин. Соответственно возрастет крутящий момент. Можно ожидать, что крутящий момент увеличится в той же степени, в которой снизились обороты. Практически, поскольку КПД любого устройства всегда меньше 100 %, крутящий момент будет несколько ниже из-за потерь.

Рис. 4.13. Двигатель постоянного тока

Рис. 4.14. Двигатель постоянного тока с редуктором
Некоторые двигатели постоянного тока конструктивно объединены с редуктором и называются двигателями с редукторной головкой (см. рис. 4.15).

Рис. 4.15. Двигатель постоянного тока с редукторной головкой
Мостовая схема управления двигателем постоянного тока
При конструировании робота желательно наличие простой схемы управления его включением и выключением. Кроме того, необходима схема реверса направления вращения двигателя. Таким требованиям удовлетворяет мостовая схема управления.
Необходимо понимать, что термин «двигатель постоянного тока» относится также к двигателям, снабженным редукторами или имеющим редукторную головку.
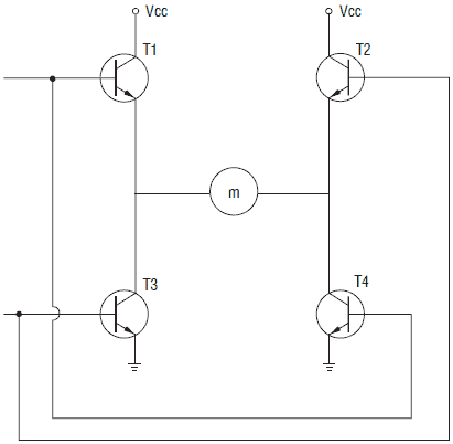
Мостовая схема состоит из четырех транзисторов (некоторые используют МОП полевые транзисторы. Я использую биполярные Дарлингтоновские NPN транзисторы). В некоторых схемах используются транзисторы PNP и NPN проводимости. В любом случае транзисторы используются в ключевом режиме (см. рис. 4.16А). Когда ключи SW1 и SW4 закрыты, двигатель вращается в одном направлении. Когда закрыты ключи SW2 и SW3, двигатель вращается в противоположном направлении.

Рис. 4.16. Мостовая схема на переключателях
При правильной коммутации ключей мы можем изменить направление тока, протекающего через двигатель, на противоположное, что вызовет изменение направления вращения вала двигателя. Транзисторная схема моста, управляющего двигателем, показана на рис. 4.17. Подобная схема использована в гл. 5 в схеме сенсора робота-тестера.

Рис. 4.17. Мостовая схема на транзисторах
Широтно-импульсная модуляция (ШИМ)
Мостовая схема обеспечивает включение-выключение двигателя постоянного тока и управляет направлением его вращения. К этим функциям может быть добавлена функция управления частотой вращения двигателя с использованием широтно-импульсной модуляции (ШИМ). Форма ШИМ сигнала приведена на рис. 4.18. Высокий уровень сигнала ШИМ соответствует включению двигателя, низкий уровень его выключает. Поскольку частота импульсов ШИМ очень велика, то напряжение на двигателе может быть определено как среднее значение длины импульса к периоду следования (скважность импульса). Чем больше длина импульса, тем больше среднее напряжение. Среднее напряжение лежит в пределах от нуля до напряжения питания, и, таким образом, ШИМ эффективно управляет скоростью вращения двигателя.

Рис. 4.18. Широтно-импульсная модуляция (ШИМ) для управления мостовой схемой
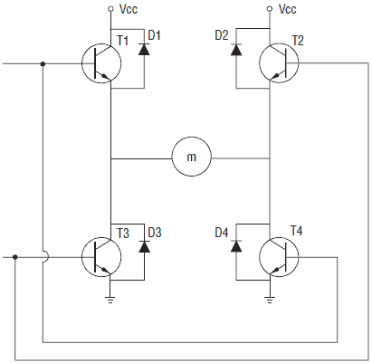
Двигатель является индуктивной нагрузкой. В моменты включения/выключения возникающее переходное напряжение, генерируемое обмотками двигателя, может повредить полупроводниковые части моста. Для гашения этого напряжения используются защитные диоды, включенные параллельно транзисторам, как показано на рис. 4.19.

Рис. 4.19. Транзисторная мостовая схема с защитными диодами
Защитный диод гасит обратное переходное напряжение на землю, что эффективно защищает переход транзистора, к которому подключен диод. Защитные диоды должны быть рассчитаны на нормальный ток, потребляемый двигателем.
Глава 5
Сенсорика
Сенсорика роботов (система чувствительных датчиков) обычно копирует функции органов чувств человека: зрение, слух, обоняние, осязание и вкус. Чувство равновесия и положения тела в пространстве, как функция внутреннего уха, иногда считаются шестым чувством. Функционирование биологических органов чувств базируется на принципе нейронной активности, в то время как чувствительные органы роботов имеют электрическую природу. Возможны возражения, что на самом деле обе эти группы имеют электрическую природу, основанные на указании, что нейронные и электрические цепи имеют общее электрохимическое происхождение. Тем не менее, нейронная сенсорика функционирует иначе, чем просто электрическая. По этой причине для устранения разночтений мы определим сенсорику робота, как имеющую электрическую природу.
Для полной имитации биологических органов чувств необходимо использование нейронных чувствительных устройств (сенсоров). Примером такого нейронного сенсора является человеческое ухо, работу которого мы рассмотрим. Характеристика человеческого уха нелинейна. Его реакция на звуковой раздражитель носит логарифмический характер. Это означает, что десятикратное повышение уровня звукового сигнала вызывает двукратное повышение субъективного уровня громкости. Для сравнения, обычный приемник звуковых сигналов, например микрофон, имеет линейную выходную характеристику. Отсюда десятикратное повышение уровня выходного сигнала, подаваемого на компьютер, микроконтроллер или иную схему, соответствует десятикратному увеличению звукового сигнала.
Сенсорные датчики могут обнаружить какие-то внешние сигналы и определить их величину, что выражается в появлении на выходе пропорционального электрического сигнала. Информация, содержащаяся в сигнале, должна быть считана и обработана «интеллектом» робота (например, ЦПУ) или нейронной сетью. Мы можем характеризовать искусственные сенсоры по их отношению к природным органам чувств, но обычно классы сенсорных устройств выделяются по типу воздействия, на которое данный сенсор реагирует: свет, звук, тепло и т. д. Типы сенсоров, встроенных в робота, определяются целями и местом его применения.
Обработка сигналов
При выборе типа сенсорного устройства, используемого в роботе, необходимо решить вопрос чтения и обработки сигнала, поступающего от него. Vjui Многие сенсоры представляют собой датчики резистивного типа, что означает, что их сопротивление меняется в зависимости от количества поступающей энергии. Если такой датчик является частью делителя напряжения, то амплитуда выходного сигнала окажется пропорциональной количеству поступающей энергии.
Если для робота необходимо действительное значение интенсивности поступающей энергии, необходимо использовать аналого-цифровой преобразователь (АЦП). АЦП измеряет входной электрический сигнал и выдает соответствующий ему двоичный код.
Для правильной работы и преобразования данных АЦП необходим микроконтроллер или цифровая схема. Во многих случаях использование АЦП не является необходимым. В некоторых случаях достаточно использовать компаратор.
Как следует из самого названия, компаратор сравнивает два электрических напряжения. Одно из напряжений называется опорным и устанавливается по нашему желанию. Другое напряжение выдается сенсорным датчиком (через делитель напряжения). Выход компаратора имеет два уровня – высокий и низкий. Высокий уровень соответствует +5 В, низкий уровень – 0 В.
Выходной сигнал компаратора зависит от соотношения уровней напряжений на его двух входах. Возможны три состояния: напряжение датчика меньше опорного напряжения, равно ему или превосходит его.
Пример построения компаратора
Лучшим способом познакомиться с работой компаратора является использование его в схеме. Посмотрев на рис. 5.1, вы сразу обнаружите, что компаратор выглядит почти так же, как операционный усилитель. Это действительно так; компараторы представляют собой специализированные операционные усилители (ОУ). Компаратор, использованный в первом примере, представляет собой счетверенный компаратор типа LM339. Эта интегральная схема состоит из четырех компараторов и заключена в корпус с 14 выводами. Аналогично ОУ компараторы имеют инвертированный и неинвертированный входы. В данном случае опорное напряжение подается на инвертированный вход (-).

Рис 5.1. Схема компаратора и счетверенный компаратор на ИС LM 339
Делитель напряжения
Делитель напряжения представляет собой простой, но очень важный элемент схемы. Его использование позволяет состыковать большинство резистивных сенсорных датчиков с входом компаратора. Опорное напряжение получается также с помощью делителя напряжения на двух резисторах 10 кОм (см. рис. 5.2А). Voп. в данном случае будет равно 2,5 В, т. е. половине питающего напряжения 5 В (см. табл. 5.1). Понятно, что величина Voп. может быть любой в пределах от нуля до напряжения питания и зависит от отношения сопротивлений делителя напряжения.
Vоп.=Vпит.хR2/(R1+R2)
где Vпит.=5 В.

Рис. 5.2. Делители напряжения А, В и С
Таблица 5.1. Двухрезисторный делитель напряжения
Для создания переменного делителя напряжения можно использовать переменный резистор, как показано на рис. 5.2В и 5.2С. Я предпочитаю схему 5.2А как самую простую.
Схема для проверки работы устройства приведена на рис. 5.3 Вместо сенсорного датчика мы будем использовать два постоянных резистора в 1 кОм и переменный резистор 5 кОм. Переменным резистором можно регулировать величину напряжения, поступающего на неинвертированный вход. Выход компаратора обычно представляет собой NPN транзистор с открытым коллектором, выходной ток которого более чем достаточен для подключения светодиода, который мы будем использовать в качестве индикатора. Говоря иначе, выход компаратора может быть использован как электронный ключ, замыкаемый на землю. Это окажется полезным позднее при коммутации таймера типа 555.

Рис. 5.3. Схема проверки работы компаратора
После сборки схемы посмотрим, что будет происходить. Когда входное напряжение меньше опорного Vоп., на выходе компаратора будет присутствовать низкий уровень 0 В, через светодиод будет протекать ток, что вызовет его свечение. Если мы с помощью переменного резистора повысим напряжение Vвх. до уровня, превышающего Voп. уровень выхода перебросится в положение «высокий», и светодиод погаснет. Можно проверить работу компаратора вольтметром, измеряя значения напряжений на инвертированном и неинвертированном входах.
Многие, и я в том числе, находят работу подобной схемы несколько неестественной. Более привычным является зажигание светодиода при превышении Vвх. над Voп. Это можно легко сделать, поменяв местами подключения входов компаратора, т. е. присоединив Vвх. к инвертированному входу компаратора, а Voп. к неинвертированному соответственно. Функция выхода изменится при этом на противоположную.
Если по схеме не требуется большого количества компараторов, то в качестве компаратора можно использовать КМОП операционный усилитель, включенный соответствующим образом. Я предпочитаю использовать подобные ОУ, поскольку они обеспечивают достаточный выходной ток для питания светодиодов и других частей схемы (см. рис. 5.4).

Рис. 5.4. Схема проверки работы компаратора на ОУ
Датчики освещенности (фотосенсоры)
Существует большое количество различных типов датчиков освещенности: фоторезисторы, фотоэлектрические устройства, фотодиоды и фототранзисторы. Световые датчики могут использоваться для определения положения и направления движения. Некоторые роботы используют источники ИК излучения и ИК приемники для обхода препятствий и предотвращения ударов о стены. Источник и приемник ИК излучения монтируются в передней части робота и имеют одинаковое направление. При приближении робота к препятствию или стене, ИК излучение отражается от их поверхности и детектируется ИК приемником. ЦПУ робота интерпретирует такое увеличение сигнала как препятствие и обводит робота вокруг него.
Перед датчиком освещенности могут быть установлены фильтры, выделяющие световые волны определенной длины и поглощающие прочие. Примером таких фильтров могут служить фильтры, установленные на роботах-пожарных и детектирующие наличие открытого пламени. Подбором фильтра можно выделить свет, излучаемый пламенем, и ослабить световые лучи, приходящие от других источников.
Другим примером является использование эмульсионных цветовых фильтров для различения цвета. Можно представить себе робота, собирающего или выбирающего только спелые фрукты на основании цвета их кожуры.
Фоторезисторы
Фоторезисторы на основе сульфида кадмия (см. рис. 5.5) являются устройствами, реагирующими на видимый свет. Спектр поглощения такого резистора близок к спектру человеческого глаза (см. рис. 5.6). CdS – фоторезистор представляет собой полупроводник, но без обычного PN перехода. Наибольшее сопротивление такой фоторезистор имеет в полной темноте. По мере увеличения освещенности его сопротивление уменьшается. Измеряя сопротивление резистора, можно оценить среднюю освещенность в видимом спектре.

Рис. 5.5. Фотоэлементы на основе сульфида кадмия (CdS)

Рис. 5.6. Диаграмма, показывающая сравнительную спектральную чувствительность глаза и светочувствительных датчиков
Световой выключатель на основе фоторезистора
На рис. 5.7 приведена основная схема устройства. Поскольку CdS-преобразователь представляет собой резистор, он может быть включен напрямую в делитель напряжения. По мере нарастания освещенности сопротивление фоторезистора падает. Соответственно, повышается напряжение на резисторе R1 и на выводе 2 ИС. Когда напряжение превысит напряжение на выводе 3, включится двигатель M. Порог срабатывания регулируется подстроечным резистором R1 4,7 кОм. Такая схема является основной для управления «солнечным шаром», описанным в гл. 12.

Рис. 5.7. Выключатель света на фоторезисторе
Светочувствительный нейрон
На рис. 5.8 изображена схема светочувствительного нейрона. По мере нарастания освещенности возрастает частота выходных импульсов. Такая схема фотонейрона может генерировать тактовые импульсы для контроллера шагового двигателя типа ИС UCN5804. При увеличении интенсивности освещенности поворот шагового двигателя осуществляется быстрее.

Рис. 5.8. Нейрон на базе фоторезистора
Фотоэлектрические устройства
Фотоэлектрические (солнечные) элементы, фотодиоды и фототранзисторы имеют похожую конструкцию. Все они обладают светочувствительным PN переходом. В солнечных батареях площадь PN перехода велика и используется для вырабатывания электрической энергии пропорционально степени освещенности.
Фотодиоды обычно используются в схемах в обратном включении. Световой поток уменьшает запирающий барьер PN перехода, и через диод начинает течь ток. Время срабатывания фотодиодов намного меньше, чем CdS фоторезисторов, поэтому они могут быть использованы для детектирования модулированных световых сигналов.
Фототранзисторы представляют собой светочувствительные транзисторы. Их преимущество в сравнении со светодиодами в том, что они способны усиливать поступающий световой сигнал.
Датчики ИК излучения
Датчики ИК излучения работают в диапазоне низких частот излучения световых волн (900 нм и ниже). Они заслуживают специального рассмотрения, поскольку широко используются в роботах для ориентирования, обхода препятствий и связи.
Конец ознакомительного фрагмента.
Текст предоставлен ООО «ЛитРес».
Прочитайте эту книгу целиком, купив полную легальную версию на ЛитРес.
Безопасно оплатить книгу можно банковской картой Visa, MasterCard, Maestro, со счета мобильного телефона, с платежного терминала, в салоне МТС или Связной, через PayPal, WebMoney, Яндекс.Деньги, QIWI Кошелек, бонусными картами или другим удобным Вам способом.





