Курс «Применение трубопроводной арматуры». Модуль «Применение поворотной арматуры в металлургии»

- -
- 100%
- +
Основная погрешность регулирующего клапана определяется следующим образом. На входной штуцер мембранно-исполнительного механизма (МИМ) подают управляющий воздух под определенным давлением. Диапазон изменения управляющего давления разбивают на 8-10 равных частей и при каждом его значении фиксируют положение штока. Испытание проводят при прямом и обратном ходе; для каждого значения управляющего давления находят приведенный ход, после чего определяют разность действительного и приведенного ходов.
Основную погрешность определяют как отношение, выраженное в процентах, наибольшей разности действительного и приведенного хода к номинальному ходу штока.
Δ=(Sд – Sп)\Sн)х100%
Порог чувствительности определяют при значении управляющего давления, равном 20, 50 и 80% от его полного диапазона. При испытании давление плавно увеличивают до установленного значения, фиксируют его и затем плавно повышают управляющее давление до заметного трогания штока регулирующего клапана. Новое значение управляющего давления фиксируют, а затем определяют разность зафиксированных значений. Испытание повторяют при плавном уменьшении управляющего давления и определяют новую разность зафиксированных значений. Порог чувствительности определяется как отношение, выраженное в процентах изменения управляющего давления, вызывающего заметное трогание штока к диапазону управляющего давления.
Вариации хода штока (Гистерезис). При каждом значении управляющего давления находят разность между действительными значениями прямого и обратного ходов штока. Вариацию определяют как отношение, выраженное в процентах, наибольшей разности между значениями прямого и обратного ходов штока при одном и том же значении управляющего давления к номинальному ходу.
Наибольшее распространение среди регулирующих клапанов с линейным движением штока занимают регулирующие двухседельные вентили с мембранным исполнительным механизмом. Допустимый порог чувствительности таких клапанов с МИМ составляет не более 3Па. Пропускная характеристика может быть, как линейная, так и равнопроцентная. Таблица заменяемости двухседельных клапанов на поворотные шаровые регулирующие клапаны приведена ниже.
Табл. 2.3. Заменяемость двухседельных вентилей на поворотные шаровые краны

– Окончательная возможность замены определяется расчетом.
– Возможность замены угловых клапанов зависит от расчетного перепада давлений.
ПОЗИЦИОНИРОВАНИЕ РЕГУЛИРУЮЩИХ КЛАПАНОВ
Чтобы обеспечить точность выполнения командного сигнала с минимальной погрешностью клапан должен быть спозиционирован. Основной проблемой без применения позиционеров было значительное рассогласование хода штока по отношению к управляющему сигналу.
Позиционер представляет собой устройство, предназначенное для управления перемещением штока строго пропорционально командному давлению путем использования обратной связи по положению штока. Общим принципом работы позиционеров является компенсация усилия в чувствительном элементе позиционера. При этом исключается влияние сил трения, неуравновешенности штока и плунжера и сводится к минимуму рассогласование между командным давлением и действительным ходом плунжера. Если этого не проводить, то рассогласование может достичь 30%, что характерно для мембранных регулирующих вентилей. Пневматические позиционеры позволяют уменьшить рассогласование до 1,5 -2%, снижают запаздывание регулирующих клапанов, поскольку их объем во много раз меньше мембранной камеры МИМ. Основная система управления при этом была пневматическая. Каналы пневмосетей также оставались в значительной степени инерционными. Для повышения качества связи между позиционером и системой автоматического управления, начиная с 60-х годов, широко использовались системы управления, основанные на передаче электрического командного сигнала. В электропневматических позиционерах, работающих на аналоговом принципе электрическое реле переводит пневматический сигнал в электрический. Этим значительно повышаются точность позиционирования. Следующей ступенью стали позиционеры, работающие по протоколу HART, переводящие аналоговый сигнал в цифровой. При этом качество сигнала и помехоустойчивость сетей в значительной степени повысилась. После освоения протоколов HART позиционеры в последнее время появились цифровые позиционеры, например серии ND9000, основанные на преобразовании сигналов от сенсоров в цифровой.
Сам позиционер стал насыщаться сенсорами, поскольку цифровой канал связи обеспечил большие возможности для реализации, как алгоритмов регулирования, так и собственной диагностики.
Интересно отметить, что промежуточной формой внедрения позиционеров и большего перехода к цифровым системам стали цифровые позиционеры, устанавливаемые на регулирующих вентилях с линейным ходом штока и мембранным исполнительным механизмом. В дальнейшем после освоения цифрового позиционера оптимальным является замена регулирующих вентилей с линейным перемещением штока на поворотные регулирующие клапаны. Для вентилей и задвижек с диам. более 100мм требуются специальные рычажные передачи с большим количеством механических звеньев, обязательна ступенчатая регулировка передаточного отношения, поскольку только благодаря этому выходное звено арматуры с линейным ходом штока получает увеличенный ход. Из-за значительного нарастания погрешностей в связи с множеством механических передаточных звеньев, длинного хода штока переход на регулирующие поворотные клапаны с позиционерами оптимально производить с указанного диаметра.
РЕГУЛИРУЮЩИЕ ПОВОРОТНЫЕ ЗАСЛОНКИ
Заслонки регулирующие находят применение вплоть до давлений 6,4МПа, Dу 400мм и предназначаются для регулирования расхода пара при температуре не более 425оС. Их работоспособность ограничивается перепадом давлений на рабочем органе и ранее составлял не более 0,025МПа. В настоящее время при использовании заслонок с эксцентриковым смещением удается значительно повышать допустимый перепад давлений.
ЗАМЕНА РЕГУЛЯТОРОВ ДАВЛЕНИЯ
Регуляторы давления – это автоматическая арматура с линейным движением штока, с чувствительным элементом, которым выступает резиновая мембрана. Формирование силового воздействия осуществляется нагружением грузом или пружиной. Действие регулятора происходит за счет использования энергии рабочей среды, транспортируемой по трубопроводу. При изменении давления на участке трубопровода, настроенная пружина отрабатывает степень открытия регулирующего органа регулятора до тех пор, пока не восстановится исходная величина давления.
Для регуляторов используются в основном только тарельчатые двухседельные клапаны с мембранным рычажно-грузовым приводом. Этим обусловливается то, что ход штока будет незначителен. Расчетная длина хода составляет не более 0.15 диаметра отверстия в седле клапана.
Проблемой использования мембранных приводов является то, что они одновременно являются и приводом и чувствительным элементом. Поэтому их применение возможно только для малых диаметров арматуры, где погрешность движения привода близка к погрешности чувствительного элемента. Применение формованной мембраны большого диаметра нецелесообразно, поскольку такая мембрана является элементом повышенной чувствительности, и при малых изменениях давления будет приводить к резким перемещениям штока с большой амплитудой и ударам плунжера о седло. Для решения проблемы применяют малую плоскую мембрану. Однако она создает менее чувствительную систему за счет повышения жесткости. Достигаемая характеристика в большей степени может быть приближена только к пропорциональной. Однако это происходит за счет повышения неравномерности величины отрегулированного давления. Таким образом, применение регуляторов для трубопроводов крупного диаметра ограничено.
Точность работы регулятора давления характеризуется степенью неравномерности, определяемая отклонением действительной величины отрегулированного давления в процентах от номинальной настроенной. Несовпадение этих величин вызывается том, что с повышением расхода повышается отрегулированное давление в зависимости от жесткости мембраны и пружины привода. На точность работы регулирующего клапана и регулятора давления оказывает влияние и порог чувствительности, определяемый минимальной величиной изменения давления, необходимой для того, чтобы плунжер изменил свое направление на обратное. Замена регуляторов на регулирующие клапаны для целей повышения точности и управляемости режимом работы контура регулирования является актуальной задачей.
Задачами, которыми могут решить регулирующие клапаны при установке взамен регуляторов может быть уменьшение степени неравномерности действий (для регуляторов они составляют до 20% даже для диам. 50-80мм) при пороге чувствительности 0,03-0,05МПа.
БЫСТРОДЕЙСТВУЮЩАЯ АРМАТУРА
В энергетике и металлургии существует ряд контуров, где при нарушении нормального хода технологического процесса требуется быстро отключить подачу среды. Основной проблемой является необходимость выполнения жестких требований, как правило, нормируемых надзорными организациями по скорости закрытия – открытия затвора. В частности, для многих узлов быстрой и аварийной отсечки нормируются значения времени открытия-закрытия от 0,5 до 1-2 сек. К ним относятся, например, клапаны быстрой отсечки турбин, байпаса, антипомпажа, защиты в горелочном оборудовании, участки аварийной отсечки и вентилирования. В состав защитной арматуры могут входить поворотные отсечные клапаны. Ими являются, как правило, поворотные заслонки с пневмо и электроприводом. Они успешно заменяют собой отсечные клапаны с линейным движением штока с мембранным исполнительным механизмом. Основной причиной является значительно меньший ход штока при повороте по сравнению со значительной длиной хода штока при закрытии, например, при помощи задвижки или вентиля.
2.2. Критические контуры регулирования на примере ТЭС металлургического производства
Понимание, того, что не все контуры одинаковы, является важным для понимания важности замены одних клапанов более совершенными в первую очередь. Критическими контурами регулирования назовем контуры, где соотношение параметров на входе к параметру на выходе превышает критическое отношение. Небольшая погрешность регулирования на входе приводит к недопустимому превышению допусков по параметру на выходе. Рассмотрим основные контуры регулирования на примере ТЭС.
Цель работы ТЭС – отпуск теплового агента в виде пара или горячей воды с определенным параметрами расхода, температуры и обеспечение тепловодяного баланса. Дополнительными требованиями являются само качество воды, степень ее жесткости и насыщенность неконденсирующимися газами.
В работе ТЭС возникает множество возмущающих воздействий, от изменения погодных условий при работе на обогрев, до особенностей изменения работы теплопотребляющих агрегатов. Основными показателями, характеризующими технологический режим ТЭС, являются температура Т, напор Н и расход Q теплового агента. Основным оборудованием с точки зрения регулирования являются:
– котлы, иногда их может быть несколько, работающих параллельно,
– сетевые насосы, обеспечивающие циркуляцию теплового агента,
– рециркуляционные насосы в линии рециркуляции воды от выхода с котлов на их вход,
– регулирующий клапан линии перепуска, подающий воду с выхода сетевых насосов непосредственно в напорный трубопровод с предварительным смешиванием с горячей водой после котлов,
– регулирующий клапан линии рециркуляции,
– насос подпитки в линии подпитки, обеспечивающий стабильное давление в обратном трубопроводе путем восполнения потерь теплового агента за счет подачи деаэрированной воды.
–дополнительными контурами являются контуры химводоочистки и водоподготовки, деаэрирования, подачи реагентов, удаления стоков, золоудаления, мазута и др.
Основных задач регулирования – две. Это регулирование выходных параметров пара и воды для потребителей и регулирование собственного тепловодяного баланса ТЭС. Для решения первой задачи регулируются выходные параметры – Твых, Нвых, Qвых, в обратном трубопроводе Тобр, Нобр, Qобр. Для решения второй задачи регулирования и обеспечения тепловодяного баланса регулируют следующие параметры:
Qк – расход воды через включенные котлы, что обеспечивает допустимый диапазон расходов через них.
Твх – температуру воды на входе в котлы с целью предотвращения образования конденсата на наружных поверхностях водяных труб внутри топок, так как конденсат является агрессивным.
Нобр – давление воды в обратном трубопроводе.
Структура контура регулирования может зависеть как от структуры самого объекта, так и от требований, предъявляемых к быстродействию в переходных и точности в статических режимах.
В тоже время технологическую схему ТЭС можно представить в виде взаимосвязанных локальных контуров регулирования, где объект регулирования представляется апериодическим звеном со значительной нелинейностью и большими постоянными времени. Выделим основные контуры регулирования ТЭС:
1. Контур регулирования температуры в напорном трубопроводе ТЭС
Включает в себя котел, коэффициент передачи которого по нагреву и постоянным времени являются переменными величинами, поскольку при разном числе параллельно работающих котлов температура в общем выходном коллекторе котлов Тк изменяется не пропорционально управляющему воздействию. Например, при одном котле ПТВМ 50 включение одной горелки увеличивает Тк примерно на 4оС с общим времени регулирования 4-5 мин, а при двух котлах – на значительно меньшее значение за счет большего суммарного расхода воды в общем коллекторе.
Результирующая температура воды в сети Тс зависит от долевых значений расходов воды после котла Тк и обратной воды Тобр. Дополнительно учитывается функция смешения потоков воды, определяющая изменение температуры на разнице температур в обратном трубопроводе. В общем случае, она должна отражать также колебательность в упругой среде. Для датчика температуры главным фактором служит его собственная постоянная времени Тдат, составляющая до 10 сек.
Нагрузка ТЭС от теплопотребляющих агрегатов может быть описана передаточной функцией охлаждения теплового агента. Она также нелинейна, если за возмущающее воздействие принять изменение температуры в теплопотребляющем агрегате и расход теплового агента, зависящий как от Тнагр и расхода. Постоянную времени охлаждения Тохл можно ориентировочно принимать 10-40 мин, но в каждом конкретном случае она зависит от протяженности и конфигурации теплопотребления и расхода теплового агента.
2. Контур регулирования напора на выходе с ТЭС
Контур регулирования напора Нвых можно представить в виде двух апериодических звеньев – сетевого насоса и гидравлических сопротивлений котлов и параллельной им линии перепуска. Обе передаточные функции будут нелинейны. Функции содержат квадратичную зависимость напора от частоты вращения. Постоянная времени Т определяется технологическими требованиями из условия плавного регулирования, ее значение составляет до 5 сек. Функция гидросопротивления нелинейна вследствие изменяющегося сопротивления в зависимости от угла открытия клапана линии перепуска. Динамические процессы узла смешения характеризуются очень малыми постоянными времени сжатия жидкой среды и по сравнению с другими показателями регулирования при синтезе регуляторов ими можно пренебречь, т.е. считать функцию пропорциональной.
3. Контур регулирования давления в обратном трубопроводе
Контур предназначен для восполнения утечек теплового агента (подпитки сети). Его передаточная функция по управляющему воздействию нелинейна по той же причине, что и для сетевого насоса – вследствие квадратичной взаимозависимости напора и частоты вращения электропривода. Коэффициент передачи Кобр также зависит от температуры, влияющей на давление в замкнутом трубопроводе с постоянным объемом воды. Возмущающим воздействием на Нобр является также давление в напорном трубопроводе Н. В стационарном режиме внешние возмущающие воздействия приводят к медленным процессам изменения давления, длительность которых измеряется минутами.
4. Контур регулирования температуры воды на входе в котлы
Передаточные функции этого контура отражают гидравлические процессы в узле соединения трубопроводов. Расход в линии рециркуляции Qрец и разность напоров Нрец и Нс связаны нелинейной функцией Фгидр, содержащей изменяющееся общее гидравлическое сопротивление параллельно включаемых котлов. В общем случае эта функция – колебательная с быстрым затуханием процесса.
Температура воды на входе в котлы Твх является функцией смешения двух потоков жидкости с разной температурой. Функция смешения одновременно зависит и от объемов потоков и от изменяющихся независимо одна от другой их температур Тк и Тобр, что свидетельствует о неопределенной нелинейности. Как в случае измерения температуры сетевой воды, постоянной времени, наиболее влияющей на процесс регулирования, является постоянная датчика температуры, составляющая примерно 10 сек.
Исполнительным механизмом служит рециркуляционный насос с регулирующим клапаном (или регулируемым электроприводом) и являющийся апериодическим звеном с постоянной времени примерно 3-5 сек, устанавливаемой преднамеренно для исключения резких изменений суммы расходов Q.
5. Контур регулирования расхода воды через котлы
Контур включает в себя регулирующий клапан с нелинейной функцией, определяющей расход в зависимости от угла открытия и перепада давления на его входе и выходе, определяемой из паспортных характеристик, а также функцией интегрирования угла открытия по управляющему воздействию. Как правило, длительность полного открытия клапана составляет примерно 63 сек, т.е. постоянная времени составляет примерно 20 сек. Именно эта постоянная является определяющей и учитывается при построении системы регулирования. Для обеспечения устойчивости и исключения колебательности внешнего контура необходимо встраивать внутренний контур регулирования угла открытия клапана со своей передаточной функцией Фрег.
Из анализа следует, что все объекты локальных контуров связаны между собой и являются нелинейными, а постоянные времени передаточных функций некоторых из них определяются собственными постоянными времени исполнительных механизмов.
Зачастую трудно определить прямые показатели состояния теплопотребляющих объектов, пригодных для задачи регулирования выходных показателей регулирования ТЭС. Тем не менее, можно принять, что наиболее приемлемым способом регулирования будет упреждающее изменение выходных показателей ТЭС.
Обычно для регулирования применяют изменение числа включенных горелок, котлов, сетевых насосов. Вследствие нелинейности объекта регулирования и значительных постоянных времени апериодических звеньев такой способ не практике реализуется с помощью режимных карт и температурных графиков, составленных на основе опыта многолетней эксплуатации.
6. Контур регулирования температуры сетевой воды
При построении САУ температуры сетевой воды используется проверенный практикой способ управления – задание на температуру формируется по основному возмущающему воздействию Твозм и линеаризованному температурному графику, заложенному в АСУ ТП.
7. Контур регулирования давления воды в напорном трубопроводе
Контур предназначен для стабилизации напора Нс независимо от расхода в теплопотребляющем агрегате, температуры или других характеристик. При этом необходима стабилизация перепада давления в напорном и обратном трубопроводе, но давление в обратном трубопроводе стабилизируется самостоятельным контуром регулирования, поэтому, с целью исключения колебательности, целесообразно осуществлять регулирование по величине Нс.
В процессе работы ТЭС формируется практически стационарный процесс с медленно изменяющимися характеристиками, поэтому требование быстродействия пока не учитывается (за исключением устройств аварийной отсечки). Инструкциями по эксплуатации рекомендуется плавное, пошаговое воздействие на регулируемые показатели с визуальным контролем результатов. Это обусловлено как динамическими качествами запорно-регулирующей арматуры, полное время изменения состояния которой по критерию «открыто -закрыто» составляет десятки секунд, так и порядком ввода в работу насосного оборудования – пуск на закрытую задвижку и последующее ее открытие. К контурам и системе регулирования в целом дополнительно предъявляются следующие требования:
– Отработка управляющих и возмущающих воздействий без перерегулирования и отсутствия колебаний или при быстром их затухании.
– Окончание колебательного процесса с установлением новых заданных показателей за время, удобное для визуального контроля (до 5 мин).
В этих условиях передаточной функцией обычно выбирают для регуляторов всех контуров регулирования пропорционально – интегрирующее или интегрирующее звено, с предпочтением интегрирующему звену, поскольку нет необходимости в компенсации постоянных времени объекта регулирования. Регулирование без статической ошибки является важным условием функционирования теплопотребляющих агрегатов. При наладке регуляторов и выборе параметров регуляторов ориентируются на наибольшую постоянную времени объекта в контуре регулирования.
ПОРЯДОК ВЫБОРА КЛАПАНОВ ДЛЯ КРИТИЧЕСКИХ КОНТУРОВ РЕГУЛИРОВАНИЯ
Выбор клапанов основывается на анализе критических контуров регулирования в соответствии с технологической схемой и проводится в следующей последовательности:
1. По результатам анализа технологической схемы выделяются контуры, где небольшие изменения параметров на входе приводят к непропорционально большому или малому изменению параметров на выходе. Эти контуры рассматриваются отдельно, и для них производится специальный выбор клапанов, способных работать в таких условиях.
2. Клапаны для этих контуров рассчитываются по специализированной программе расчета типа Neprof, Сonval и др.
3. Далее проводится их оптимизация для конкретных контуров регулирования в соответствии с особенностями работы контура и заданием от системы АСУ ТП.
3. Типовые схемы установки поворотной арматуры в технологических схемах
3.1. Черная металлургия
3.1.1. Клапаны пневмотранспорта флюса
Технологический процесс
В кислородно-конвертерном (кислородном) сталеплавлении, кислород сочетается с
углеродом и другими нежелательными элементами, ликвидация этих загрязнений из
расплавленной заготовки и преобразует его в сталь. Известь и плавиковый шпат помогают
унести примеси, в виде плавающего слоя шлака.

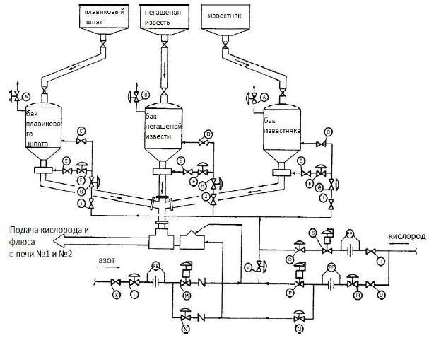
Рис. 3.1. Установка клапанов в технологической схеме пневмотранспорта кокса [3]
Q-Bop Flux Система впрыска
Номер модели и описание:
А. 4 "Wafer- sphere клапан с приводом VPVL
B. 8 "Wafer-sphere клапан с приводом VPVL
С. 3 "73050
D. 6 "73050 с М. А. приводом
Е. 2 "73050
F. 2 "73050 с приводом VPVL
G. 3 "73050 с приводом VPVL
I. 3 "73050
J. 6 "MA 73050 привод
К 8 "73050 с М. А. приводом
L. 8 "73050 с приводом VPVL
М. 4 "73050 с Quadra-Power приводом и позиционером
правление потоком азота
N. 6 "73050 с приводом VPVL
О. 3 "73050 с приводом VPVL
P. 6 "73050 с Quadra-Power приводом и позиционером
Q. правление потоком кислорода
Вопрос 6 "73050 с приводом VPVL
R. 8 "73050 с приводом VPVL
S. 2 "73050 с Quadra-Power приводом и позиционером
Управление потоком кислорода
Т. 6 "73050 с М. А. приводом
U. 10 "73050 с М. А. приводом
V. 6 "73050 с VPVL приводом.
3.1.2. Клапаны гидравлики, обеспечения воздухом и водяного охлаждения прокатного стана
Технологическая схема показана на рис.3.2.

Рис. 3.2. Схема установки арматуры в системе водяного охлаждения прокатного стана [3]

Рис. 3.3. Схема установки клапанов в гидравлической системе прокатного стана [3]
Технологический процесс
Функция прокатного стана – превращение стальных отливок или болванок в специфичную прокатную стальную продукцию. Некоторые вспомогательные операции, выполняемые основным прокатным станом, включают нарезку заготовок конкретной длины, обрезку, которая включает отрезание небольших кусочков с концов каждой заготовки с их последующей утилизацией, а также сбор и
сортировку отходов при выполнении данной операции. Три (3) формы заготовок, которые производятся на основном прокатном стане – это блюмы, слябы и заготовки. Блюмы обычно имеют круглую, квадратную или почти квадратную форму, в то время как слябы продолговатые, тонкие и относительно широкие. Заготовки имеют квадратную форму и имеют меньшее поперечное сечение, чем блюмы. В гидравлической системе для прокатного стана используются насосы и регулирующие клапаны для работы гидравлических цилиндров, выполняющих операции расстановки и подъема аналогично системе подачи воздуха. Жидкость для охлаждения подшипников используется в





