Подводка электроснабжения к дачному домику

- -
- 100%
- +

Подача энергии к потребителю
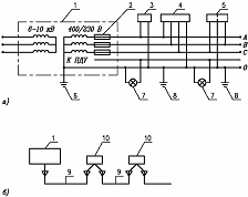
Электричество к дачному поселку проводят централизованно. К квартире и индивидуальному дому в городе или сельской местности, вилле или дачному домику электрическая энергия подводится при номинальном напряжении 220 В по отходящим линиям распределительной сети, которые берут начало на трансформаторной подстанции (ТП). К ТП электроэнергию подают в большинстве случаев трехфазным током по трехпроводным высоковольтным линиям при напряжении от 6 до 35 кВ, а отводят по трехфазным четырехпроводным: три провода фазных, четвертый – нулевой или нейтральный. В городах линии прокладывают кабелями в земле, в сельской местности – воздушными линиями (ВЛ). При этом неизолированные провода монтируют на фарфоровых или стеклянных изоляторах, укрепленных на деревянных, железобетонных или металлических опорах. В четырехпроводных электрических сетях нулевой провод обязательно заземляют. Заземление сооружают на ТП. Кроме того, через каждые 100–200 м по трассе отходящих ВЛ и на концевых опорах устраивают повторные заземления нулевого провода.
От четырех– или пятипроводной ВЛ, проходящей обычно вдоль сельской улицы, делают отводы к потребителям, распределяя нагрузки на каждую фазу более или менее равномерно. При двухпроводных (однофазных) ответвлениях этого достигают, чередуя их от каждой фазы ВЛ. Например, от первой фазы делают отвод к первому потребителю, от второй – ко второму, от третьей – к третьему, к четвертому – снова от первой и т. д. Другой провод каждого двухпроводного отвода присоединяют к нулевому проводу ВЛ.

Рис. 1. Схема подключения потребителей к воздушной (а) и кабельной (б) линиям:
1 – трансформаторная подстанция; 2 – предохранители иоли автоматические выключатели в фазных проводах А. В и С (в нулевом проводе защитные и коммутационные аппараты устанавливать запрещается; 3 – здание с двухпроводным однофазным вводом: фаза А или В (С) и нуль; 4 – здание с четырехпроводным трехфазным вводом; 5 – двухквартирный дом с трехпроводным ответвлением (однофазным вводом к каждой квартире); 6 – контур заземления подстанции; 7 – светильник уличного освещения; 8 – повторные заземлители по трассе; 9 – кабельная линия; 10 – вводное устройство (силовой ящик)
Встречаются также трех– и четырехпроводные ответвления: трехпроводные иногда делают к двухквартирным домам для электроснабжения двух потребителей от разных фаз с общим нулевым проводом, четырехпроводные – к многоквартирным домам, чтобы равномерно распределить по фазам нагрузки каждой квартиры. Чем равномернее распределены по фазам электрические нагрузки, тем меньше потери электроэнергии. Четырехпроводные ответвления выполняют также к потребителям, имеющим трехфазные электроприемники.
Электроприемники одно– и трехфазного тока
Раньше электричеством пользовались в быту только для освещения, а электрическая лампа – однофазный электроприемник, поэтому однофазный ток и получил широчайшее распространение у индивидуальных потребителей. Эта система электроснабжения потребителей онофазным током не вызывала затруднений с внедрением в обиход электронагревательных приборов, радиоэлектронной аппаратуры и приборов культурно-бытового назначения, так как на потребительские свойства этих приборов она не влияет.
Конец ознакомительного фрагмента.
Текст предоставлен ООО «ЛитРес».
Прочитайте эту книгу целиком, купив полную легальную версию на ЛитРес.
Безопасно оплатить книгу можно банковской картой Visa, MasterCard, Maestro, со счета мобильного телефона, с платежного терминала, в салоне МТС или Связной, через PayPal, WebMoney, Яндекс.Деньги, QIWI Кошелек, бонусными картами или другим удобным Вам способом.








