Все науки. №7, 2022. Международный научный журнал

- -
- 100%
- +
В 1999—2000 гг. за счет средств Фонда сотрудничества по экономическому развитию Республики Корея (ЕDCF) осуществлены техническое перевооружение и развитие сети телекоммуникаций в Андижанской и Ферганской областях, построены ВОЛС протяженностью 354 км, установлено коммутационное оборудование емкостью 46 тыс. номеров.
Широкое применение волоконно-оптических телекоммуникационных систем в сетях связи обусловлено рядом их преимуществ по сравнению с электрически кабельными системами связи.
На основе этого можно выделить следующие основные преимущества волоконно-оптической линии по сравнению с электрическими кабельными системами связи:
– огромная полоса пропускания со скоростями передачи до 40 Гбит/с, действующими уже сегодня, и свыше 100 Гбит/с, ожидающимися в ближайшем будущем. Факторами, ограничивающими рост скоростей передачи, в настоящее время являются инерционные свойства приемников и источников излучения. Однако применение метода спектрального уплотнения (WDM, wave division multiplexing) увеличивает общую скорость передачи по одному волокну до нескольких Отбыт/с;
– на волоконно-оптические кабели совершенно не воздействуют электромагнитные помехи, молнии и скачки высокого напряжения. Они не создают никаких электромагнитных или радиочастотных помех;
– обеспечение полной гальванической развязки между приемником и передатчиком информации, а также отсутствие короткого замыкания в линии передачи;
– расстояние передачи информации для не дорогостоящих волоконно-оптических кабелей между повторителями до 5 км. Для высококачественных коммерческих систем расстояния между повторителями до 300 км. В лабораторных условиях достигнуты расстояния, близкие к 1000 км;
– размер и вес волоконно-оптических кабелей по сравнению со всеми другими кабелями для передачи данных, очень малы в диаметре и чрезвычайно легки. Четырехжильный волоконно-оптический кабель весит примерно 240 кг/км, а 36-основный оптоволоконный кабель весит лишь на 3 кг больше.
Из вышеперечисленного следует, что ВОЛС отвечают по всем требованием современным телекоммуникационным системам связи. В связи с этими многие специалисты по телекоммуникационным технологиям утверждают, что ВОЛС станут в будущем главным средством передачи информации. Однако с ростом применения волоконно-оптических линий передачи информации в телекоммуникационных системах и их развитием, так же развиваются технические системы информационной разведки, с помощью которых производится негласный съём информации из ВОЛС.
Во всем мире для обеспечения информационной безопасности — состояния защищенности информационной среды общества, обеспечивающее ее формирования, использования и развития в интересах граждан, организаций, государства уделяются большое внимание.
Поэтому разработка эффективных методов и технических средств для защиты информации в ВОЛС является одной из актуальных задач.
Для защиты информации в ВОЛС обычно используется конструкционные, механические и электрические технические средства. Одни из видов средств защиты этой группы построены так, чтобы затруднить механическую разделку кабеля и воспрепятствовать доступу к ОВ [1]. Подобные средства защиты широко используются и в традиционных проводных сетях специальной связи. Также перспективным представляется использование пары продольных силовых элементов ОК, которые представляют собой две стальные проволоки, размещенные симметрично в полиэтиленовой оболочке, и используемые для дистанционного питания и контроля датчиков, установленных в муфтах, и контроля НД. Целесообразно также применение комплекта для защиты места сварки, который заполняет место сварки непрозрачным затвердевающим гелем. Одним из предложенных методов защиты является использование многослойного оптического волокна со специальной структурой отражающих и защитных оболочек [2]. Конструкция такого волокна представляет собой многослойную структуру с одномодовой сердцевиной. Подобранное соотношение коэффициентов преломления слоев позволяет передавать по кольцевому направляющему слою многомодовый контрольный шумовой оптический сигнал. Связь между контрольным и информационным оптическими сигналами в нормальном состоянии отсутствует. Кольцевая защита позволяет также снизить уровень излучения информационного оптического сигнала через боковую поверхность ОВ (посредством мод утечки, возникающих на изгибах волокна различных участков линии связи). Попытки проникнуть к сердцевине обнаруживаются по изменению уровня контрольного (шумового) сигнала или по смешению его с информационным сигналом. Место НД определяется с высокой точностью с помощью рефлектометра.
Методам и средствам защиты информации в ВОЛС посвящены много работ, в том числе в работе [3] для защиты информации контролируют величину неоднородности распространения по кабелю электромагнитного излучения в радиочастотном диапазоне, который вводят в волноводный канал с постоянным по длине волновым сопротивлением, выполненный в виде электропроводящей оболочки, охватывающей по крайней мере один электронный проводник, расположенный вдоль волокон, а о наличии несанкционированного доступа к передаваемой по волокнам информации судят по изменению величины неоднородности распространения электромагнитного излучения в радиочастотном диапазоне. Система защиты содержит комбинированный кабель и фиксатор изменения параметров распространения электромагнитного излучения радиочастотного диапазона, подключенный к электронным проводнику.
Предложен способ защиты информации от несанкционированного доступа в волоконно-оптических линиях связи и может быть использовано в волоконно-оптических системах передачи конфиденциальной информации.
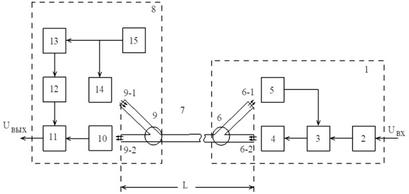
На рис 1. показана блок-схема устройства, реализующего предлагаемый способ защиты информационного сигнала от несанкционированного доступа в волоконно-оптической линии связи. Устройство, реализующее предлагаемый способ защиты информационного сигнала от несанкционированного доступа в волоконно-оптической линии связи, содержит: на передающей стороне 1 формирователь 2 информационного сигнала, смеситель 3, источник 4 передаваемого оптического излучения, фотодетектор 5 шумового сигнала, направленный ответвитель 6 с входами 6—2 и выходом 6—1, волоконно-оптической линии 7 связи, на приемная 8 стороне направленный 9 ответвитель с входами 9—1 и выходом 9—2, фотодетектор 10 суммарного сигнала, смеситель 11, линии задержки 12, формирователь 13 инверсного шумового сигнала, источник 14 шумового оптического излучения и генератор15 шумового сигнала.
При осуществлении предлагаемого способа защиты информационного сигнала от несанкционированного доступа в волоконно-оптической линии связи выполняют следующие операции:
– на приемной стороне 8 волоконно-оптической линии 7 связи:
1) формируют с помощью генератора 15 шумовой сигнал,
2) формируют с помощью инвертора 13 инверсный шумовой сигнал,
3) с помощью линии задержки 12 производят задержки инверсного шумового сигнала на время,
4) модулируют шумовым сигналом передаваемое шумовое оптическое излучение в источнике 14 оптического излучения,
5) вводят через вход 9—1 направленного ответвителя 9, в волоконно-оптическую линию 7 связи передаваемое шумовое оптическое излучение,
– на передающей стороне 1 волоконно-оптической линии 7 связи:
1) формируют с помощью формирователя 2 передаваемый информационный сигнал,
2) выводят через выход 6—1 направленного ответвителя 6, из волоконно-оптической линии
7 связи принятого шумового оптического излучения,
3) из принятого шумового оптического излучения с помощью фотодетектора 5 формируют шумовой сигнал,
4) формируют суммарный сигнал путем смешения с помощью смесителя 3 информационного и шумового сигнала,
5) модулируют суммарным сигналом передаваемое оптическое излучение в источнике 4 передаваемого оптического излучения,
6) вводят через вход 6—2 направленного ответвителя 6, в волоконно-оптическую линию 7 связи передаваемое оптическое излучение,
– на приемной стороне 8 волоконно-оптической линии 7 связи:
1) выводят через выход 9—2 направленного ответвителя 9 из волоконно-оптической линии 7 связи принятое оптическое излучение,
2) из принятого оптического излучения с помощью фотодетектора 10 формируют суммарный сигнал,
3) смесителем 11 путем смещения к суммарногосигнала задержанный инверсный шумовой сигнал выделяют информационный сигнал
При использовании предлагаемого способа защиты информационного сигнала от несанкционированного доступа в волоконно-оптической линии связи в котором до формирования суммарного сигнала на приемной стороне формируется шумовой сигнал который передается к передающей стороне волоконно-оптической линии связи для смешивания к информационного сигнала.
На приемной стороне в процессе смещения к суммарного сигнала задержанный инверсный шумовой сигнал происходит полного фазового совпадении шумового и его инверсного сигнала. В результате которого шумовой сигнал полностью компенсируется, выделяются информационный сигнал и обеспечивается защита информации в волоконно-оптической линии связи от несанкционированного доступа.

Рис 1. Блок-схема устройства
Способ защиты информационного сигнала от несанкционированного доступа в волоконно-оптической линии связи, заключающийся в том, что на передающей стороне волоконно-оптической линии связи формируют информационный сигнал, формируют суммарный сигнал путем смешивания шумового и информационного сигнала, формируют путем модуляции суммарным сигналом подлежащего передаче оптического излучения и вводят в волоконно-оптическую линию связи, а на приемной стороне волоконно-оптической линии связи выводят из нее принимаемое оптическое излучение, из принятого оптического излучения формируют суммарный сигнал из которого выделяют информационный сигнал отличающийся тем, что до формирования суммарного сигнала на приемной стороне формируют исходный и инверсный шумовой сигнал, модулируют исходным шумовым сигналом оптического излучения и вводят в волоконно-оптическую линию связи, а на передающей стороне волоконно-оптической линии связи выводят из нее принимаемое оптическое излучение, из принятого оптического излучения формируют шумовой сигнал который подлежит к смещению информационного сигнала, а выделения информационного сигнала на приемной стороне производят путем смешение задержанного инверсного шумового сигнала к суммарным сигналом причем время задержки инверсного шумового сигнала определяется выражением, где: L-длина оптического волокна; v-скорость оптического излучения в оптическом волокне.
Литература
1.Корольков, И. А. Кращенко, В. Г. Матюхин, С. Г. Синев. Проблемы защиты информации, передаваемой по волоконно-оптическим линиям связи, от несанкционированного доступа/ Информационное общество, 1997, вып. 1, с. 74—77
2.А. В. Боос, О. Н. Шухардин. Анализ проблем обеспечения безопасности информации, передаваемой по оптическим каналам связи, и путей их решения.//Информационное противодействие угрозам терроризма: научн-практ. Журн. /ФГПУ НТЦ, Москва. 2005, №5. С. 172180.
3.К.Е.Румянцев, И.Е.Хайров. Защита информации, передаваемой по светодиодным линиям связи..//Информационное противодействие угрозам терроризма: научн-практ. Журн. /ФГПУ НТЦ, Москва. 2004, №2. С. 27 – 32.
КОМПЬЮТЕРНАЯ МОДЕЛЬ МИКРО-ГЭС С ИСПОЛЬЗОВАНИЕМ ПОТЕНЦИАЛЬНОЙ ЭНЕРГИИ ГЕОТЕРМАЛЬНЫХ ВОД
УДК 004.94
Кулдашов Оббозжон Хокимович
Доктор технических наук, профессор Научно-исследовательского института «Физики полупроводников и микроэлектроники» при Национальном Университете Узбекистана
Дадажонов Туланбой
Старший преподаватель кафедры «Электроника и приборостроение» Ферганского политехнического института
Ферганский политехнический институт
Аннотация. Разработана модель совместной работы микро – ГЭС и объекта геотермальной воды, с учётом их основных технико-технологических характеристик в широком диапазоне эксплуатационных условий, в том числе скорости вращения ротора, напряжение возбуждения генератора, фазные токи генератора и выходные напряжения в целом.
Ключевые слова: микро – ГЭС, модель, блок HydraulicTurbine and Governor (HTG), вращения ротора, напряжение возбуждения генератора, фазные токи генератора и выходные напряжения.
Annotation. A model of joint operation of a micro – hydroelectric power plant and a geothermal water facility has been developed, taking into account their main technical and technological characteristics in a wide range of operating conditions, including rotor rotation speeds, generator excitation voltage, generator phase currents and output voltages in general.
Keywords: micro – hydroelectric power plant, model, HydraulicTurbine and Governor (HTG) unit, rotor rotations, generator excitation voltage, generator phase currents and output voltages.
Модель микроГЭС состоящая из гидравлической турбины и синхронного генератора представлена на рис.1. Блок Hydraulic Turbine and Governor (HTG) является моделью гидравлической турбины с системой регулирования. Система регулирования включает пропорционально-дифференциальный (ПИД) регулятор и управляющий сервомотор [1]. Общая схема модели показана на рис. 2.

Рис.1. Модель микроГЭС

Рис. 2. Модель системы регулирования
На первые два входа блока подаются требуемые значения угловой частоты ращения (wref) и мощности (Pref). На третий и четвертый входы блока поступает фактические значения угловой частоты вращения (we) и активной мощности Ре). На пятый вход подается отклонение угловой частоты вращения ротора синхронного генератора (dw). Выходными сигналами являются механическая мощность, которая должна подаваться на соответствующий вход блока синхронной машины (Рm), и величина открытия затвора гидротурбины (gate). Входы 2 и 4 могут оставаться неподключенными, если в качестве обратной связи будет использоваться сигнал о положении затвора, а не отклонении частоты вращения. Ice входные и выходные величины измеряются в относительных единицах.
Сама гидравлическая турбина моделируется нелинейной системой, показанной на рис. 3.

Рис. 3. Модель гидравлической турбины
Серводвигатель, управляющий затвором турбины, моделируется системой второго порядка (рис.4).

Рис. 4. Модель серводвигателя
Окно задания параметров блока Hydraulic Turbine and Governor (HTG) показана на рис.5.

Рис.5. Окно задания параметров блока Hydraulic Turbine and Governor
Параметры блока (HTG) :
Servo-motor [Ka () Та (sec)]:
[Параметры серводвигателя] Параметры модели серводвигателя: коэффициент усиления Ка и постоянная времени Та.
Gate opening limits [gmin, gmax (pu) vgmin, vgmax (pu/s)]:
[Пределы регулирования затвора gmin, gmax (o.e.) vgmin, vgmax (o.e./c)]. Максимальное и минимальное значения координаты затвора gmin, gmax (o.e.), а также максимальное и минимальное значения скорости перемещения затвора vgmin, vgmax (o.e./c).
Permanent droop and regulator [Rp () Kp () Ki () Kd () Td (s)]:
[Параметры регулятора]. Коэффициент передачи в цепи обратной связи регулятора Rp, коэффициенты усиления пропорциональной (Кр) и интегральной (Ki) части ПИД-регулятора, коэффициент усиления (Kd) реального дифференцирующего звена ПИД-регулятора и его постоянная времени (Td).
Hydraulic turbine [beta () Tw (sec)]:
[Параметры гидравлической турбины beta () Tw (с)]. Коэффициент демпфирования отклонения угловой частоты вращения beta и постоянная времени модели гидравлической части турбины Tw (с).
Конец ознакомительного фрагмента.
Текст предоставлен ООО «ЛитРес».
Прочитайте эту книгу целиком, купив полную легальную версию на ЛитРес.
Безопасно оплатить книгу можно банковской картой Visa, MasterCard, Maestro, со счета мобильного телефона, с платежного терминала, в салоне МТС или Связной, через PayPal, WebMoney, Яндекс.Деньги, QIWI Кошелек, бонусными картами или другим удобным Вам способом.





