Энциклопедия «Техника» (с иллюстрациями)

- -
- 100%
- +

Автопогрузчик
АВТОПÓЕЗД, транспортное средство, состоящее из тягача и прицепного звена. Используется для повышения производительности грузовых перевозок, а также для транспортировки крупногабаритных и длинномерных грузов. В качестве прицепного звена используются прицепы, полуприцепы и другие безмоторные транспортные средства. Прицепы и полуприцепы могут иметь ведущие оси (активные оси) с приводом от двигателя тягача. Для обозначения автопоезда применяются опознавательные знаки – три фонаря жёлтого цвета, установленные в ряд на крыше кабины тягача.

Автопоезд
АВТОСТÓП, система путевых и локомотивных устройств, которая включается и останавливает поезд в том случае, если машинист по какой-либо причине не заметил и проехал запрещающий сигнал светофора. Автостоп может действовать в определённых точках пути (такой автостоп называют точечным). «Точками» являются места установки светофоров в системе автоблокировки. Одна из первых систем механического автостопа с автоматической локомотивной сигнализацией, дублирующей показания светофора в кабине машиниста, была разработана в СССР в 1937 г. Она получила высшую награду – Гран-при на Всемирной выставке в Париже (1937). Автостопами в России оборудованы все линии метрополитена.
«АВТОСТÓП», вид туризма, когда турист путешествует попутным транспортом, чаще всего – автомобильным. Человек, пользующийся «автостопом», называется «автостопщиком» или «хичхайкером» (от английского hitch-hiking – бесплатное путешествие на автомобиле). Останавливая попутный автомобиль («попутку»), он «голосует» на дороге рукой с поднятым большим пальцем. Существуют спортивные клубы «автостопщиков». Их члены организуют путешествия, в т. ч. и международные, а также устраивают соревнования («гонки») на скорость передвижения по определённому маршруту с использованием «автостопа».
АВТОСЦÉПКА, автоматически действующее устройство, с помощью которого вагоны соединяются между собой и с локомотивом. Автосцепка служит также для амортизации соударения вагонов при движении, остановках и при манёврах. Автосцепка состоит из двух механизмов, симметрично размещаемых на торцах вагонов (локомотивов). Соединение частей автосцепки происходит без участия человека – при соударении вагонов половинки сцепки автоматически соединяются и удерживаются в таком положении специальным устройством, называемым замкодержателем. Расцепляют механизмы автосцепки вручную при помощи расцепного привода, рукоятка которого находится сбоку вагона. Таким образом автосцепка обеспечивает полную безопасность сцепщиков при составлении поездов. На российских железных дорогах автосцепка вагонов и локомотивов впервые применена в 1932 г., а в 1935—57 гг. на автосцепку был переведён уже весь подвижной состав.
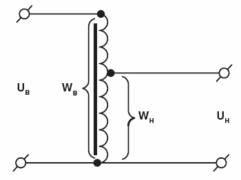
АВТОТРАНСФОРМÁТОР, электрический трансформатор, имеющий одну обмотку с несколькими выводами для подключения к источнику переменного тока и к нагрузке. Для понижения напряжения источник тока (первичное напряжение) подключается ко всей обмотке, а вторичное напряжение (для нагрузки) снимается с части её витков (между отводом и одним из крайних выводов обмотки). Для повышения напряжения сеть и нагрузка подключаются соответственно к части обмотки и ко всей обмотке. В автотрансформаторе как вся обмотка в целом, так и каждая её часть электрически соединяются с источником питания (или электрической сетью), что создаёт опасность поражения электрическим током при прикосновении к проводникам или выводам автотрансформатора. Мощные автотрансформаторы применяются для связи электрических цепей, имеющих близкие значения напряжений, маломощные (часто регулируемые плавно или ступенчато) – в лабораторной практике.

Электрическая схема автотрансформатора:
UВ – высокое напряжение; WВ – обмотка высокого напряжения; UН – низкое напряжение; WН – обмотка низкого напряжения
АГЛОМЕРАЦИÓННАЯ МАШИ́НА, установка ленточного (конвейерного) типа, предназначенная для производства агломерата. Первая ленточная агломерационная машина конструкции А. Дуайта и Р. Ллойда (США) была введена в эксплуатацию в 1911 г. Ленточная машина представляет собой замкнутую цепь движущихся спекательных тележек-паллет, перемещающихся по рельсам. На стальной раме каждой паллеты монтируют три ряда колосников. Таким образом, паллета представляет собой движущуюся колосниковую решётку. На неё укладывается агломерационная шихта. Топливо, входящее в состав шихты, воспламеняется с помощью газового горна. Процесс горения топлива и спекания агломерата происходит вследствие просасывания воздуха через спекаемый слой с помощью вентилятора (эксгаустера), создающего разрежение под колосниковой решёткой.

Агломерационная машина
АГЛОМЕРÁЦИЯ железорудных материалов, основной способ окускования мелкодисперсных железорудных материалов и железосодержащих отходов производства. Изобретённый в 1887 г. Ф. Геберлейном и Т. Хантингтоном (Англия), процесс первоначально использовался в цветной металлургии для окускования сульфидных руд. Для обработки железных руд он был впервые применён в 1906 г. А. Дуайтом и Р. Ллойдом (США).
В шихту агломерационного процесса, помимо железорудных материалов, входят флюсующие добавки (как правило, известняк и доломит) и твёрдое топливо (коксовая мелочь и плотный каменный уголь – антрацитовый «штыб»). В процессе агломерации достигаются температуры 1500–1600 °C, при которых шихтовые материалы плавятся, а затем в ходе охлаждения кристаллизуются (затвердевают) с образованием агломерационного «пирога». Для получения кусков размером 10–40 мм агломерационный «пирог» подвергают дроблению. Агломерат – продукт агломерации, основной вид железорудных материалов, используемых при производстве чугуна. Содержание железа в агломерате составляет от 55 до 65 %.
АГРИ́КОЛА (agricola) Георг (настоящая фамилия Бауэр) (1494–1555), немецкий учёный в области горного дела, минералогии и металлургии. На основе изучения трудов античных авторов по геологии, а также собственных наблюдений обобщил и систематизировал опыт горного производства и заложил научные основы поисков месторождений полезных ископаемых, их разработки, обогащения руд, пробирного анализа и металлургии. Описал 20 новых минералов, предложил методы определения минералов по внешним признакам. Его сочинение «О горном деле и металлургии» (12 книг, 1550 г.) служило практическим пособием вплоть до 18 в. Как врач одним из первых проследил влияние условий труда на здоровье работающих.

Г. Агрикола
АДМИНИСТРАТИ́ВНЫЙ САМОЛЁТ, небольшой самолёт (на 6—20 пассажиров), предназначенный для перевозки официальных лиц, бизнесменов, представителей фирм и компаний, а также принадлежащих этим организациям грузов. От обычных пассажирских самолётов отличается более комфортабельной кабиной-салоном, оборудованной аудио – и видеоаппаратурой, средствами спутниковой связи, персональными компьютерами и другой техникой, необходимой для работы во время полёта. Нередко в салоне самолёта отдельно выделяют личные кабинеты и комнаты для отдыха. Как правило, административные самолёты являются собственностью организаций, а экипажи состоят в их штатах. Административные самолёты получили распространение в 1950-х гг. в США, Канаде, Франции, Бразилии, а затем и в других странах. Наиболее популярны административные самолёты авиационных фирм «Бич», «Цесна», «Гольфстрим аэроспейс», «Лирджет» (США), «Канадэр» (Канада), «Дассо авиасьон» (Франция), «Бритиш аэроспейс» (Великобритания).

Административный самолёт «Гжель»
АКАДЕМИ́ЧЕСКИЕ СУДÁ, лёгкие спортивные гребные суда с узкими, удлинёнными корпусами, вращающимися уключинами, размещёнными на выносах (кронштейнах) с внешней стороны корпуса, и продольно-подвижными банками (сиденьями). Различают гоночные и учебные виды академических судов. Каждый из видов в зависимости от количества гребцов делится на классы (одиночки, двойки, четвёрки, восьмёрки), которые, в свою очередь, могут быть разряда «клинкер» или «скиф». Разряд судна определяется конструктивными особенностями обшивки: у «скифов» обшивка безнаборная, выполненная из фанеры и шпона, у «клинкера» обшивка делается наборной – из досок, собранных внакрой или встык. Учебные суда, в отличие от гоночных, имеют большую прочность, массу и большую ширину (обеспечивающую большую остойчивость).
Академические суда могут строиться для распашной или парной гребли. При распашной гребле спортсмен гребёт одним веслом, а при парной – двумя вёслами. Все суда, кроме одиночки и двойки парной, имеют рулевое устройство. Академические суда различают по размерам и количеству посадочных мест. Напр., длина одиночки – 8 м, двойки распашной с рулевым – 11 м, четвёрки распашной без рулевого – 12.8 м, а восьмёрки – 18.5 м.
Академическое судно (лодка) состоит из корпуса, рулевого устройства, оборудования и принадлежностей. Корпус судна состоит из продольных (киль и привальные брусья) и поперечных (силовые шпангоуты – костыли и лекальные шпангоуты) связей, обшивки бортов, днища и палубы. Обшивка гоночных судов делается гладкой, из водостойкой фанеры, снаружи покрывается нитролаками или стеклотканью, пропитанной нитролаком, и имеет зеркальную поверхность. Рулевое устройство состоит из пера с баллером и штуртроса – стального или капронового шнура. Оборудование академических судов состоит из выносных уключин, подвижных банок и перестанавливающихся подножек. К арматуре академических судов относятся волноотражатели, оковки форштевня и рулевого устройства, литой резиновый шар, устанавливаемый на форштевне, гнездо для вымпела и др. Вёсла академических судов делятся на парные и распашные. Весло справа от гребца называется правым или загребным, слева – левым или баковым. Весло имеет строго определённую форму и состоит из рукоятки, стержня, шейки и лопасти с оковкой на конце, а также манжеты и каблука, устанавливаемых между рукояткой и стержнем. Манжета входит в уключину, каблук обеспечивает нужное соотношение длин рукоятки и стержня. Рукоятка, стержень, шейка и лопасть делаются цельными и склеиваются из реек древесины. Манжеты – кожаные или пластиковые, каблук – из алюминия или капрона. Размеры и масса вёсел для академических судов: распашное – масса 3.7–4.0 кг, длина 3750–3900 мм, ширина лопасти 160–200 мм; парное – масса 2.0–2.2 кг, длина – 3000–3200 мм, ширина лопасти 160–180 мм.
Академические суда как тип спортивных судов сформировались в 19 в. Уже в 1830 г. англичанин Гласнер применил металлические выносы. К 40-м гг. сложились классы судов: восьмёрка, четвёрка распашная с рулевым, двойка парная и распашная с рулевым, одиночка без рулевого. В 1844 г. в Англии появляется конструкция «скиф». С 1871 г. стали применяться подвижные банки. С сер. 40-х гг. 19 в. устанавливаются вращающиеся уключины. Начиная с 80-х гг. основное внимание уделяется совершенствованию обводов корпуса и облегчению конструкции судна. Академические суда, построенные в кон. 19 в., по ходовым качествам мало в чём уступают современным судам.
АКВАЛÁНГ, легководолазное снаряжение с открытой схемой дыхания, в котором свежий воздух непрерывно подаётся человеку из баллонов через дыхательный автомат, а выдох осуществляется в воду. Изобретение Ж. Кусто и Э. Ганьяна (1943 г., Франция). Акваланг получил широкое распространение благодаря простоте использования и высокой надёжности при выполнении подводных исследований, на судах, спасательных станциях, в спортивных целях, для подводной охоты и отдыха и др.
Основными элементами акваланга являются баллоны сжатого воздуха, закреплённые ремнями за спиной пловца, дыхательный автомат, обеспечивающий подачу воздуха из баллонов при вдохе и выпуск выдыхаемого воздуха в воду, редуктор, понижающий давление воздуха после выхода из баллонов. В отличие от аппаратов с замкнутым циклом дыхания, в акваланге исключается возможность изменения нормального давления кислорода и накопления углекислоты, и как следствие – кислородное и углекислотное отравления. Акваланг обычно применяется для дыхания под водой на глубинах до 40 м, т. к. погружение на большую глубину связано с опасностью гипербарического (азотного) наркоза. Наркотическое действие азота может развиваться с глубин 20–25 м, но чаще оно наблюдается при погружении на глубину более 40 м. Выпускаются десятки разновидностей аквалангов, которые отличаются вместимостью баллонов (от 1 до 10 л), максимальным давлением воздуха (от 20 до 60 МПа), максимальной глубиной погружения пловца (от 20 до 60 м) и др. Акваланги в зависимости от модификации могут использоваться без гидрокомбинезона или с гидрокомбинезонами разных моделей, а именно с открытой лицевой частью, со шлемом, с маской. Плавучесть аквалангиста регулируется при помощи грузов и поддерживается близкой к нулевой, а при работе на грунте – отрицательной.

Акваланг:
1 – баллоны с воздухом; 2 – дыхательный автомат; 3 – оголовье; 4 – ремни крепления
АКВЕДУ́К, специально сооружённый водовод, по которому вода течёт сама, без дополнительных приспособлений, из расположенного выше источника. Акведуком называют также мост над оврагом, рекой, долиной, построенный не для езды по нему, а для подачи воды. Первые подземные и надземные акведуки строились уже во времена крито-микенской цивилизации в 17–15 вв. до н. э.
С 4 в. до н. э. сохранилась часть водопроводной системы Древнего Рима, общая длина которой составляла 436 км, из которых 55 км – мостовые сооружения. Некоторые из акведуков, дошедшие до наших дней, поражают воображение. Таков, напр., Пон-дю-Гар неподалёку от французского г. Нима. Возведённый из трёх рядов каменных арок, установленных друг на друга, он перебрасывает воду через 270-метровую долину р. Гардон на высоте 49 м. Существуют и поныне действующие акведуки – напр., акведук близ Сеговии в Испании исправно снабжает город водой начиная с 109 г. н. э. Современные акведуки строятся в основном на оросительных системах и для пропуска воды над другими инженерными сооружениями, напр. над горными автомобильными или железными дорогами.

Акведук
АККУМУЛЯ́ТОР ЭЛЕКТРИ́ЧЕСКИЙ, гальванический элемент многоразового использования, в котором происходит накопление электрической энергии за счёт превращения в химическую с целью дальнейшего использования после обратного преобразования из химической в электрическую. Аккумуляторы состоят из положительного электрода – анода, отрицательного электрода – катода и электролита. Самый распространённый в наши дни свинцовый аккумулятор содержит две группы свинцовых пластин (2 электрода), покрытых оксидом свинца, опущенных в электролит – разбавленную серную кислоту. При подключении аккумулятора к источнику постоянного тока на электроде, присоединённом к аноду источника тока, из электролита выделяется кислород, который окисляет оксид свинца в пероксид свинца. На электроде, подключённом к катоду источника тока, выделяется водород, восстанавливающий оксид свинца в чистый свинец. Этот процесс называется зарядкой аккумулятора, на него расходуется электрическая энергия. Но она не исчезает бесследно, а переходит в химическую энергию, в результате между электродами образуется разность потенциалов. При разряде аккумулятора происходит обратный процесс: аккумулятор отдаёт запасённую электрическую энергию, а на пластинах-электродах вновь образуется оксид свинца.
Пластины аккумулятора не обязательно делать из свинца. Широко применяются такие пары химически различных металлов, как кадмий и никель, железо и никель, серебро и цинк. Отличаются аккумуляторы и составом электролита – напр., используется не кислота, а щёлочь.
Аккумуляторы и аккумуляторные батареи применяют в качестве автономных источников электроэнергии на транспорте, в навигационных приборах, космических аппаратах, радиоэлектронной аппаратуре, в бытовых и медицинских приборах и др.

Аккумулятор:
1 – электролит; 2 – электроды; 3 – корпус
АКТИ́ВНАЯ ЗÓНА ядерного реактора, часть пространства внутри ядерного реактора, где размещается ядерное топливо (тепловыделяющие элементы); в активной зоне протекает контролируемая цепная реакция деления ядер тяжёлых элементов (урана, плутония), сопровождающаяся выделением большого количества теплоты. Тепловыделяющие элементы находятся в активной зоне обычно в виде блоков или стержней. Пространство вокруг тепловыделяющих элементов и между ними заполнено замедлителем – материалом, тормозящим нейтроны. Выделяющиеся из ядер нейтроны имеют большую скорость; при торможении замедлителем их кинетическая энергия превращается в тепловую. В качестве замедлителей нейтронов чаще всего применяют графит, обычную и тяжёлую воду, органические жидкости. Через активную зону проходит также теплоноситель, который служит для отвода выделяющегося тепла. Это могут быть вода, водяной пар, инертный газ, жидкий металл (напр., натрий), которые омывают тепловыделяющие элементы и уносят тепло для дальнейшего использования (напр., в парогенераторе). Чаще всего активная зона имеет вид цилиндра, окружённого отражателем нейтронов и мощной многослойной защитной оболочкой.
АКУСТИ́ЧЕСКАЯ СИСТÉМА, устройство для воспроизведения звука, состоящее обычно из нескольких громкоговорителей, размещённых в одном общем корпусе. Акустические системы входят в комплекты большинства электрофонов, магнитофонов и музыкальных центров, широко применяются в сочетании с электромузыкальными инструментами, а также в составе звуковоспроизводящей аппаратуры в кинотеатрах и концертных залах.
К основным показателям, характеризующим акустические системы, относятся номинальная мощность и диапазон воспроизводимых частот. Номинальная мощность определяет максимальную громкость звука, воспроизводимого без искажения. Выпускаются акустические системы мощностью от 2 до 100 Вт и более. Номинальную громкость звука в комнате средних размеров обеспечивают акустические системы мощностью 2–4 Вт. Но лучше пользоваться более мощными системами (10–20 Вт), т. к. при той же средней громкости звучания они позволяют воспроизводить больший диапазон громкости звука без искажений. От диапазона воспроизводимых звуковых частот зависит качество звучания, возможность воспроизведения звуковых оттенков.
Изготовление громкоговорителей, способных в одиночку воспроизводить весь диапазон звуковых частот, технически сложно и дорого. Поэтому акустические системы комплектуют двумя-тремя громкоговорителями, каждый из которых воспроизводит звуки своего частотного диапазона (полосы частот). Так, двухполосная акустическая система обычно содержит два громкоговорителя с диапазонами частот, напр., 25 Гц – 5 кГц и 3 кГц – 15 кГц, трёхполосная система – три громкоговорителя с диапазонами частот 18 Гц – 1 кГц, 500 Гц – 5 кГц и 3 кГц – 18 кГц. Некоторые акустические системы (их называют активными), помимо громкоговорителей, содержат усилители электрических колебаний с элементами коррекции уровня звука в разных частных диапазонах.
АКУСТИ́ЧЕСКИЕ МАТЕРИÁЛЫ, предназначаются для снижения уровня шума в помещениях. Подразделяются на звукопоглощающие и звукоизоляционные. Звукопоглощающие материалы применяют чаще всего для обшивки стен и потолков внутри зданий. По характеру поглощения звука они делятся на пористые (лёгкий бетон, пеностекло) и пористо-упругие (минеральная вата, стекловолокно, асбестоцемент, древесноволокнистые плиты и т. д.). Звукоизоляционные материалы применяют гл. обр. в виде прослоек в перекрытиях, во внутренних, наружных стенах и перегородках для гашения ударных шумов, проникающих через перекрытие (напр., при хождении по полу), вибрации (от работы машин) и т. д. Это, как правило, эластичные рулонные или плиточные материалы на основе минеральной ваты, стекловаты, асбестового картона, резины и т. п.
АЛГОРИ́ТМ, способ (программа) решения вычислительных и других задач, точно предписывающий, как и в какой последовательности получить результат, однозначно определяемый исходными данными. Слово «алгоритм» происходит от имени узбекского математика Мухаммеда аль-Хорезми (латинизированное Algorithmi), жившего в 9 в. Алгоритм – одно из основных понятий математики и кибернетики. В вычислительной технике для описания алгоритма используются языки программирования. Однако алгоритм – это не только чисто математическое понятие. Каждый человек ежедневно решает задачи, для выполнения которых используется тот или иной алгоритм, сформулированный в виде ряда однозначных предписаний. Примерами могут служить правила пользования телефоном-автоматом или рецепт приготовления того или иного блюда.
АЛЬТИМÉТР, то же, что высотомер.
АЛЮМИ́НИЙ, al, серебристо-белый металл, химический элемент III группы периодической системы (ат. н. 13, ат. масса 26.98). По распространённости занимает первое место среди металлов. В свободном виде в природе не встречается. Чистый алюминий впервые выделил в 1825 г. датский учёный К. Эрстед. Способ промышленного производства алюминия впервые предложил французский химик А. Сент-Клер Девиль (1856). Получают Al электролизом растворов глинозёма Al₂О₃ в расплавленном криолите Nа₃AlF6 при 950 °C (катод – под электролизной ванной, анод – угольные блоки, погружённые в электролит).
Плотность Al 2699 кг/мі; температура плавления 660 °C, температура кипения ок. 2452 °C. Относится к химически активным металлам. На воздухе покрывается тонкой прочной плёнкой оксида, препятствующей дальнейшему окислению. При повышенных температурах реагирует со многими химическими элементами. Отличается высокой коррозионной стойкостью в пресной и морской воде, не взаимодействует с органическими кислотами (уксусной, лимонной, винной) и пищевыми продуктами. При нагревании восстанавливает оксиды других металлов до металлов (алюмотермия). Легко поддаётся ковке, прокатке, штамповке. Отличается высокой электропроводностью, уступая лишь серебру, меди и золоту; его удельное электрическое сопротивление 0.0265 мкОм·м.; теплопроводность 1.24 · 10–3 Вт/(м·К). Слабо парамагнитен. При охлаждении ниже 120 К его прочность, в отличие от большинства металлов, возрастает, а пластичность не меняется. Сплавы Al отличаются малой плотностью (до 3000 кг/мі), хорошей электро – и теплопроводностью, жаропрочностью, стойкостью к коррозии, хорошо поддаются механической обработке. Подразделяются на деформируемые и литейные сплавы. Из деформируемых сплавов низкой прочности,[1] изготовляют листы, проволоку, рамы, окантовки, фольгу, пищевые контейнеры; сплавы средней прочности[2] используются как конструкционные материалы, работающие при низких температурах, и для изготовления элементов двигателей; из высокопрочных сплавов[3] изготовляют детали машин и конструкций, работающих при высоких температурах и под большой нагрузкой (винты вертолётов и самолётов, крылья самолётов). Среди литейных сплавов выделяют жаропрочные (Al-Cu-Si-Mg-Ni) для работы при температурах до 400 °C, коррозионностойкие (Al-Mg), работающие в морской воде, высокопрочные[4] малопроницаемые для жидкостей и газов и выдерживающие давление до 25 МПа. Широкое применение находят также порошковые сплавы, которые получают распылением жидкого алюминия в воздухе или инертной среде при высокой скорости охлаждения.

Схема электролизёра для получения металлического алюминия
АМОРТИЗÁТОР, устройство, применяемое в машинах и сооружениях для смягчения ударов, гашения вибраций и защиты от больших нагрузок. Амортизатор гасит колебания автомобиля при движении по неровной дороге, смягчает ударную нагрузку на шасси при посадке самолёта, обеспечивает плавную работу двигателей, станков и т. д. Амортизаторами служат рессоры, торсионы, пружины, резиновые прокладки, а также устройства, в которых функцию амортизатора выполняют жидкости и газы. В транспортных машинах, развивающих большие скорости, амортизаторы всегда применяются совместно с демпферами.





