Энциклопедия «Техника» (с иллюстрациями)

- -
- 100%
- +
БИОМЕТАЛЛУРГИ́Я, область металлургии, в которой для извлечения металлов из руд, концентратов, горных пород и растворов используют микроорганизмы или их метаболиты (продукты обмена в живых клетках). Биометаллургия используется на практике для выщелачивания меди, урана и других металлов из «бедных» руд, переработка которых традиционными методами крайне нерентабельна – себестоимость меди, получаемой с помощью микроорганизмов, в 1.5–2 раза ниже, чем при использовании традиционных технологий. Эффективно применение биометаллургии для выщелачивания металлов при переработке мышьяковистых медно-цинковых концентратов, которые практически невозможно переработать по стандартной технологии. В основном это достигается окислением микроорганизмами необходимых металлов для перевода их в растворимые соединения. Биометаллургические процессы используются и при обогащении, в т. ч. и подземном, горных пород, сульфидизации окисленных руд, биосорбции металлов из растворов, в т. ч. из морских вод. Применение биометаллургии позволяет существенно снизить сырьевые ресурсы за счёт использования «бедных» руд, обеспечить более полное извлечение всех ценных компонентов из сырья без создания сложных горно-добывающих комплексов. Биометаллургические процессы легко автоматизируются, обеспечивают высокую производительность труда и решают важные проблемы охраны окружающей среды. Биометаллургические технологии не имеют вредных выбросов, что резко снижает или исключает возможность загрязнения окружающей среды.
БИОУПРАВЛÉНИЕ, система управления приборами, механизмами и устройствами, в которой в качестве управляющих сигналов используются различные проявления жизнедеятельности организма. Для биоуправления могут служить биоэлектрические потенциалы, генерируемые различными тканями организма человека, механические и акустические явления, сопровождающие работу сердечно-сосудистой системы и дыхания, колебания температуры тела и др. Наиболее распространены системы биоэлектрического управления. В этих системах биопотенциалы, генерируемые скелетными мышцами, сердцем, головным мозгом, нервами после усиления и соответствующей обработки выполняют роль командных, управляющих сигналов. На этом принципе основана, напр., работа активных протезов. Для управления ими используются биопотенциалы частично ампутированных, парализованных или полностью сохранённых мышц. Электронные стимуляторы, в отличие от биоуправления, вырабатывают электрические или акустические сигналы. Они применяются для дозированного воздействия электрическим током или звуковыми колебаниями на биологически возбудимые органы и ткани. Наиболее широко распространены портативные электронные кардиостимуляторы, используемые при нарушениях ритма сокращений сердечной мышцы. Они вживляются под кожу в грудную клетку, имеют батарейное питание и способны работать годами. Существуют и виброакустические стимуляторы, которые, влияя на биологически активные точки организма, оказывают на него лечебное воздействие. Они представляют собой генераторы электрических колебаний, звуковой частоты, которые преобразуются виброфонами в звуковые колебания, подводимые к определённым точкам тела для возбуждения противодействия болезни.
БИПЛÁН, самолёт с двумя крыльями, расположенными один над другим. Бипланы были, по существу, единственным типом самолёта до нач. 1930-х гг. Это первый самолёт братьев Райт (США, 1903 г.), «Илья Муромец», построенный под руководством И. И. Сикорского (Россия, 1913 г.), По-2 (У-2) авиаконструктора Н. Н. Поликарпова (Россия, 1928 г.) и многие другие. Большинство бипланов имели ферменную конструкцию фюзеляжа и крыльев и обшивку из ткани или фанеры. По сравнению с монопланами они были более маневренны (особенно на виражах), имели меньшие взлётные и посадочные скорости, что позволяло им свободно взлетать и садиться практически с любых аэродромов. В 1920—30-х гг. на бипланах было установлено несколько рекордов высоты, в т. ч. российским лётчиком В. К. Коккинаки в 1935 г. на истребителе И-15 – 14 575 м. С нач. 1940-х гг. бипланы почти повсеместно вытеснены монопланами. Одна из последних и наиболее удачных конструкций биплана – цельнометаллический многоцелевой самолёт Ан-2, созданный в 1947 г. в конструкторском бюро О. К. Антонова, выпускавшийся более 40 лет.

Биплан У-2
БИТ, единица количества информации, которая содержится в сообщении типа «да» – «нет». Бит в вычислительной технике – двоичная цифра, двоичный разряд, принимающий только два значения – 0 или 1. Одним битом можно выразить только два числа – 0 и 1. Двухбитовых комбинаций может быть четыре (2 во 2-й степени) – «00» – 0, «01» – 1, «10» – 2 и «11» – 3, трёхбитовых – восемь и т. д. В восьми битах «умещается» 256 (2 в 8-й степени) целых чисел. Восьмибитовое число – байт служит единицей измерения компьютерной информации.
БИ́ТУМНЫЕ МАТЕРИÁЛЫ, материалы, изготовленные на основе битумов (преимущественно нефтяных) с минеральными добавками. Использование битума в качестве вяжущего придаёт этой группе материалов свойства водонепроницаемости, стойкости против воздействия кислот, щелочей, агрессивных жидкостей и газов, способность быстро приобретать пластичность при нагревании и увеличивать вязкость при остывании. К битумным материалам относятся кровельные и гидроизоляционные материалы, битумные мастики и эмульсии, асфальтобетоны и литой асфальт. Кровельные и гидроизоляционные битумные материалы бывают двух видов. Первые приготовляются пропиткой специального картона нефтяными битумами с последующим покрытием более тугоплавким составом. К ним относятся толь, рубероид, пергамин, гидроизол (на основе асбестового картона), кровельные рулонные стеклоткань и стекловойлок (на стеклооснове), ондулин. Материалы второго типа называются безосновными: они получаются путём прокатки термомеханически обработанных смесей битума с наполнителями и добавками в полотнища заданной толщины. К ним относятся изол (резинобитумный материал, изготавливается из материалов, содержащих каучук; благодаря эластичности широко применяется для оклеечной гидроизоляции), бризол (получается смешением битума с дроблёной резиной и асбестовым волокном; применяется для антикоррозийной защиты), пароизол (герметизирующий материал) и др. Битумные мастики и эмульсии применяются в обмазочной гидроизоляции, для приклейки штучных и рулонных кровельных и гидроизоляционных материалов, для заполнения деформационных швов и т. д. См. Асфальтобетон.
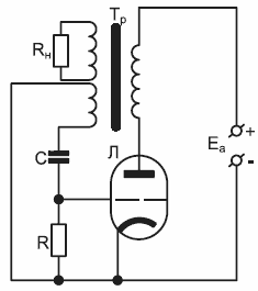
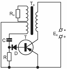
БЛÓКИНГ-ГЕНЕРÁТОР, однотранзисторный (или одноламповый) генератор электрических импульсов малой длительности (порядка 1 мкс), периодически повторяющихся через сравнительно большие промежутки времени. Малая длительность импульса достигается за счёт сильной трансформаторной обратной связи, вызывающей лавинное нарастание и такое же лавинное уменьшение силы тока через транзистор (лампу). Блокинг-генератор отличает лёгкая синхронизация и стабилизация колебаний; возможность получения большой мощности в импульсе при малой средней мощности. Блокинг-генераторы применяют в импульсной технике для получения мощных импульсов малой длительности, в радиолокационных развёртывающих устройствах, в системах кадровой и строчной развёртки в телевизорах, в делителях частоты и др.
а)

б)

Типовая схема блокинг-генератора:
а – с электронной лампой Л; б – с транзистором Т; RН – сопротивление нагрузки; ТР – трансформатор в цепи обратной связи;
D – полупроводниковый диод, ограничивающий силу тока в цепи базы транзистора; Еа и ЕК – напряжения источников анодного и коллекторного токов; R – резистор; С – конденсатор
БЛОКИРÓВКА, изменение режима работы (вплоть до остановки) машины, прибора или устройства, вызванное внезапным нарушением нормальных условий их эксплуатации; предотвращает ошибочные действия при управлении работой технического объекта. Осуществляется автоматически или вручную. Блокировка повышает безопасность обслуживания и надёжность работы оборудования в самых различных областях промышленности, транспорта и бытового назначения. Блокировка осуществляется механическими, оптическими, магнитными или электрическими связями. Прекращается блокировка подачей воздействия, возвращающего части аппарата или машины в исходное (до блокировки) состояние или допускающего переход в новое рабочее состояние. Примером блокировки может служить система двуручного управления особо опасными машинами (прессами, одноножевыми бумагорезальными машинами). Такая система заставляет рабочего нажимать обе кнопки управления в течение всего рабочего цикла. При отпускании одной из кнопок во время рабочего цикла работа машины прекращается, и тем самым блокировка защищает обе руки рабочего от травм.
БЛЮ́МИНГ, высокопроизводительный прокатный стан для обжатия стального слитка в блюм, сляб или заготовку для сортопрокатных станов. На металлургических предприятиях блюминг – промежуточное звено между сталеплавильными и прокатными цехами, выпускающими готовую продукцию. Применение технологии непрерывной разливки исключает блюминг из структуры предприятия чёрной металлургии.
БОЕВÁЯ МАШИ́НА ДЕСÁНТА (БМД), гусеничная машина-амфибия, предназначенная для повышения мобильности, вооружённости и защищённости воздушно-десантных войск. По сравнению с боевой машиной пехоты обладает меньшими габаритами и массой, позволяющими десантировать её на парашюте вместе с боевым расчётом. Впервые появилась в СССР в 1930-х гг. Современная отечественная БМД-3 (1990) имеет массу 12.5 т, скорость по шоссе (на плаву) 70 (10) км/ч, запас хода 500 км, боевой расчёт (экипаж + десант) 7 (2 + 5) человек. Вооружение: размещённые в одном блоке башни 30-мм автоматическая пушка и 7.62-мм пулемёт, 30-мм автоматический гранатомёт, противотанковые управляемые ракеты.

Боевая машина десанта (БМД-3)
БОЕВÁЯ МАШИ́НА ПЕХÓТЫ (БМП), гусеничная машина-амфибия, предназначенная для повышения мобильности, вооружённости и защищённости пехоты. Оснащённые этими машинами подразделения могут действовать на поле боя совместно с танками в одной боевой линии. Впервые БМП появились в СССР в 1960-х гг. Современная отечественная БМП-3 (1987) имеет массу 18.7 т, скорость по шоссе (на плаву) 70 (10) км/ч, запас хода 600 км, боевой расчёт (экипаж + стрелки) 10 (3 + 7) человек. Вооружение: размещённые в одном блоке башни 100-мм пушка, используемая для стрельбы как обычными снарядами, так и противотанковыми управляемыми ракетами, 30-мм автоматическая пушка и 7.62-мм пулемёт, а также два 7.62-мм пулемёта, установленных в передней части корпуса.

Боевая машина пехоты (БМП-3)
БОЕВÁЯ РАЗВÉДЫВАТЕЛЬНАЯ МАШИ́НА (БРМ), гусеничная или колёсная машина-амфибия для войсковой разведки в зоне расположения противника на глубине до 100 км. Может также использоваться для боевого и сторожевого охранения, борьбы с разведывательно-диверсионными группами противника. Первая отечественная БРМ появилась в 1958 г. До неё разведывательные функции выполнялись бронеавтомобилями, бронетранспортёрами, лёгкими танками. Разведывательное оборудование современной российской гусеничной БРМ-3К (1993) составляют радиолокационные, лазерные, телевизионные и инфракрасные приборы. Вооружение: 30-мм автоматическая пушка и 7.62-мм пулемёт.

Боевая разведывательная машина
БОЕВÓЙ ВЕРТОЛЁТ, вертолёт военной авиации для поражения наземных и морских целей и вертолётов противника, сопровождения своих транспортно-десантных и многоцелевых вертолётов. Применяется с 1950-х гг. Необходимая живучесть боевых вертолётов обеспечивается за счёт бронирования, противопожарной защиты, дублирования источников электропитания, приводов и цепей управления и др. Вооружаются управляемыми и неуправляемыми ракетами, авиабомбами, пулемётами и малокалиберными пушками. Наиболее распространённые боевые вертолёты: огневой поддержки, противотанковые и противолодочные. Один из самых совершенных в мире вертолётов огневой поддержки российский Ка-50 («Чёрная акула», 1995 г.) имеет взлётную массу 9.8 т, массу боевой нагрузки 2.3 т, дальность полёта 520 км, скорость 300 км/ч, высоту полёта 5.5 км, экипаж 1 человек.

Боевой вертолёт Ка-50 («Чёрная акула»)
БОЕВЫ́Е КОРАБЛИ́, надводные и подводные суда, предназначенные для ведения военных действий, решения боевых задач; входят в состав военно-морского флота. Обладают повышенной по сравнению с гражданскими судами живучестью. Вооружение боевых кораблей – ракетное оружие (противокорабельное, противолодочное, зенитное и против наземных целей), артиллерийское (как правило, универсальное – против надводных и воздушных целей), торпедное, бомбомётное (для метания противолодочных глубинных бомб), минное и авиационное (корабельные самолёты и вертолёты). На одном корабле может быть несколько видов оружия, из которых один является главным, определяющим боевое назначение корабля.
Боевые суда известны с глубокой древности. Сначала они перемещались только с помощью вёсел (гребные военные суда), затем и парусов (переход к чисто парусным кораблям закончился в 18 в.). Паровые корабли появились в 1-й пол. 19 в., а с двигателями внутреннего сгорания (дизелями) – в нач. 20 в. С этого времени начинается оснащение военно-морских флотов подводными лодками. В нач. 2-й пол. 20 в. вступили в строй атомные подводные лодки, а затем и атомные надводные корабли (корабли с ядерными энергетическими установками, обеспечивающими практически неограниченную дальность плавания). Развивалось и корабельное вооружение. На первых военных судах использовали метательное оружие (лук, праща, баллиста, катапульта); с появлением артиллерии основным вооружением становятся артиллерийские орудия, а во 2-й пол. 20 в. ещё и ракетное оружие, в т. ч. и ракетно-ядерное.
Современные боевые корабли Российской Федерации подразделяются на следующие классы: подводные лодки (атомные подводные лодки, дизель-электрические подводные лодки); надводные корабли – авианесущие (тяжёлые авианесущие крейсеры), ракетно-артиллерийские (тяжёлые ракетные крейсеры, ракетные и артиллерийские корабли, эскадренные миноносцы, артиллерийские, патрульные, сторожевые и ракетные катера), противолодочные (малые и большие противолодочные корабли, сторожевые корабли), минно-тральные (заградители, морские, базовые и рейдовые тральщики) и десантные (малые, средние и большие десантные корабли, десантные и штурмовые десантные катера на воздушной подушке).
БОЛЬШÁЯ ИНТЕГРÁЛЬНАЯ СХÉМА (БИС), сложная интегральная схема с большой степенью интеграции. БИС создают методами планарной технологии (от английского planar – плоский, ровный) путём формирования их элементов с одной (рабочей) стороны полупроводниковой пластины (подложки). Планарная технология основана на создании в приповерхностном слое полупроводника монокристаллической пластины областей с различным типом проводимости, в совокупности образующих структуру интегральной схемы. Такие области создаются местным введением в подложку специальных примесей. Все эти области имеют выход на одну сторону подложки, что позволяет осуществить их коммутацию в соответствии с заданной схемой при помощи плёночных металлических проводников. Наибольшее число БИС создаётся на основе МДП-структуры (металл – диэлектрик – полупроводник-структура), представляющей собой упорядоченную совокупность тонких (менее 1 мкм) слоёв металла и диэлектрика, нанесённых на полупроводниковую пластину. Применяется для создания на её основе транзисторов, конденсаторов, приборов с зарядовой связью, фотоэлектронных умножителей и др. Цифровые БИС на основе МДП-структур содержат от 1000 до 10 000 элементов.
БОЛЬШÓЙ ПРОТИВОЛÓДОЧНЫЙ КОРÁБЛЬ (зарубежный аналог – фрегат), боевой корабль, предназначенный гл. обр. для поиска и уничтожения подводных лодок противника и обеспечения противолодочной защиты соединений своих кораблей в морских походах. Боевые корабли, оснащённые простейшими гидроакустическими средствами (т. н. «охотники» за подводными лодками), появились во время 1-й мировой войны. Противолодочные корабли специальной постройки с мощными гидроакустическими комплексами, позволяющими с большой точностью и на больших расстояниях определять местонахождение подводных лодок, стали поступать на вооружение флотов с 1960-х гг. Отечественный большой противолодочный корабль типа «Удалой» (введён в строй в 1980 г.) имеет водоизмещение 7500 т, скорость хода до 30 узлов (55.6 км/ч), дальность плавания 5700 миль (10 560 км), экипаж 220 человек, автономность 30 суток. Вооружение: 8 противолодочных ракет, 8 торпед, 64 зенитные ракеты, артиллерийские и бомбомётные установки, 2 вертолёта.

Большой противолодочный корабль «Зоркий»
БÓМБА, 1) бомба авиационная (авиабомба) – вид боеприпасов, сбрасываемых с боевых самолётов и вертолётов для поражения наземных и морских целей противника. Относится к бомбардировочному вооружению, появившемуся вместе с первыми авиационными воинскими формированиями. Наиболее распространённые типы авиабомб: осколочные, фугасные, объёмно-детонирующие, или «вакуумные» (образуют в окружающей среде перед взрывом облако горюче-воздушной смеси), бетонобойные, зажигательные, светящие, дымовые и др. Некоторые армии имеют химические и ядерные бомбы. Конструкция большинства авиабомб представляет собой корпус капле – или сигарообразной формы с аэродинамическим оперением (стабилизатором), снаряжённый взрывчатым веществом или другим наполнителем и взрывателем. Масса (калибр) авиабомб колеблется от 0.5—10 кг (противотанковая) до 10 т и более (фугасная). Появившиеся в сер. 20 в. управляемые (корректируемые) авиабомбы сочетают сравнительную дешевизну и мощность обычной бомбы с точностью управляемой ракеты (отклонение от центра наводки всего 5—10 м). Так называемые планирующие крылатые авиабомбы могут сбрасываться вне зоны действия зенитных средств противника. Российские корректируемые авиабомбы КАБ-1500Л (фугасная, масса 1500 кг, дальность сброса 20 км) и КАБ-500 ОД (объёмно-детонирующая, масса 500 кг) имеют соответственно лазерную и телевизионную головки самонаведения.

Авиационная бомба
2) Бомба глубинная – вид боеприпасов для поражения подводных лодок противника. Может выстреливаться из корабельного бомбомёта или сбрасываться с противолодочных самолётов и вертолётов. У наиболее распространённых глубинных бомб масса 120–250 кг, скорость погружения в воду до 13 м/с.
3) Устаревшее название артиллерийского разрывного снаряда массой более пуда, 16.38 кг (снаряд меньшей массы назывался гранатой).
БОМБАРДИРÓВЩИК, самолёт военной авиации для поражения наземных и морских целей противника. Основное вооружение – бомбы и ракеты. Может иметь также 1–2 пушки и несколько пулемётов. Бомбардировщики подразделяются на фронтовые (тактические) и стратегические (дальние и межконтинентальные). К последним относится один из самых больших в мире отечественный сверхзвуковой ракетоносец-бомбардировщик Ту-160 (1987), имеющий взлётную массу 275 т, боевую нагрузку 40 т, дальность полёта 10 500 км, скорость до 2000 км/ч, высоту полёта до 16 км, экипаж 4 человека. Вооружение: стратегические крылатые ракеты с дальностью стрельбы 2500 км и ядерной боевой частью или различные бомбы, в т. ч. и ядерные, общей массой до 40 т.

Стратегический бомбардировщик Ту-95В
БРÁЙЛЯ ШРИФТ, рельефно-точечный шрифт, разработанный для письма и чтения слепых; создан французским тифлопедагогом Луи Брайлем, ослепшим в трёхлетнем возрасте. В основе шрифта – комбинации из шести точек, соответствующие буквам латинского и русского алфавита, а также знакам препинания, математическим, химическим и нотным знакам. Первой книгой, напечатанной по системе Брайля, была «История Франции» (1837). В России книгопечатание шрифтом Брайля началось в 1885 г.
БРАНДСПÓЙТ, металлический наконечник гибкого шланга; устаревшее название ствола в пожарной технике.
БРИКЕТИ́РОВАНИЕ, процесс переработки различных материалов, отходов производства путём прессования их в куски геометрически правильной и однообразной формы (брикеты), практически одинаковой массы. При брикетировании появляется возможность использования материалов, применение которых малоэффективно или затруднительно, а также утилизируются отходы (пыль, шлаки, металлическая стружка и т. п.). Для упрочнения брикетов используют связующие добавки (пек, битум, жидкое стекло).
БРОНЕТÁНКОВАЯ ТÉХНИКА, гусеничные и колёсные военные машины различного назначения, имеющие броневую защиту, вооружение и способность передвигаться по различным дорогам и бездорожью. Первой такой машиной считается бронеавтомобиль, появившийся ещё в нач. 20 в. в Великобритании. Англичане первыми создали также танк (1916) и танкетку (1924), которая из-за слабого вооружения и бронирования значительного распространения не получила. Основу современной бронетанковой техники составляют: танки, боевые машины пехоты, боевые машины десанта, бронетранспортёры, боевые разведывательные машины. К бронетанковой технике относят также самоходные артиллерийские установки (орудия), самоходные ракетные (реактивные) пусковые установки, машины управления, некоторые вспомогательные машины и др. Из них только танки имеют противоснарядную броню, остальные – противопульную (толщина до 30 мм). Бронетанковым вооружением служат артиллерийские орудия, пулемёты, ракетное оружие. Большинство боевых машин имеют амбразуры для ведения огня расчётом из индивидуального оружия. Как правило, бронетанковая техника комплектуется радиосвязью, автоматизируемым комплексом управления огнём, дневными и ночными прицельно-наблюдательными приборами, фильтровентиляционной установкой, обеспечивающей нормальные условия обитания при действии на заражённой местности.
БРОНЕТРАНСПОРТЁР (БТР), обычно колёсная или гусеничная боевая машина-амфибия для транспортировки пехоты и огневой поддержки её на поле боя. Впервые появились в Великобритании (1918). Первый советский БТР создан в 1937 г. на шасси трёхосного автомобиля. Современный отечественный четырёхосный с восемью ведущими колёсами БТР-80 имеет массу 13.6 т, скорость по шоссе (на плаву) 80 (9) км/ч, запас хода 600 км. Вооружение: 14.5-мм и 7.62-мм пулемёты, размещённые в одной башенной установке. Боевой расчёт состоит из командира, механика-водителя, наводчика и 7 стрелков.

Бронетранспортёр (БТР-80)
БРÓНЗЫ, сплавы на основе меди, в которых легирующими добавками могут быть любые химические элементы, кроме цинка и никеля. Различают оловянные (до 19 % Sn), алюминиевые (4—12 % Аl), бериллиевые (до 2 % Be) и другие бронзы. Первая бронза, выплавленная человеком ещё за 3 тыс. лет до н. э., была оловянной. Этот сплав, по-видимому, получался естественным путём при плавке руд тех месторождений, в которых меди сопутствовало олово. Бронза сыграла важную роль в замене каменных и медных орудий древнего человека. На планете на долгое время воцарился «бронзовый век». Самые ранние бронзовые изделия были найдены в Иране, Турции и Месопотамии. Своё название бронза получила по имени одного из портов Италии – Брундизия, туда привозили медь из разных стран.

Изделия из бронзы: бронзовый шлем; бронзовый меч
Бронза плавится при более низкой температуре, чем чистая медь; отличается бoльшей прочностью, твёрдостью и износостойкостью, меньше подвержена коррозии в морской воде, парах кислот, растворах щелочей, легче заполняет литейные формы. Получают бронзы сплавлением меди с легирующими элементами в индукционных электрических печах. Деформируемые бронзы используют для отливки заготовок, которые затем подвергают горячей или холодной механической обработке давлением (прессованию, прокатке), получая листы, прутки, ленты, трубы; из литейных бронз отливают высококачественные фасонные изделия технического и художественного назначения. Используют бронзы для изготовления деталей машин, подшипников, шестерён, арматуры, работающих в морской воде, судовых гребных винтов, художественных отливок – колоколов, пушек, статуй, напр. бога солнца Гелиоса (колосс Родосский) высотой 32 м (нач. 3 в. до н. э.), «Медного всадника» в Санкт-Петербурге.





