Современный дачный электрик

- -
- 100%
- +

По способу прохода внутрь здания и закрепления трубостойки различают: ввод трубостойкой через стену и через крышу. На вводе от воздушной линии наличие паек недопустимо.
Наиболее удобен ввод трубостойкой через стену. При вводе через стену на фарфоровых изоляторах провода нужно прокладывать в пластиковых или резиновых трубах (рис. 1.13). Причем каждый из изолированных проводов ввода помещают в отдельную изоляционную трубку. Расстояние между проводами в стенах должно быть не менее 5 см, если они кирпичные или бетонные, и не менее 10 см, если они деревянные. Заметим, что сегодня в магазинах трудно найти фарфоровые изоляторы для прохода провода. В связи с этим вместо них может быть использована соответствующего диаметра гладкая одностенная сверхтяжелая труба из самозатухающего ПНД или, в крайнем случае, гофрированная труба из самозатухающего ПНД (черного цвета) [10].

Рис. 1.13. Проход провода ввода через стену
На наружные концы изоляционных трубок надевают фарфоровые воронки, на внутренние – втулки; зазоры между поверхностью отверстия в стене и изоляционной трубкой заделывают алебастровым или цементным раствором.
Во избежание скопления в отверстиях внутри стены влаги и попадания ее в фарфоровые воронки и резиновые трубки проходы через стены устраивают с небольшим (около 5°) уклоном в наружную сторону, а в нижней точке изгиба трубы должно быть просверлено отверстие диаметром 5 мм для выхода конденсационной влаги. После прокладки проводов входные отверстия воронок и втулок заделывают.
В тех случаях, когда до проводов ввода от поверхности земли невозможно обеспечить требуемое расстояние (2,75 м), необходима установка трубостойки. Если расстояние от поверхности земли до нижней точки трубостойки, устанавливаемой на стене, менее 2 м, то применяют ввод трубостойкой через крышу (рис. 1.14). Этот способ менее удобен, т. к. здесь очень важно качество монтажа прохода через кровлю и требуется его надежная гидроизоляция.

Рис. 1.14. Варианты ввода с трубостойкой
Большие трудности вызывает закрепление трубостойки на крыше с помощью растяжек. Чтобы избежать самооткручивания гаек в болтовых креплениях вводов от воздействия порывов ветра и раскачиваний, нужно выполнять все болтовые крепления вводов с применением пружинящих шайб. Расстояние от самого нижнего проводника ввода через трубостойку до поверхности крыши не должно быть меньше 2,5 м.
Герметизация мест ввода проводов и кабелей через стены и трубостойки выполняется в соответствии с требованием строительных норм и правил.
1.4. Вводное устройство
Провод ввода может соединять ответвление со щитком счетчика внутренней электропроводки или идти от изоляторов до вводного устройства, а оттуда к щитку. Чаще встречается последний вариант ввода.
Для ввода применяют изолированные провода или кабель. Сечение токопроводящих жил вводного кабеля или провода рассчитывают в соответствии с ПУЭ. Присоединение ввода к ответвлению выполняет персонал энергоснабжающей организации.
Если ответвление присоединено к магистрали воздушной линии через предохранитель или иной аппарат защиты на ток менее 25 А, установка вводного устройства не обязательна.
Вводное устройство применяют для того, чтобы при неисправности внутренней электропроводки обеспечивалось автоматическое ее отключение от магистральной линии. Кроме того, появляется возможность отключить проводку во время ремонта или на период длительного бездействия. С этой целью в цепях разных проводов сети устанавливают предохранители, автоматические выключатели или аппараты защитного отключения.
В качестве вводного устройства в загородных домах обычно используют автоматический выключатель. Современные автоматические выключатели обеспечивают защиту от короткого замыкания и от перегрузки электросети. Для одноквартирного дома номинальный ток защитного аппарата составляет не более 25 А (рис. 1.15) [11]. На вводах в многоквартирный дом или в тех случаях, когда применяют однофазные электроприемники мощностью свыше 1,3 кВт, может потребоваться аппарат на ток силой более 25 А.

Рис. 1.15. Автоматический выключатель АП 50Б
Если применяют плавкий предохранитель, то кроме него нужен коммутационный аппарат, например пакетный выключатель или рубильник (при автоматическом выключателе дополнительный коммутационный аппарат не требуется).
Предохранители, а также однополюсные защитные автоматы монтируют только в фазных проводах. Согласно ПУЭ установка этих аппаратов в нулевом проводе не допускается. Линию нулевого провода можно разрывать только при одновременном разрыве линий фазных проводов. При однофазном ответвлении это обеспечивают двухполюсные коммутационные или защитные аппараты. Можно применить и трехполюсный аппарат, но при однофазном (двухпроводном) вводе один из полюсов не задействуют (рис. 1.16).

Рис. 1.16. Подключение трехполюсного коммутационного аппарата к однофазному ответвлению
Вводное устройство должно быть защищено от попадания дождя или снега на его токоведущие части и от случайного прикосновения, поэтому желательно выбирать аппараты, соответствующие требованиям по защите и условиям эксплуатации, либо монтировать их в металлическом или пластмассовом корпусе.
Если вводное устройство находится внутри жилого здания, то хорошим приобретением для будущего хозяина коттеджа будет вводно-распределительное устройство типа ВРУ, состоящее из панелей одностороннего обслуживания, с рубильниками, предохранителями и автоматическими выключателями.
Аппараты вводного устройства, установленные на наружной стене дома, защищают от случайного прикосновения и попадания осадков жестяным, пластмассовым или деревянным кожухом. Расстояние от токоведущих неизолированных частей до стенок защитного кожуха должно быть не менее 10 мм.
Бытует ошибочное мнение, что установка предохранителей в линии не только фазного, но и нулевого проводов повышает надежность защиты [12]. В действительности обрыв электрической цепи, связанной с нулевым проводом, в том числе и при перегорании предохранителя в его цепи, может привести к опасным для жизни последствиям. Одно из средств обеспечения безопасности при нарушении изоляции – зануление, т. е. соединение металлических токоведущих частей электрооборудования с заземлением нулевым проводом. Если же в цепи нулевого провода находится предохранитель или автомат, он может сработать и отключить нулевой провод, что равносильно отключению зануления, обеспечивающего защиту работающего от поражения электрическим током.
Внимание!
Не разрешается устанавливать однополюсные защитные или коммутационные аппараты в цепи нулевого провода. При монтаже электропроводки следует тщательно выполнять все соединения по схеме.
1.5. Электрощиток
Со стороны ввода в дом потребитель должен сделать проводку между вводным устройством и электросчетчиком. Вводное устройство со стороны ответвления от ВЛ подключают изолированными проводами сечением 4 или 6 мм2 (для медных допускается 2,5 мм2).
Изолированные провода к проводам ответвления у изоляторов на стене здания присоединяет персонал владельца сетей, а к вводному устройству – потребитель. Если ответвление выполнено тросовым проводом или кабелем, токоведущие жилы к вводному устройству подключает владелец сетей. Со стороны ввода в здание потребитель должен сделать проводку между вводным устройством и электросчетчиком.
При монтаже любого трех– или однофазного вводного устройства без коммутационного аппарата нулевой провод ответвления при помощи отдельного зажима соединяют с соответствующим проводом, идущим к счетчику. Соединение скруткой можно допустить, если провода сваривают или паяют, но в условиях индивидуального строительства эту работу с алюминиевыми проводами выполнить трудно. Поэтому для соединения используют контактный зажим от какого-нибудь электрического аппарата, например одногнездовой зажим к проводам сечением до 4 мм2, применяемый в светильниках, или зажим из ответвительной коробки. Диаметр контактных винтов должен быть 4–6 мм. Если соединяемые провода из разных металлов, каждый крепят отдельным винтом.
Электрическая энергия подается на домовой электрощиток, который обычно состоит из самого щитка, счетчика электроэнергии и автоматических выключателей (автоматов) в качестве предохранителей (рис. 1.17). Число таких выключателей соответствует числу групп электросетей в доме. На современном электрощитке могут быть приварены контактной сваркой две DIN-рейки: одна для установки автоматических выключателей, а вторая – для нулевой шины. Эти приборы могут быть смонтированы на металлической панели или внутри металлического шкафчика с дверцей.

Рис. 1.17. Комплект электрощитка: металлическая панель с крышкой, электросчетчик "Соло" и два автоматических выключателя АВВ
Электрощиток устанавливают в доме в непосредственной близости от входа и, насколько возможно, от электрического ввода в дом, в защищенном от сырости месте (в прихожей, входном тамбуре и пр.), на стене или иной жесткой конструкции, не подвергающейся сотрясениям, вдали от источников тепла на высоте 1,4–1,7 м от чистого пола.
Электрощиток должен быть легко доступен для ремонта счетчика и включения/выключения общего выключателя и предохранителей. Расстояние от электрощитка со счетчиком до отключающего его коммутационного или защитного аппарата не должно превышать 10 м. В продаже имеются готовые электрощитки различного исполнения как в виде открытой панели, так и в виде шкафчика той или иной конструкции и размера, с установленным счетчиком или без него, с монтажом электрических соединений или без них.
Провода, которые соединяют вводное устройство, счетчик и автоматические предохранители, должны быть цельными, не бывшими в употреблении, скрутки, пайки, разъемы недопустимы. Лучше всего использовать для монтажа на щитке медные одножильные провода диаметром 4 мм. Желательно, чтобы фазный и нулевой провода были разных цветов, например: красный и синий, синий и черный и т. д. Провода, подключаемые к счетчику, не нужно прокладывать внатяг: следует оставить запас в виде свободной петли длиной не менее 120 мм. Если провода имеют оболочку одинакового цвета, необходимо перед вводом в счетчик каким-либо образом маркировать их на длине не менее 100 мм (надеть цветные трубки, белые трубки с надписью и т. д.). Электрическая схема электрощитка приведена на рис. 1.18 [13].

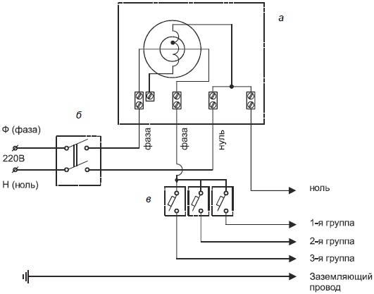
Рис. 1.18. Электрическая схема электрощитка: а – электросчетчик; б – общий рубильник; в – предохранители домовых групп (отдельных электролиний)
Как видно из схемы, оба провода от домового ввода (фазовый и нулевой) поступают сначала на общий рубильник, затем на счетчик электроэнергии, а после него фазный провод подается на группы автоматических выключателей.
1.6. Электросчетчик
Счетчик, как уже было сказано, можно приобрести отдельно от электрощитка. Главное, чтобы он был совместим по габаритам с электрощитком.
1.6.1. Критерии выбора электросчетчика
Сегодня на рынке России имеется множество разновидностей электросчетчиков. Счетчики по своему предназначению могут быть для однофазной или трехфазной электросети. В индивидуальных жилых домах допускается установка только однофазных или трехфазных счетчиков электроэнергии. Однофазные счетчики предназначены для сети напряжением 220 В, трехфазные – 380 В. Три фазы подходят в том случае, когда у вас к сети подключена большая нагрузка. Например, если на кухне есть электроплита.
При выборе счетчика для дома прежде всего надо точно знать тип электрической сети (однофазная или трехфазная) и лимит электроэнергии, который определен для вашего дома. При выборе счетчика желательно проконсультироваться со специалистом электрической компании, обслуживающей ваш поселок.
Для загородного дома с окружающими его хозяйственными постройками, по правилам, достаточно одного счетчика. Выбирают модель счетчика, исходя из потребляемой вашим хозяйством (установленной) мощности. Узнают, на какую максимальную величину тока он рассчитан. Не все счетчики способны вынести нагрузку современного загородного дома, оснащенного значительным количеством бытовой техники.
Немаловажное значение имеет количество электроэнергии, потребляемой самим счетчиком. Понятно, что чем меньше он потребляет энергии, тем лучше с точки зрения экономичности. Выбранная вами модель обязательно должна быть сертифицирована, т. е. внесена в Государственный реестр средств измерений РФ. Иначе местная энергосбытовая организация не сможет обеспечить поверку счетчика, которая проводится каждые 8-16 лет. И, конечно, при покупке учитывают габариты счетчика. Желательно, чтобы он занимал поменьше места и был компактным. Разумеется, на выбор счетчика не в последнюю очередь влияет его цена. Счетчик выбирают вдумчиво, на основе анализа конкретной ситуации, учитывая целый ряд факторов.
По принципу действия бывают индукционные и электронные счетчики. В свою очередь электронные приборы учета электроэнергии (и однофазные, и трехфазные) подразделяются еще и на однотарифные и многотарифные. Поэтому при покупке нужно заранее решить, какой покупать счетчик: электронный или нет, однотарифный или многотарифный.
Лучше купить электронный счетчик, хоть он и дороже индукционного. Электронный счетчик, в отличие от индукционного, не содержит вращающихся частей. Сигналы тока и напряжения, поступающие с измерительных элементов, обрабатывает микроконтроллер, а результаты сохраняются во встроенной памяти и выводятся на электронный дисплей. Данные могут храниться длительное время, что и является преимуществом этого типа счетчиков. У него имеется защита против несанкционированного доступа. С микропроцессорным счетчиком возможностей еще больше, в частности предоплата и управление распределением нагрузки. Для электронного счетчика характерна устойчивость к климатическим, механическим, электромагнитным воздействиям. Есть модели, которые выдерживают экстремальный температурный режим от -40 до +55 °C, поэтому их можно использовать в неотапливаемых помещениях.
Если в поселке, где вы живете, существуют тарифы оплаты на потребление электроэнергии в зависимости от времени суток, то тогда электронный многотарифный счетчик поможет вам сэкономить на оплате электроэнергии и его стоимость довольно скоро окупится. Двухтарифные счетчики в установленное время автоматически переключаются на ночной тариф, что дает возможность контролировать расход электроэнергии отдельно в дневное и отдельно в ночное время.
Для проверки правильности начисления оплаты в современном электросчетчике достаточно обратиться к соответствующей функции, которая и покажет, сколько в каком месяце и по какому тарифу потрачено электроэнергии. Это избавляет от поиска старых квитанций об оплате. Вычисления в столбик разницы между показаниями за месяц уже не нужны, т. к. электросчетчик сам способен все это сделать.
Электронный счетчик, как и индукционный, рассчитан на срок службы более 32 лет.
Внимание!
Нарушение или отсутствие одной из пломб, а также любое повреждение корпуса счетчика делает оплату электроэнергии в соответствии с показаниями этого счетчика невозможной.
Основной технический параметр электросчетчика – класс точности – указывает на уровень погрешности измерений прибора. До середины 90-х годов все устанавливаемые в жилых домах счетчики имели класс точности 2.5 (максимально допустимый уровень погрешности составлял 2,5 %). В 1996 году был введен новый стандарт точности приборов учета, используемых в бытовом секторе – 2.0. Именно это стало толчком к повсеместной замене индукционных счетчиков на более современные и точные.
1.6.2. Установка счетчика
Устанавливать счетчик электрической энергии необходимо только с согласия энергосбытовой организации и только представителю компании, имеющей лицензию. Самостоятельно подключать счетчик не рекомендуется. Если у вас уже был установлен электросчетчик и вы просто хотите его заменить, то помните, что самовольный демонтаж старого счетчика является нарушением договора с энергокомпанией и сорванная на старом счетчике пломба влечет за собой изменение порядка расчетов. В этом случае оплата будет производиться не по показаниям нового счетчика, а исходя из энергоемкости электроприборов, установленных в квартире.
После установки электросчетчика его ставят на учет. Для этого приглашают представителя электроснабжающей компании, который, убедившись, что все сделано правильно, пломбирует прибор и дает разрешение на его использование. После этого специалисты компании принимают его в эксплуатацию и снимают начальные показания счетчика. С данного момента расчеты за электроэнергию будут осуществляться в соответствии с показаниями нового прибора учета.
1.6.3. Модели однофазных однотарифных электросчетчиков
На сегодняшний день производители предлагают две основные модели счетчиков электрической энергии: однотарифные и многотарифные. Из широкого ассортимента счетчиков электроэнергии всегда можно выбрать тот, который больше всего подходит именно вам. Не всем нужны такие опции, которые удорожают устройство, некоторые хотят простой, надежный и точный электросчетчик по минимальной цене.
В качестве примера однофазного однотарифного счетчика электрической энергии рассмотрим модель "Соло" производства ЛЭМЗ (Ленинградский электромеханический завод, г. Санкт-Петербург, www.lemz.spb.ru/). Это один из недорогих счетчиков, его цена в среднем составляет 600 руб. [14].
Счетчик "Соло" предназначен для однотарифного учета потребления электрической энергии в однофазных цепях переменного тока напряжением 220 В частотой 50 Гц. Преимущественно используются в жилом и коммерческом секторе. Устанавливаются в местах, защищенных от атмосферного влияния и механических повреждений: в пластиковых боксах, щитах с монтажной панелью, этажных и квартирных щитках. Отличительная особенность счетчика – высокая степень защиты, что обеспечивает работоспособность этой модели в помещениях с высокой степенью загрязнения воздуха.
Счетчик "Соло" выпускается в трех вариантах корпуса, но с одинаковыми техническими и эксплуатационными характеристиками:
• "Соло Шунт" – в традиционном круглом корпусе с креплением на монтажную панель (рис. 1.19);

Рис. 1.19. Общий вид электросчетчика однофазного однотарифного "Соло Шунт"
• "Соло DDS" – в плоском корпусе, с современным технологическим дизайном и креплением на монтажную панель;
• "Соло Din" – в плоском корпусе с креплением на DIN-рейку.
Технические характеристики электросчетчика "Соло":
• класс точности 1,0;
• номинальное напряжение 220 В;
• номинальный (максимальный) ток 5(60) А;
• рабочий диапазон температур от -40 до +55 °C;
• тип счетного механизма: ЭМ или ЖКИ;
• габаритные размеры:
– в круглом корпусе 215x134x113 мм;
– в прямоугольном корпусе 208x132x69,3 мм;
• масса 0,7 кг.
Серия "Соло" с механическим отчетным устройством имеет защиту от "сматывания" показаний, т. е. реверсивный счетный механизм, работает на увеличение при любом направлении вращения барабана. Широкий диапазон рабочих напряжений от 176 до 420 В, что подходит для сетей, подверженных скачкам напряжений. Степень защиты приборов "Соло Шунт" и "Соло DDS" – IP54, "Соло Din" – IP40. Модели оснащены телеметрическим импульсным выходом и световым индикатором работы.
Межповерочный интервал электросчетчика после включения в сеть, составляет 16 лет. Срок службы 30 лет. Срок гарантийного обслуживания 36 месяцев.
1.6.4. Модели однофазных многотарифных электросчетчиков
Одним из самых простых вариантов многотарифных счетчиков можно назвать счетчики с двухтарифной системой учета электрической энергии. Такие счетчики позволяют вести учет электроэнергии по двум тарифам: дневному и ночному. К слову, большинство ночных тарифов гораздо выгоднее для потребителей. Также есть многотарифные счетчики, которые могут вести учет по нескольким тарифам в различных временных зонах суток для нескольких типов дней. Каждый месяц у таких счетчиков производится программирование по индивидуальному расписанию тарифов. Рассмотрим многотарифный электросчетчик "Меркурий 200" (рис. 1.20). Счетчики электрической энергии "Меркурий" выпускает концерн "Инкотекс" (г. Москва, http://www.incotexcom.ru/).

Рис. 1.20. Общий вид однофазного многотарифного электросчетчика "Меркурий 200"
Счетчик "Меркурий 200" используется в сетях электропитания для измерения, учета и отображения показателей потребления электрической энергии. Возможна передача данных со счетчика другим устройствам через интерфейсы CAN, RS-485 и PLC. Чтобы разделить количество энергии для различных групп пользователей, следует настроить несколько тарифов. Общий подсчет количества электроэнергии, прошедшей через счетчик, также сохраняется в его памяти. Цифровой способ измерения показателей соответствует требованиям ГОСТ 30207 и МЭК 1036.
Дополнительно счетчик "Меркурий 200" содержит две опции: подсчет всей энергии, израсходованной с начала работы прибора, и к началу одиннадцати последних месяцев. Встроенный тарификатор можно запрограммировать по четырем различным тарифам и для каждого месяца ввести собственное расписание, при этом учитывается переход на зимнее и летнее время. Он также позволяет выполнять подсчет в восьми различных интервалах суток и четырех видах дней. В суточном диапазоне минимально программируемой единицей времени является минута. Информация отображается на жидкокристаллическом индикаторе.
Посредством интерфейсов передаются значения параметров электрической сети: текущие уровни напряжения и силы тока. Счетчик "Меркурий 200" также измеряет мощность в собственной нагрузке.
PLC-модем счетчика передает данные непрерывно, при этом десятые доли для сокращения объемов передаваемой информации не учитываются. Среди актуальных данных значится количество электрической энергии с момента подключения при его программировании на единый тариф; с момента очистки значений показаний, которые содержит счетчик "Меркурий 200", по используемому тарифу, если их установлено несколько. Прибор может также отображать текущие показатели силы тока, напряжения и мощности в сети.
Счетчик программируется на предельно допустимые значения энергопотребления, в случае их превышения по показателям количества и мощности счетчик серии 200 ограничивает потребление электроэнергии либо отключает потребителя от сети.
Счетчик крепится стандартным способом на рейку DIN. Для повышения качества работы счетчик определяет постоянную составляющую в нагрузочной цепи; при отклонении от синусоидального ритма показателей применяются шунтирующие устройства.
Формально прибор относят к первому или второму классу точности. Он предназначен для работы в сетях переменного тока частотой 50 Гц и номинальным напряжением 220 В, при этом номинальный ток должен составлять 5 А, а максимальный – 50 А. Чувствительность прибора к изменениям активной энергии в первом классе составляет 2,75 Вт, а во втором – 5,5 Вт. В течение 0,5 с при номинальном напряжении может быть выдан максимальный ток силой 150 А.
Показатели мощности, которую потребляет счетчик "Меркурий 200", достаточно скромные: активная составляет 0,5 Вт, а полная – не более 2 ВА. Каждая цепь при этом потребляет около 0,1 Вт энергии.
Интерфейсы, кроме модемного, питаются при напряжении от 5,5 до 9 В, потребляя при этом не более 30 мА. Модем PLC дополнительно потребляет в активном варианте 1,5 Вт, полной мощности – 15 ВА.
Счетчик "Меркурий 200" содержит также встроенные часы, имеющие высокую точность: при комнатной (20±5 °C) температуре их погрешность составляет 0,5 с в сутки, а в более жестких условиях эксплуатации (от -40 до +55 °C) может быть не более 5 с. В режиме телеметрии постоянная нагрузка в цепи счетчика имеет значение 5000 имп./кВт, а в режиме поверки счетчика – 10 000 имп./кВар.
При этом прибор весьма легок и компактен: при массе 0,6 кг он имеет размеры 156x138x58 мм. Цена электросчетчика "Меркурий 200.02" – 1400 руб. с НДС (http://www.inkoteks.ru/m200.html).






