Introducció a l'enginyeria dels reactors químics

- -
- 100%
- +
Tal vegada uns exemples ens ajudaran a il·lustrar els comentaris anteriors. En el capítol 2, quan classifiquem els reactors químics, veurem que, segons un dels punts de vista, aquests poden ser de tanc agitat o tubulars. Els noms són prou gràfics per a no haver d’estendre’s en aclariments, que de tota manera apareixeran més endavant. En la figura 1.1 es mostra un esquema d’un reactor de tanc agitat típic. En aquest esquema es pot veure l’agitador amb el seu motor, els orificis per a l’entrada de l’alimentació i el sistema de bescanvi de calor (camisa). Poden aparèixer altres accessoris com ara sistemes de bescanvi de calor interns o externs, deflectors, sistemes de control, etc. Tots són o poden ser objecte de disseny.

Figura 1.1. Reactor de tanc agitat.
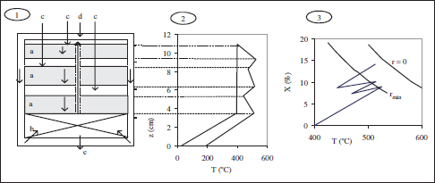
En la part 1 de la figura 1.2 es mostra un esquema d’un reactor que podem considerar tubular, ja que la mescla reactiva es mou en una direcció definida. Correspon a un dels reactors utilitzats per a la síntesi de NH3. Es tracta d’una reacció exotèrmica que es desenvolupa de forma catalítica, el catalitzador apareix formant diversos llits fixos (a). El reactor presenta diverses zones: les de reacció, que coincideixen amb el catalitzador, i les de bescanvi de calor (b). Vegem succintament el funcionament del reactor: el corrent aliment (N2, H2 i algun inert) entra per d, circula per l’espai que hi ha entre les dues cambres que formen el sistema i accedeix al bescanviador de calor b, on s’escalfa. La font de calor és el corrent reaccionat que ix de la zona de reacció; recordem que es tracta d’una reacció exotèrmica, per la qual cosa sembla raonable que el corrent d’eixida estiga a una temperatura elevada. El bescanviador de calor serveix tant per a refredar el corrent d’eixida com per a escalfar el corrent aliment. Un corrent d’aliment fred pot ser afegit a l’eixida del bescanviador de calor b per a controlar la temperatura del gas que va a entrar al reactor pròpiament dit. La mescla reactiva accedeix al primer llit de catalitzador per la zona central del reactor, posteriorment descendeix recorrent aquest llit de catalitzador on té lloc la reacció d’una manera pràcticament adiabàtica, la calor «generada» per la reacció provoca un augment de la temperatura. Entre el primer i el segon llit de catalitzador s’afegeix aliment fred per a refrigerar el corrent reactiu i mantenir-lo dins dels valors adequats de temperatura. Aquesta situació es repeteix als llits segon i tercer. En les parts 2 i 3 d’aquesta figura es mostren l’evolució de la temperatura de dalt a baix del reactor (2) i la de la mescla reactiva en el diagrama temperatura-composició (3). En aquesta última part apareixen assenyalades les corbes d’equilibri (r=0) i de màxima velocitat de reacció (rmàx).

Figura 1.2. Reactor tubular per a la síntesi de NH3. 1) a) Catalitzador, b) Bescanviador de calor, c) Zona de refredament, d) Entrada de gas, e) Eixida de gas. 2) Perfil de temperatura de dalt a baix del reactor. 3) Evolució en el diagrama composiciótemperatura
El problema que es planteja en aquest curs és: triar el reactor més apropiat per a una reacció (o conjunt de reaccions) determinada, estimar la grandària d’aquest reactor i determinar les seues millors condicions d’operació. Per a enfrontarse amb aquest tipus de problemes l’enginyer químic ha d’establir per endavant dues coses: l’escala d’operació i la cinètica del procés. A partir d’ací hi ha una considerable llibertat d’elecció: reactor discontinu, semicontinu o continu (i en aquests dos últims hi ha diferents alternatives); concentració inicial dels reactius; condicions d’operació (P, T, etc.); realització de modificacions controlades durant el procés, etc. El criteri d’elecció s’haurà de basar en anàlisis econòmiques, que a més del reactor consideraran la resta del procés. Per al disseny d’un reactor hem de disposar de coneixements i experiència en diferents camps, els més importants solen ser: termodinàmica, cinètica química, mecànica de fluids, transmissió de calor, transport de matèria i economia.
El disseny final d’un reactor químic reprodueix tradicionalment el camí següent: microreactor, reactor a escala de laboratori, reactor de planta pilot i reactor d’escala de producció. En l’actualitat, la pressió de l’entorn obliga a treballar en paral·lel. Així, una vegada detectat un punt de partida interessant (una nova reacció o un catalitzador prometedors), s’han de desencadenar una sèrie d’activitats en paral·lel, entre altres: elecció del reactor, assajos a distintes escales, estudis per a determinar si hi ha alguna limitació per a la reacció, determinacions cinètiques, optimació del catalitzador, etc. Les consideracions de tipus toxicològic i mediambientals s’han de tenir en compte des d’un principi, així com els estudis econòmics.
1.4 Justificació del programa
Com es pot veure en altres textos d’enginyeria química, en el disseny d’un reactor (i de qualsevol aparell) es necessiten tres blocs d’informació: balanços, equacions de velocitat i restriccions.
El primer bloc informa de la magnitud del canvi en qualsevol de les propietats del sistema (matèria, energia i quantitat de moviment); el segon informa de la velocitat amb què succeeixen els fenòmens (tant les reaccions químiques, com les transferències de les propietats citades); el tercer bloc recorda les limitacions de tota mena que hi ha en el sistema. Algunes de les limitacions físiques que cal tenir en compte en els sistemes amb reacció química són: d’una banda, l’estequiometria, que ens indica que els canvis que tenen lloc en les reaccions químiques succeeixen d’acord amb unes relacions donades, per la qual cosa altres canvis no seran possibles; d’altra banda, es tenen les limitacions que imposa l’equilibri químic, que ens indica que alguns canvis possibles des del punt de vista estequiomètric no ho són des del punt de vista termodinàmic.
Tots aquests conceptes han sigut estudiats en altres mòduls, per la qual cosa ací només es revisaran molt succintament en el capítol 2 per a fixar les bases sobre les quals es desenvoluparà la resta del llibre.
Hi ha reactors de molts tipus, formes, grandàries, etc., però les preguntes fonamentals que s’han de plantejar a l’hora del disseny són: ha de funcionar en continu?, i si és així, com ha de circular el fluid pel reactor? En el capítol 2 també es fa un repàs als reactors industrials, i per al seu estudi es proposen tres reactors ideals, i es dedueixen les equacions per al seu disseny, és a dir, les equacions dels balanços de matèria i energia. El balanç de quantitat de moviment sol ser menys important a l’hora del disseny; cal desenvolupar l’habilitat suficient per a detectar els casos en què es fa necessària la seua inclusió en l’anàlisi.
Amb les equacions de disseny dels diferents reactors a punt, s’inicia, en els capítols següents, la seua aplicació a l’anàlisi i el disseny d’aquests aparells en diferents situacions, amb l’objectiu d’adquirir habilitat en el maneig dels models i criteri per a decidir l’opció més interessant. El desenvolupament dels capítols suposa una evolució cap a aspectes cada vegada més complexos. Així, iniciem l’estudi de reaccions homogènies i aïllades en reactors únics amb comportament isoterm (capítol 3, Reactors ideals. Comportament isoterm). A continuació, s’estén l’estudi als reactors que funcionen de forma no isoterma (capítol 4). En aquests capítols es mostra l’aplicació de les equacions dels balanços amb l’objectiu de dissenyar el reactor i d’analitzar la influència de les diferents variables sobre el funcionament del reactor. En cada cas es determinaran les necessitats energètiques per al funcionament triat i la producció establida. Així mateix, en alguns casos s’estudiarà l’optimació del procés amb criteris econòmics.
En els capítols 5 i 6 es complica l’anàlisi, i en el primer es considera la possibilitat d’utilitzar diferents associacions de reactors i en el segon l’existència de reaccions múltiples. En molts d’aquests capítols s’incidirà en la determinació de les condicions òptimes per al desenvolupament de les reaccions. Els càlculs es van fent cada vegada més complicats, per la qual cosa és més necessari desenvolupar criteris que ens ajuden a prendre decisions i reduir els càlculs a aquelles opcions que semblen més interessants.
Els reactors poden presentar comportaments inestables durant l’operació. El resultat d’aquests comportaments serà sempre problemàtic (baixa qualitat del producte, baixa producció, problemes de seguretat, etc.). Per això, en el capítol 7 s’estudiarà l’estabilitat del comportament estacionari dels reactors químics i els problemes associats amb la manca d’aquesta propietat.
Atès que molts reactors reals s’aparten del comportament ideal proposat en els capítols anteriors, s’aborda en el capítol 8 la modelització d’aquest comportament no ideal.
El capítol 9 està dedicat a l’estudi dels reactors heterogenis, en els quals, a més de la cinètica de la reacció pròpiament dita, caldrà considerar els fenòmens de transferència de matèria. En el capítol 10 es mostraran algunes aplicacions menys convencionals dels reactors, com ara els bioquímics, els de membrana, els de CVD, etc. Finalment, en els capítols 11 i 12 s’analitzen alguns aspectes cada vegada més necessaris per a l’enginyer químic; així, en el capítol 11 s’introdueixen alguns aspectes de seguretat relacionats amb l’operació dels reactors químics, mentre que en el capítol 12 ho fa el tema del canvi d’escala.
1.5 Algunes consideracions sobre l’ensenyament de l’enginyeria química
La missió i l’essència de l’enginyeria química rau en el desenvolupament de processos per a produir materials desitjats per la humanitat. Es pot tractar de processos completament nous o de processos antics, que són millorats per a ferlos més efectius, i, en tot cas, processos per a produir materials clàssics, o per a produir materials nous.
El desenvolupament d’un procés té dues etapes: la concepció i la seua traducció a la realitat. El contingut de les assignatures d’enginyeria química està relacionat amb la segona etapa. Podríem preguntar-nos: per què pràcticament no s’ensenya la primera etapa? o realment pot ser ensenyada?
Caldria recordar que l’enginyeria química té un vessant que podem considerar com a artística; la capacitat d’imaginar una ordenació d’etapes per tal d’assolir l’objectiu establit és una mostra d’aquella vessant. Es pot ensenyar la tècnica, la capacitat d’imaginar és molt difícil de transmetre. Els simuladors i els sistemes experts faciliten molt aquesta feina en l’actualitat, però no poden substituir la creativitat humana.
L’única manera d’aproximar-se a aquest tema seria mitjançant la reflexió sobre el desenvolupament d’alguns processos.
Vegem un exemple presentat per Levenspiel (1988) en un congrés: fa alguns anys uns químics japonesos van descobrir que l’indi líquid i calent (450 ºC) era un catalitzador capaç d’actuar sobre una sèrie de reaccions útils, com les que s’indiquen en la figura 1.3.

Figura 1.3. Reaccions de deshidrogenació.
No obstant això, en tots els casos, la conversió en producte aconseguida era molt baixa, entre l’1 i el 5 %. Amb aquesta informació es podria buscar un bon procediment per a tractar 1 t/dia d’aliment (Pes molecular = 0.1 kg/mol), aconseguint un 90 % de conversió. Considerem per als càlculs que els experiments donen un 2 % de conversió per a un cabal de gas aliment d’1 cm3/s sobre un recipient de reacció que conté 1 g de catalitzador líquid.
La primera idea podria ser fer un canvi directe d’escala de l’experiment (figura 1.4). Un càlcul ràpid mostraria que es requereixen uns 6800 tubs en paral·lel, i que cadascun continga 113 recipients de catalitzador. Si el preu del catalitzador és 1 £/g, el cost del catalitzador necessari per al procés és quasi 1 milió de £ (el congrés tenia lloc a Anglaterra). Què pensaria un enginyer químic d’aquest resultat? Doncs que ha de ser capaç de fer-ho millor.

Figura 1.4. Canvi directe d’escala (cost 106 £).
Una segona idea podria ser preparar un reactor bany-tub de catalitzador (segons la denominació de l’autor) com el de la figura 1.5. Aquesta situació requeriria 12 t de catalitzador, el cost seria de 18 milions de £. Sense comentaris.

Figura 1.5. Reactor bany-tub (cost 18 106 £).
Una tercera idea seria utilitzar una torre d’atomització com la de la figura 1.6. Les necessitats de catalitzador es reduirien, abaixant el cost a unes 500000 £. El cost continua sent alt, i, a més a més, caldria superar els problemes de manejar un líquid calent i segurament molt corrosiu.
Aquestes aproximacions directes no pareixen adequades. Si som prou imaginatius podrem arribar a un esquema com el de la figura 1.7. Mesclar, granular (pel·letitzar), calcinar, reduir, omplir una columna (reactor) i fer circular un gas calent. Quina idea tan simple! Com no ho havíem pensat abans? No necessita manejar un líquid calent, i només calen uns pocs grams d’indi per a l’operació, el cost dels quals seria aproximadament el d’un bon sopar (d’acord amb Levenspiel).
Un equip danès dirigit pel professor Villadsen ho va fer. Evidentment, els seus coneixements d’enginyeria química els van ajudar a imaginar diferents possibilitats i a considerar entre les distintes opcions la més adequada.

Figura 1.6. Torre d’atomització (cost 5 105 £).

Figura 1.7. Reactor catalític de llit fix.
Aquesta consideració ens porta a una altra reflexió: sovint pensem en l’opció més adequada com una cosa absoluta, cal considerar que aquesta opció pot variar amb la geografia i amb el temps. El que és més interessant en un país en una època determinada pot no ser-ho en un altre país o en un altre temps. Aquesta és una de les causes del fet que coexistisquen múltiples esquemes de producció per a un determinat procés. Vegem-ho amb un exemple.
Considerem l’obtenció de combustible líquid a partir de roques bituminoses. La idea és simple i s’esquematitza a continuació: les roques bituminoses són materials porosos que contenen hidrocarburs en els seus porus. En principi no es va prestar atenció a aquests materials, però amb la crisi del petroli i la previsió de l’esgotament de les seues reserves han resultat ser cada vegada més interessants. El problema que es planteja és la separació d’aquests hidrocarburs de les roques i el seu fraccionament.
La solució pot ser tan simple com la que es mostra en la figura 1.8. Es tracta d’un procés de dues etapes. En la primera etapa, les roques s’escalfen fins a uns 500 ºC en absència d’aire, amb la qual cosa els compostos volàtils se separen del carbó fixat a la roca. Es tractaria d’una destil·lació en absència d’aire. El procés es pot completar amb una segona etapa en què els hidrocarburs que romanen en les roques es cremen amb aire. La calor alliberada en aquesta segona etapa serveix per a escalfar la primera, evitant així el consum d’una altra font energètica.

Figura 1.8. Procés d’obtenció de combustible líquid a partir de roques bituminoses.
Pareix que una operació tan simple hauria de donar lloc a un únic disseny. Doncs bé, moltes companyies han treballat en aquest tema, i han generat diferents dissenys. Així, mentre que en uns casos els sòlids circulen en contracorrent amb el gas, en altres ho fan en flux creuat, i en altres l’escalfament addicional té lloc per microones o per radiació, etc.
1.6 Objectius d’aquest llibre
Aquest llibre es planteja una sèrie d’objectius. En primer lloc, s’espera que el lector aconseguisca, mitjançant la seua lectura, uns coneixements relacionats amb els principis de l’enginyeria dels reactors químics. En segon lloc, hi ha una sèrie d’habilitats que el lector ha de desenvolupar i adquirir. Amb tot això serà capaç de dissenyar els reactors químics bàsics.
Els coneixements a què ens acabem de referir estan relacionats amb:
a) Els diferents tipus d’operació (en continu, discontinu i semicontinu).
b) Les característiques dels reactors de mescla perfecta i de flux de pistó.
c) Les definicions de temps espacial i velocitat espacial.
d) La influència de les condicions (composició i temperatura) sobre la velocitat de reacció.
e) Considerar la possibilitat d’utilitzar una sèrie de reactors, i les seues diferències respecte del comportament dels reactors individuals.
f) L’optimació dels diferents sistemes analitzats.
g) Les definicions de selectivitat i rendiment, en el cas que tinguen lloc diverses reaccions.
h) La descripció dels fenòmens que produeixen allunyament del flux ideal.
i) La descripció dels fenòmens que acompanyen les reaccions heterogènies.
Les habilitats que el lector ha d’aconseguir al llarg de la lectura del llibre són:
a) Aplicar els balanços de matèria i energia als reactors bàsics, desenvolupant amb això les equacions de disseny per a aquests reactors.
b) Aplicar aquestes equacions de disseny per a analitzar i dissenyar els reactors en el seu comportament, tant per a reaccions aïllades com per a reaccions múltiples.
c) Optimar el comportament del reactor o sèrie de reactors amb distints condicionants.
d) Ha de ser capaç de fer prediccions sobre el comportament i l’aplicabilitat dels diferents reactors per a distints sistemes de reacció.
L’actitud del lector, una vegada finalitzada la lectura d’aquest llibre, hauria de ser d’una certa confiança que és capaç de descriure els fenòmens que succeeixen en els reactors químics bàsics. Aquesta descripció serà un model matemàtic, que en els casos més senzills es podrà resoldre amb facilitat, mentre que en els casos més complexos caldran tècniques i procediments més sofisticats.
Així mateix, per tal d’aprofitar aquests estudis, cal que l’alumne dispose d’una sèrie de coneixements sobre: matemàtiques (càlcul diferencial i integral, operacions amb matrius, resolució de sistemes d’equacions algebraiques i diferencials, optimització), química (estequiometria, equilibri químic, cinètica química), enginyeria química (balanços de matèria, energia i quantitat de moviment; fenòmens de transport i aplicació al disseny), etc.
Per tal de resoldre sistemes d’equacions algebraiques i diferencials es recomana la utilització de programes informàtics específics, com ara POLYMATH, STELLA, etc., aplicacions dels fulls de càlcul, o programes desenvolupats per a les calculadores programables, etc.
Per a la redacció d’aquest manual s’ha fet ús de molts dels llibres que es recullen a la bibliografia general, entre els quals voldríem destacar els de Fogler i de Levenspiel per la gran influència que han tingut, així com per l’esforç de facilitar la docència. Altres llibres remarcables són els de Froment i Bischof, Hill, Nauman, Rase, Santamaría i altres, etc.
Qüestions i lectures d’ampliació
Qüestions
1. Identifiqueu diferents tipus de reaccions que poden tenir lloc en un habitatge. Assenyaleu els reactius.
2. Seleccioneu la resposta correcta. Què succeeix durant una reacció de descomposició?
a) Es combinen dues molècules per a donar-ne una altra.
b) Només canvia la configuració de les espècies moleculars.
c) Una molècula es trenca en molècules més xicotetes.
d) Una molècula es corromp.
3. Quin dels noms següents és un exemple de reacció química?
a) Absorció
b) Addició
c) Sostracció
d) Concentració
4. Quin dels successos següents indica que ha tingut lloc una reacció química?
a) Canvia la temperatura.
b) El teu cor batega més ràpid.
c) Alguna molècula ha perdut la seua identitat.
d) Canvia el volum total.
5. Com perd una espècie química la seua identitat?
a) Canvi d’estat
b) Dilució
c) Reacció química
d) Amnèsia
6. L’enginyeria química difereix de les altres enginyeries en l’èmfasi que es fa en el seu coneixement sobre:
a) Operació i manteniment de plantes.
b) Cinètica química i disseny de reactors.
c) Termodinàmica i mecànica de fluids.
d) Història de l’art i filosofia.
7. Classifiqueu el reactor de la figura 1.1 com a continu o discontinu.
8. Què succeiria en el reactor de la figura 1.2 si els tres llits de catalitzador estigueren formant un únic llit? Compareu els efectes de cada un dels llits i les seues grandàries respectives.
9. a) Assenyaleu aquells aspectes de la figura 1.2 que us indiquen que es tracta d’una reacció exotèrmica.
b) Assenyaleu aquells aspectes de la figura 1.2 que us indiquen que es tracta d’una reacció exotèrmica reversible.
10. Assenyaleu els aspectes més importants que al vostre parer caldria tenir en compte en el disseny del reactor de la figura 1.2.
11. Esmenteu un sistema en què hi haja una o diverses reaccions químiques. Identifiqueu reactius i productes. Escriviu el/els esquema/es de reacció/ons si els coneixeu. Assenyaleu les fases presents i indiqueu si la reacció té lloc en totes o en alguna d’aquestes.
Lectures d’ampliació
ARAKAWA, S. T. i altres (1998): «Increase productivity with novel reactor design», Hydrocarbon Processing, March, pp. 93-100.
BLUMENBERG, B. (1992): «Chemical Reaction Enginnering in today’s industrial enviroment», Chemical Engineering Science, 47 (9-11), pp. 2149-2162. Planteja perspectives en el desenvolupament de l’enginyeria química.
DORAISWAMY, L. K. (1992): «Chemical Reaction Engineering. A story of continuing fascination», Chemical Engineering Education, 26 (4), pp. 184-189. Apunta una sèrie de possibles extensions del camp de l’enginyeria dels reactors químics (ERQ).
FAN, L. S. i altres (1994): «The potential of Reaction Engineering», Chemical Engineering Progress, 90 (4), pp. 55-64. Fan previsions dels futurs desenvolupaments del camp d’aplicació de l’ERQ.
FOGLER, H. S. (1993): «An appetizing structure of Chemical Reaction Engineering for undergraduates», Chemical Engineering Education, 27 (2), pp. 110-116. Proposa una reflexió sobre l’ensenyament de l’ERQ amb la utilització de programes que faciliten la solució de sistemes d’equacions diferencials, com ara el POLYMATH.
LEVENSPIEL, O. (1988): «Chemical Engineering’s grand adventure», Chemical Engineering Science, 43 (7), pp. 1427-1435. Fa una reflexió sobre el desenvolupament de processos.
ONDREY, G. i altres (1996): «Reactors for the 21st century», Chemical Engineering, 103 (6), pp. 39-45. Noves maneres de dissenyar els nous reactors químics (multifuncionals, de membrana, etc.).
SHALABI, M. i altres (1996): «Current trends in Chemical Reaction Engineering Education», Chemical Engineering Education, 30 (2), pp. 146-149. Fan una revisió del contingut i dels materials emprats per diferents departaments per a l’ensenyament de l’ERQ.










