Hi-end-усилители на «военных» лампах

- -
- 100%
- +

Командирам и начальникам, воспитателям и преподавателям Воронежского Высшего Военного Инженерного Училища Радиоэлектроники посвящается
© А. С. Храмушин, 2017
ISBN 978-5-4485-6613-4
Создано в интеллектуальной издательской системе Ridero
Преждесловие
(пролог по-нашему)
В среде любителей лампового звука не утихают споры о том, какая лампа и (или) сочетание ламп дают наилучший «самый правильный» звук. Очень часто в интернете происходят самые настоящие баталии, иногда с переходом на личности. Причем самые злые спорщики на поверку зачастую оказываются чистыми теоретиками, не собравшими за свою жизнь ни одного усилителя. Особую нишу в спорах занимает вопрос о том, что лучше: пентод или триод. Цель моего скромного труда заключается не в том, чтобы кого-то переспорить, а лишь дать практические рекомендации о том, как собрать из ламп, которые я и несколько моих единомышленников считают лучшими по звуку, достойный усилитель.
Наша концепция в результате почти десятилетних поисков, экспериментов с разными топологиями схем, разными лампами, разными типами пассивных элементов выглядит так:
Пентод (тетрод) должен быть включен штатно т.е. пентодом (тетродом)
Пентод (тетрод) звучит лучше. Если уйти в область субъективных оценок, это значит, что он передает музыку лучше, особенно ее эмоциональную составляющую, что, собственно говоря, и является сутью музыки – непосредственная передача эмоций, чувств. В общем, мы за ПЕНТОДНЫЙ ЗВУК. Но ничего против не имеем, если в схеме присутствуют хорошие триоды. Даже (О, крамола!) если пентод включен триодом, что для некоторых пентодов не является ухудшающим обстоятельством.
Топология схемы усилителя мощности – однотактный (кому нравится – можно двухтактный) усилитель с непосредственными связями и кенотронным двуполярным нестабилизированным источником питания. В среде «ламповиков» такой усилитель часто называют Лофтин-Уайт по Комиссарову. Да не соблазнится никто, что я намекнул на двухтактный усилитель с непосредственными связями. Такие бывают, и я их делал. Да и не только я.
Резисторы, используемые при построении усилителя, только проволочные. Конденсаторы – бумажно-масляные для предельно аудиофильского исполнения, но можно и электролитические для бюджетного варианта. О типах резисторов и конденсаторов будет сказано отдельно при описании практических конструкций. Монтаж всех цепей (кроме накальных у косвенно-накальных ламп) производится только одножильным медным эмалированным проводом.
Для винил-корректоров принципиально нестабилизированный однополупериодный кенотронный выпрямитель с, как минимум, трехзвенным LC фильтром.
Вот, собственно говоря, наши нехитрые отправные постулаты. Приписывать себе изобретение схем я не дерзну, так как все существующие схемотехнические решения были придуманы уже к середине XX века. В книге нет теории по расчету усилителей и частотно избирательных цепей, т. к. нет смысла повторять то, что описано во множестве разнообразной технической литературы. Желающий может воспользоваться ею, либо своими знаниями, полученными в учебных заведениях, или освоенных самостоятельно. Идущий да одолеет путь. Я лишь сложил из этих кирпичей конкретные схемы, провел расчет элементов и режимов под определенные типы ламп и попытался изложить в форме, которую «поймет не только взрослый, но даже карапуз» алгоритм практической сборки усилителя на лампах. А теперь о лампах.
Лампы
Конечно же, речь пойдет, как я говорил ранее, только о тех лампах, ради которых все остальные были задвинуты на дно ящика (иногда, правда, достаются оттуда). Вот список этих ламп в порядке возрастания выходной мощности:
12ж1л (4ж1л) – универсальный маломощный пентод с короткой характеристикой. Эти два пентода отличаются только напряжением накала
12.6 Вольта и 4.2 Вольта соответственно. В остальном они идентичны. Накал косвенный.
4П1Л – усилительно генераторный выходной пентод. Накал прямой 4.2 Вольта.
12П17Л – косвенно-накальный аналог 4П1Л. Накал косвенный 12.6 Вольта.
ГУ-15 – генераторный выходной пентод. Накал прямой 4.4 Вольта.
ГУ-50 – генераторный выходной пентод. Накал косвенный 12.6 Вольта.
Зарубежных аналогов (за исключением ГУ-50) данные лампы не имеют. Существуют прототипы (кроме 12П17Л), выпущенные в фашистской Германии для нужд Вермахта. Но они имеют другой цоколь и вид баллона и практически недоступны. Да и надо ли их искать?
Кенотроны можно применять любые, подходящие по токам и напряжениям. Но в книге описаны те, которые были использованы в практических схемах. Как театр начинается с вешалки, так усилитель начинается с источника питания. Поэтому начнем по порядку, сначала с описания кенотронов, а затем блока питания винил-корректора. Итак,
6Ц4П – двуханодный кенотрон косвенного накала. Напряжение накала 6.3 В. Лампа пальчиковая семиштырьковая. Существует разновидность этого кенотрона с буквой Е (повышенной надежности). Так вот, при выборе, какой кенотрон использовать 6Ц4П, 6Ц5С или 6Ц4П-Е, предпочтение следует отдать последнему по двум причинам:
а) выше надежность,
б) звук с ним лучше, чем при применении первых двух.
Существует импортные аналоги – например, 6Х4.
6Ц5С – двуханодный кенотрон косвенного накала. Напряжение накала 6.3 В. Лампа имеет октальный восьмиштырьковый цоколь. А значит, занимает больше места. Но зато смотрится солиднее, эдакий пузанчик. Иногда внешний вид является значимым фактором. Имеются импортные аналоги 6Х5GT, EZ90. 6Ц5С- двуханодный кенотрон косвенного накала. Напряжение накала 6.3 В. Лампа имеет октальный восьмиштырьковый цоколь.
5Ц4С — двуханодный кенотрон косвенного накала. Напряжение накала 5 В. Лампа имеет октальный восьмиштырьковый цоколь. Баллон лампы бывает трех типов: «кобра», обычный цилиндрический и цилиндрический уменьшенного размера. В последнем случае лампа маркируется как 5Ц4М. Обладает великолепным звучанием. Импортные аналоги: 5Z4,5Y4,5W4.
5Ц3С — двуханодный кенотрон прямого накала. Напряжение накала 5 В. Лампа имеет октальный восьмиштырьковый цоколь. Имеет существенный недостаток – ухудшает динамические характеристики усилителя. Проявляется это в «вялом» звучания быстрых мелодий, рока. Импортные аналоги: 5U4G, GZ32,GZ34.
5Ц9С — двуханодный кенотрон косвенного накала. Напряжение накала 12,6 В. Лампа имеет баллон и цоколь как у ГУ-15. Обладает великолепным звучанием. Импортных аналогов не имеет.













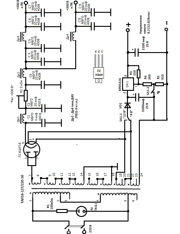
Источник питания винил-корректора
Источник предназначен для питания винил-корректора собранного на лампах 12Ж1Л (4Ж1Л). Описание и схема будут предоставлены в следующей главе (Рис.1). Поскольку лампы взаимозаменяемы, предусмотрен переключатель напряжения питания накала 4 или 12 Вольт. Потребление тока по цепи анода у данного винил-корректора не превышает 15 мА, по цепи накала 300 мА для 12 Вольт, и 880 мА для 4 Вольт. Накал кенотрона источника питания потребляет 450 мА для 6Ц4П-Е. и 600+-60 мА для 6Ц4П и 6Ц5С. Исходя из этих данных, выбираем готовый промышленный трансформатор. Вполне подходит достаточно широко распространенный на просторах нашей Великой Родины ТАН16—127/220—50. Главное, чтобы высоковольтная обмотка имела 270 – 280 вольт переменного напряжения. Можно, конечно, потрудится и намотать трансформатор самому, предварительно рассчитав его параметры. На страницах этой книги позволю себе этим не заниматься. Ниже приведены справочные данные на ТАН16—127/220—50.

Трансформаторы ТAН16 на 220 В выпускаются начиная с 1979 г., они имеют одну первичную обмотку и такую же нумерацию выводов, как у трансформаторов на 127/220 В.
Напряжение на отводах первичных обмоток трансформаторов ТAН16 на 127/220 В:
между выводами 1 и 2, 4 и 5 – 110 В;
между выводами 2 и 3, 5 и 6 – 7 В.
При использовании трансформаторов ТAН16—127/220 на 127 В необходимо:
соединить выводы 1 и 4, 3 и 6, при этом первичные обмотки 1 – 3 и 4 – 6 соединяются параллельно;
подать напряжение 127 В на выводы 1 и 3 или 4 и 6.
При использовании трансформаторов ТAН16—127/220 на 220 В необходимо:
соединить выводы 2 и 4;
подать напряжение 220 В на выводы 1 и 5.

В трансформаторах ТAН16 возможно последовательное и параллельное согласное соединение вторичных обмоток. Накальные обмотки можно соединять параллельно для увеличения тока накала.
Анодные обмотки можно соединять последовательно для получения необходимого выходного напряжения, а также параллельно для увеличения нагрузочной способности обмоток.
При последовательном соединении обмоток с разными допустимыми токами нагрузочный ток не должен превышать минимального допустимого. Параллельное соединение может осуществляться тех анодных обмоток, напряжение на зажимах которых одинаковое.
В авторском варианте источник питания сделан отдельным блоком, конденсаторы использованы в анодных цепях бумажно- масляные типа МБГО, в цепях выпрямителя накала, естественно, электролитические. Их марка не имеет принципиального значения. Для уменьшения габаритов никто не воспрещает использовать электролитические конденсаторы в анодных цепях, но, как говорил один персонаж из кинофильма «Напарник», это – не наш метод. В смысле, что не для маститого аудиофила.
Ниже представлена таблица, в которой, по мере убывания их положительных характеристик с точки зрения звука, расположены типы конденсаторов. Таблица составлена на основании специально проведенных тестов.

Вместе с этими конденсаторами тестировался конденсатор JENSEN с медными обкладками. Габариты большие, по звуку едва отличим от КБГ-МН. Разница заметна только если сравнивать их между собой быстрым переключением. Выигрыш при этом на стороне JENSEN. Только вот цена… При сравнительном прослушивании конденсаторов одной марки сделано следующее наблюдение: конденсаторы 40-50-ых годов звучат лучше, чем их собратья более позднего выпуска. Естественно, этот ряд субъективен. С данными одних источников он совпадает, с другими разнится в некоторых пунктах. В любом случае – выбор за Вами.
Провод, используемый в кабеле, соединяющем винил-корректор с источником питания, типа МГТФ. Для получения 270 Вольт переменного напряжения на силовом трансформаторе соединяются перемычками выводы 8 и 9, 10 и 11, 12 и 13. Напряжение 272 Вольта снимается с выводов 7 и 14. В качестве дросселей питания можно использовать первичные обмотки трансформаторов ТВЗ1—9, ТВЗ-Ш и ТВК-90, ТВК-110 и т. п. Причем никакой переделки этих трансформаторов не требуется. Существуют промышленные унифицированные дроссели индуктивностью не менее 5 Генри. Например, Д7, Д40 и т. д. Главное, чтобы дроссели Др3 и Др4 (см. схему) были одинаковыми.
Переключение напряжения накала ламп корректора производится двухсекционным переключателем SA1.Одна секция переключает переменное напряжение 6.3—12.6 в, вторая изменяет сопротивление в цепи регулирования микросхемного стабилизатора. Благодаря такому решению облегчается тепловой режим стабилизатора. Микросхему стабилизатора необходимо установить на радиатор, либо использовать в качестве такового корпус блока питания, если он металлический.

РИС.1
Принципиальная схема источника питания винил-корректора на лампах 4Ж1Л (12Ж1Л)
Винил-корректор
Винил-корректор (Рис.2) представляет собой двухкаскадный усилитель с сосредоточенной классической цепью коррекции по стандарту RIAA. Цепь коррекции находится между каскадами, собранными на лампах 12Ж1Л (4Ж1Л), причем в первом каскаде лампа имеет штатное пентодное включение, а во втором – триодное. Особенность данной лампы – практическое отсутствие микрофонного эффекта и фона. Звуковая сигнатура великолепна как в пентодном так и триодном включении.
Некоторые рекомендации по монтажу корректора. Общие провода, экраны ламп соединяются в одной точке вблизи входных гнезд. Если корпус корректора сделан из изоляционного материала, то никаких особенностей нет, если же корпус металлический, то входные гнезда должны быть изолированы от корпуса. Точка соединения металлического корпуса корректора с общей шиной питания подбирают экспериментально. В случае применения ламповых панелей в виде стакана она образуется автоматически контактом стакана с шасси.
Соединительный разъем для подключения источника питания может быть любой, главное, чтобы в нем было не менее 5 контактов (два для накальных цепей, один общий и два для анодных цепей каналов).
При триодном включении 4Ж1Л (12Ж1Л) Соединить между собой анод, сетки вторую, третью и внутренний экран!!!
При пентодном включении – активное сопротивление в цепи первой сетки не должно превышать 100 кОм во избежание появления токов утечки.

Рис.2. Принципиальная схема винил-корректора. От номиналов резисторов R6 и R8 зависит АЧХ устройства. В таблице приведены возможные сочетания их сопротивлений.

Рис.3 Лампа 12Ж1 и панельки к ней.
Краткое отступление по поводу воспроизведения грамзаписей
В настоящее время считается, что основную массу грамзаписей (после 1967) года составляют носители, записанные в стандарте RIAA. Однако, многие фирмы продолжали записывать пластинки в форматах отличных от указанного. Так Deutsche Grammofon Geselschaft (DGG) и после 1967 года делала записи в стандарте TELDEC. Записи, сделанные в Великобритании, имеют формат TELDEC (основная масса записей БИТЛЗ), LONDON LP M33 или BBC. А в 60-ые годы 20 века, когда во множестве имелись пластинки для проигрывателей со скоростью вращения 78 оборотов, количество разнообразных форматов доходило до двух десятков. С 1955 года в нашей стране, Великобритании и США для 78-оборотных пластинок действовал в основном стандарт IEC N78 (ГОСТ 5289—50). Поэтому, для любителей старинных записей имеет смысл собрать винил-корректор, как минимум, с двумя типами коррекции: RIAA и IEC N78. Чтобы при многословии не впасть в ошибки, ниже приводится таблица наиболее распространенных стандартов.
Конец ознакомительного фрагмента.
Текст предоставлен ООО «ЛитРес».
Прочитайте эту книгу целиком, купив полную легальную версию на ЛитРес.
Безопасно оплатить книгу можно банковской картой Visa, MasterCard, Maestro, со счета мобильного телефона, с платежного терминала, в салоне МТС или Связной, через PayPal, WebMoney, Яндекс.Деньги, QIWI Кошелек, бонусными картами или другим удобным Вам способом.





