Международный машиностроительный чертеж по стандартам ISO. Отличия от ЕСКД. Личный опыт автора

- -
- 100%
- +

Предисловие
Современные рыночные условия таковы, что размещение производства на мощностях отечественных предприятий не всегда удовлетворяют оптимальному соотношению цена-качество-время изготовления. Все более и более развивается кооперация с иностранными заводами.
Поэтому для отечественного современного инженера, конструктора, механика, уже недостаточно знать и владеть правилами оформления чертежей в соответствии с единой системой конструкторской документацией ЕСКД, принятой в странах СНГ. Для размещения производственного заказа в Европе и Китае необходимо владеть правилами оформления чертежей по международным правилам ISO, принятой более чем в 163 странах.
Несмотря на то, что отечественные стандарты оформления чертежей создавались по образу и подобию стандартов ISO, между ними все же имеются различия. Различается форма и наполнение основной надписи чертежа, имеются отличия в расстановке размеров, указания допусков, оформления технических требований и прочее, не говоря уже о том, что чертежи должны быть выполнены на английском языке, с использованием англоязычных технических терминов.
Чертежи, выполненные по ISO, более информативные, емкие, их можно легко понять интуитивно. Недаром у иностранных инженеров кредо профессии: «Инженер делает чертеж не для себя, а для тех, кто будет по нему работать».
Цель данного издания – кратко отразить основные существенные особенности оформления чертежей ISO от ЕСКД, знание которых позволит Вам легко чертить «по-международному» и лучше понимать эти чертежи.
Чертежный лист и основная надпись
Размеры форматов чертежного листа и его разлиновка – рамка, разбивка на зоны, положение основной надписи, регламентируется ISO 5457:1999. Состав данных основной надписи регламентируется ISO 7200:2004.
Форматы листов (А4, А3, А2, А1, А0), их размеры, а также правила вычерчивания рамки листа соответствуют ЕСКД. Теперь об отличиях.
Отличия заключаются в том, что по правилам ISO является обязательным разбивка чертежа на зоны. Согласно ГОСТ 2.301 разбивка на зоны не обязательна.
Для разбивки чертежа на зоны, на расстоянии 5 мм от рамки чертежа (расстояние откладывается по направлению к внешней границе листа) вычерчивается дополнительная рамка тонкой линией. Промежуток 5 мм между двух рамок разделяют на зоны. Длина каждой зоны 50 мм, а не длина сторон формата А4, как рекомендует ГОСТ 2.301. Нумерацию зон начинают из верхнего левого угла чертежа (рисунок 1). По горизонтальной кромке листа зоны обозначают цифрами 1, 2, 3 и т.д. По вертикальной кромке листа зоны обозначают английскими буквами А, B, C и т.д. (кроме букв I, O) В углах листа, кроме верхнего левого, получаются укороченные зоны, меньшие чем 50х50 мм. Это нормально. На всех форматах, кроме А4, зоны дублируются слева-справа, вверху-внизу. Только на формате А4 зоны указывают только сверху и справа.

Рисунок 1 – Структура чертежного листа
Каждый угол чертежного листа снабжается знаком обрезки, по которым некоторые плоттеры могут самостоятельно обрезать напечатанный чертеж (рисунок 1). Чертежный лист снабжается также знаками центра листа. Всего 4 знака – черточки, ставятся по четырем сторонам листа, на рамке, в центре листа. Подчёркиваю – в центре листа, а не в центре рамки.
Лист условно разделяется на функциональные зоны и блоки. Лист имеет три функциональных зоны – зона черчения DRAWING AREA, зона записи технических требований NOTES TEXT AREA, зона для записи изменений FUTURE REVISION AREA.
Лист содержит основные блоки – блок основной надписи TITLE BLOCK и блок фиксации проведенных изменений REVISION HISTORY BLOCK. Эти блоки должны быть на чертеже всегда.
Блок изменений вычерчивается только как «шапка» таблицы, а строки добавляются позже, вручную, после внесения изменений в чертеж. Предвидя будущие изменения в чертеже (а их в инженерной практике бывает немало), свободное место между шапкой таблицы изменений и основной надписью желательно не заполнять.
Выполняя чертеж на формате А4, зона рисования перемещается на территорию зоны изменений, сокращая ее. Технические требования располагаются над основной надписью. Графику располагайте так, чтобы имелась возможность дополнять технические требования и вписывать изменения.

Рисунок 2 – Размещение основных блоков на формате А4.
Наибольшее, ярко выраженное отличие от ЕСКД, сразу бросающееся в глаза при анализе иностранного чертежа, является начертание основной надписи.
Рассматривая основные надписи иностранных чертежей, первоначально можно впасть в смятение, увидев, как сильно они различаются. Они отличаются не только от ЕСКД, но и друг от друга. Дело в том, что ISO 7200:2004 не устанавливает жестких ограничений на форму основной надписи. Он устанавливает обязательный набор данных, которые должны быть в основной надписи, а дополнительные необязательные данные разработчики чертежа могут вносить по своему усмотрению, если это требуется. Разрешается изменять размеры полей основной надписи, перемещать их, масштабировать. Так сложилось исторически в связи с тем, что старые компании, фирмы, предприятия, имеют свою оригинальную конфигурацию основной надписи. Фирменный образец основной надписи выдается как шаблон новым работникам. По форме и начертанию основной надписи, даже без логотипа компании, опытные люди могут определить, на каком предприятии выпущен чертеж. Требование только одно – длина основной надписи не должна превышать 180 мм.
Обязательные данные, которые должны быть включены в основную надпись чертежа (ISO 7200:2004):
Название чертежа TITLE
Номер чертежа IDENTIFICATION NUMBER или DRAWING No
Тип документа DOCUMENT TYPE
Название организации, фирмы LEGAL OWNER
Фамилии и подписи сотрудников: разработчик чертежа DRN, проверяющий СHD, утвердил APPD.
Дата создания чертежа ISSUE
Номер листа SHEET NUMBER
Дополнительные (необязательные данные), вносимые в основную надпись при необходимости (ISO 7200:2004):
Материал MATERIAL
Общие допуски TOLERANCE
Общая чистота обработки FINISH
Версия чертежа REV
Формат листа SIZE
Масса детали WEIGHT
Общий масштаб изображений на чертеже SCALE
Метод проекции (поле PROJECTION)
Мы привыкли, что в основной надписи рабочего чертежа обязательно должен быть указан масштаб, материал детали, масса. Поэтому предлагаю Вам использовать следующую форму основной надписи при создании рабочих машиностроительных чертежей (рисунок 3).

Рисунок 3 – Рекомендуемая автором форма основной надписи с основными и дополнительными полями данных, оптимальными для машиностроительного рабочего чертежа, соответствующая ISO 7200:2004
В поле TITLE основной надписи допускается вносить не только краткое название детали или сборочной единицы, как принято у нас, например: «Клапан», «Втулка», «Шток», а развернутое название, включающее принадлежность детали к узлу или изделию, условия эксплуатации и применения.
Пример:
«PRESSURE SECTION VALVE. PRESSURE UP TO 10 ATM»
(Клапан напорного участка. Давление до 10 атм.)
На чертежах ISO все буквы ПРОПИСНЫЕ. Это касается не только основной надписи, но и технических требований, выносок, примечаний, всего-всего, что пишется текстом на чертеже.
Идентификационный номер чертежа, вносимый в поле IDENTIFICATION NUMBER, должен быть уникальным, не повторимым в пределах одного предприятия. Этот номер используется для облегчения хранения и поиска чертежей. Единого классификатора, как у нас в ЕСКД, не существует. Система присвоения номера на каждом предприятии может быть совершенно любой, от очень простой, содержащей только порядковый номер чертежа, до сложных многозначных, многоуровневых систем. Новых сотрудников в иностранных компаниях обучают уникальным стандартам присвоения чертежам номеров, принятых в данной компании.
В поле основной надписи DOCUMENT TYPE вносится сокращенное название документа, например – чертеж детали PART DRAWING, сборочный чертеж ASSEMBLY DRAWING, электромонтажный чертеж ELECTRICAL INSTALLATION DRAWING, габаритный чертеж DIMENSIONAL DRAWING и другие. Описание типа документа может быть любым, но самое главное понятным. Данное поле заполняется с целью облегчения поиска чертежа в компьютерной базе данных.
В поле REV вносится версия чертежа. Например, чертеж только создан и впервые отправлен на завод. Тогда можем написать в поле REV – “A”. Затем от завода пришло предложение о коррекции чертежа с целью удешевления изготовления. Чертеж переправили. Теперь можем поставить REV – “B”. Потом собрали изделие, испытали. Пришли к выводу, что деталь надо подкорректировать для более надежной работы устройства. Чертеж перевыпустили. Ставим «С». Допускается вместо букв ставить цифры «1», «2», «3» и т.д.
В поле основной надписи LEGAL OWNER вносится название фирмы, организации, предприятия, юридически владеющей чертежом. Рекомендуется вставлять логотип предприятия. С этой целью поле можно расширять, растягивать, удлинять.
Не является обязательным подпись технологического контроля и нормоконтролера. Такое послабление особенно актуально для мелких компаний, в которых должности технолога и нормоконтролера может вообще не быть. Возможность изготовления детали определяется подписанным договором на изготовление с конкретным заводом изготовителем, к которому привязана конкретная технологическая группа. Действительно, если один завод не возьмется изготовить детали, вероятно, найдется другой завод, который справится с заданием.
Методы получения проекций
Методы получения проекций – это средства представления трехмерных объектов, деталей на плоскости (в двумерных измерениях). Приведу простые и наглядные примеры, по которым все станет понятным.
На рисунке 4 изображено расположение видов относительно главного вида, построенных по методу первого угла FIRST ANGLE. Этот метод распространён во всем мире, кроме США. На рисунке 5 изображено расположение видов по методу третьего угла THIRD ANGLE, принятый как раз только США.

Рисунок 4 – Иллюстрация расположения видов по методу первого угла

Рисунок 5 – Иллюстрация расположения видов по методу третьего угла
Приступая к чтению импортного чертежа, первым делом необходимо посмотреть в основную надпись и узнать, какой метод построения проекций используется в нем, чтобы избежать крупных ошибок. Несмотря на то, что PROJECTION BLOCK является необязательным полем данных основной надписи, его все равно рекомендуется включать в основную надпись.
В поле основной надписи PROJECTION вносятся символы метода проекций (рисунок 6), показывающие, каким из способов выполнены проекционные связи на чертеже.

Рисунок 6 – Символы в поле PROJECTION основной надписи, иллюстрирующие метод проекций
Оформление видов, разрезов, сечений
Обозначения видов, разрезов, сечений осуществляется указанием внизу, под конкретным изображением слов VIEW A (вид А), SECTION B-B (разрез B-B). Указание осуществляется именно внизу изображения, а не вверху, как мы привыкли. Если масштаб изображения отличается от основного масштаба, указанного в основной надписи, добавляется обозначение масштаба (рисунок 7), например: SCALE (1:2)
Линии сечений, (короткие утолщенные линии, на которых мы ставим стрелки направления взгляда), в чертежах ISO соединяются штрихпунктирной линией (рисунок 8). Штрихпунктирная линия вычерчивается утолщенной. Это довольно удобно, так как наглядно видно прохождение траектории разреза без необходимости прикладывания линейки к чертежу. На отечественных чертежах такое соединение штрихпунктирной линией допускается, но на практике применяется довольно редко.
На чертежах ISO, если вид, разрез или сечение необходимо оборвать по осевой линии, в качестве линии обрыва используют тонкую линию с изломами. В чертежах ЕСКД такое на практике используется в строительных чертежах.

Рисунок 7 – Оформление видов, разрезов, сечений

Рисунок 8 – Оформление видов, разрезов, сечений
Если разрез детали выполняется только до оси детали, то вторая линия сечения (маркер сечения) с направлением взгляда не ставится (рисунок 9) и под изображением разреза SECTION не пишется.

Рисунок 9 – Оформление разреза, выполненного до оси детали
Под графическим изображением вида, который построен по проекционным связям и не имеет стрелки указания вида, то есть для стандартных видовых проекций, допускается подписывать название вида: вид спереди FRONT VIEW, вид сверху TOP VIEW, вид слева LEFT VIEW и т.д. (см. рисунок 10).

Рисунок 10 – Обозначение стандартных видов
Если объект, подвергаемый разрезу или сечению, находится на одном листе чертежа, а само изображение получаемого разреза или сечения, расположено на другом листе чертежа, то рядом с линией сечения и изображением сечения, приводят надписи, указывающих расположение (рисунок 11).

Рисунок 11 – Расположение объекта и разреза на разных листах чертежа
Пожалуй, это все основные особенности оформления видов, разрезов, сечений. Для более подробного изучения рекомендуется обратиться к соответствующим стандартам.
Размеры
Общие положения
В международных чертежах целые размерные числа разделяются точкой. Запятые не используются.
Миллиметры являются основной единицей измерения. Несмотря на это, в технических требованиях NOTES или в поле TOLERANCE основной надписи, все равно рекомендуется указывать, в каких единицах выполнен чертеж.
NOTES:
DIMENSIONS ARE IN MILLIMETERS (mm)
(размеры даны в миллиметрах)
или:
NOTES:
UNLESS OTHERWISE SPECIFIED
DIMENSIONS ARE IN MILLIMETERS (mm)
(размеры даны в миллиметрах, если не указано иное)
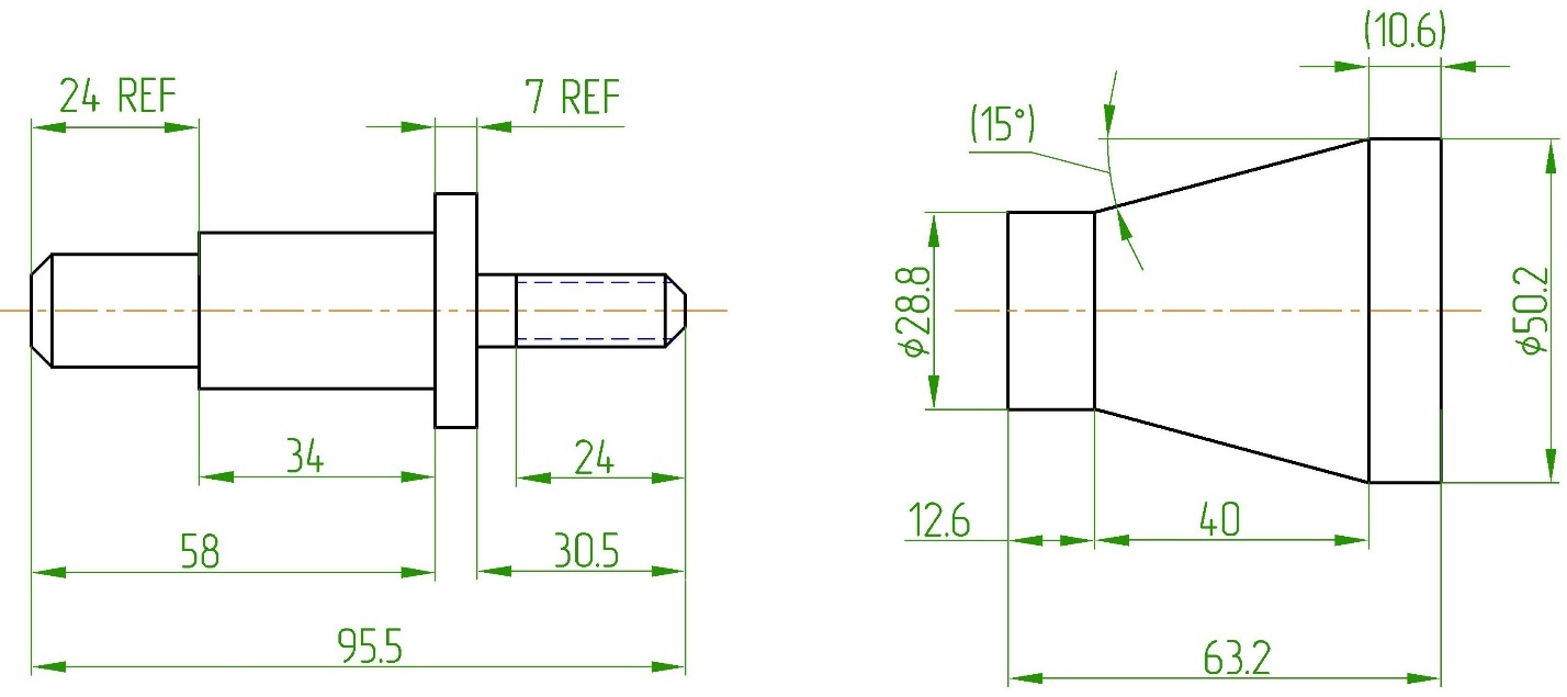
Справочные размеры (рисунок 12) указывают двумя возможными способами. Первый способ заключается в написании REF (сокращение от REFERENCE) справа или под размерным числом. Второй способ заключается во взятии в скобки () размерного числа справочного размера. Необходимо придерживаться только одного выбранного правила указания справочных размеров.

Рисунок 12 – Обозначение справочных размеров
Рекомендуется расставлять размеры конструктивных элементов только на тех видах и разрезах, на которых эти поверхности являются видимыми и неискаженными. Однако при оформлении сложных и насыщенных чертежей выполнить рекомендуемое не всегда удается. Если на виде изображена поверхность в искаженном виде, и размер необходимо поставить также на этом же виде, то около размерного числа пишется слово TRUE. Это говорит о том, что размерное число указано истинное, не смотря на искажение изображенной поверхности (рисунок 13).

Рисунок 13 – Указание размера отверстия на искаженном виде
Если деталь, или элемент детали слишком длинные и занимают много места на чертеже, допускается выполнять условные разрывы этих деталей и элементов. Место условного разрыва обозначается сплошной тонкой волнистой линией. Разрыв рекомендуется обозначать еще и на размерной линии, вычерчивая на ней зигзаг (рисунок 14).

Рисунок 14 – Зигзаг на размерной линии при обозначении разрыва
Габаритные размеры деталей допускается не отображать размерными линиями в зоне черчения. Их можно указывать в технических требованиях чертежа NOTES. Это особенно удобно, если детали плоскостные – платы, панели, полосы и др., – не требуется делать вид сбоку для указания толщины (рисунок 15).

Рисунок 15 – Вынос габаритных размеров в технические требования
Размеры отверстий
Если имеется несколько одинаковых отверстий, их количество и диаметр на размерной линии обозначают текстом (рисунок 16), например так: 3 HOLES 5.5, что обозначает 3 отверстия, диаметр 5,5.

Рисунок 16 – Размеры отверстий
Вместо знака используют также слово DIA, что также обозначает диаметр.
Если не имеется изображения, из которого было бы понятно, что указанные отверстия должны быть изготовлены насквозь, то добавляется текст THRU (рисунок 17).

Рисунок 17 – Упрощенное обозначение сквозных отверстий
Если на чертеже затруднительно показать глубину глухого отверстия, предусмотрен специальный символ, обозначающий его глубину (рисунок 18).
Конец ознакомительного фрагмента.
Текст предоставлен ООО «Литрес».
Прочитайте эту книгу целиком, купив полную легальную версию на Литрес.
Безопасно оплатить книгу можно банковской картой Visa, MasterCard, Maestro, со счета мобильного телефона, с платежного терминала, в салоне МТС или Связной, через PayPal, WebMoney, Яндекс.Деньги, QIWI Кошелек, бонусными картами или другим удобным Вам способом.



