Преселектор специализированного цифрового радиоприемного устройства

- -
- 100%
- +

1.
Анализ требуемого частотного диапазона радиоприемника
Современное развитие профессиональной мобильной радиосвязи (ПМР) характеризуется широким внедрением цифровых технологий. Цифровые комплексы технических средств могут обеспечить все преимущества, связанные с цифровой обработкой сигналов: улучшение качества и надежности связи, повышение безопасности каналов связи, новые функциональные возможности, упрощение и повышение скорости передачи данных и т.д. Широкое распространение получили транкинговые системы связи, в частности радиостанции стандарта ТЕТРА. В связи с быстрым ростом количества используемых радиостанций все более остро встает вопрос о необходимости технического контроля параметров излучения этих средств связи.
Специализированное цифровое радиоприемное устройство предназначено для контроля параметров излучений базовых и абонентских станций ТЕТРА в реальных условиях их работы.
Анализ выпускаемых базовых станций (БС) показал, что они производятся с количеством частотных трактов от одного до восьми, при использовании дополнительного оборудования количество трактов может наращиваться до двенадцати. Абонентские станции работают на частотах, задаваемых им БС на время сеанса связи. Следовательно, для обеспечения контроля работы одной абонентской станции необходимо контролировать все частотные тракты приема данной БС.
Исходя из этого, радиоприемное устройство должно одновременно контролировать все частоты приема одной БС.
Для работы базовых и абонентских станций ТЕТРА выделены следующие полосы частот:
Россия:
– 380 – 400 МГц;
– 410 – 430 МГц;
– 450 – 470 МГц;
– 815 – 820 МГц;
– 860 – 865 МГц;
США и Европа:
– службы безопасности и аварийно-спасательные: 380 – 390 МГц; 390 – 400 МГц;
– гражданские службы: 410 – 430 МГц; 450 – 470 МГц; 870 – 876 МГц; 915 – 921 МГц;
– FCC (ФКС США): 805 – 825 МГц; 850 – 870 МГЦ;
Азия:
– 805 – 876 МГц;
– 915 – 921 МГц.
Таким образом, работа станций ТЕТРА разрешена не во всем указанном диапазоне, а в отдельных поддиапазонах.
В таблице 1 приведены частотные диапазоны абонентских станций ТЕТРА.
Таблица 1 – Частотные диапазоны абонентских станций ТЕТРА

Из анализа вышеизложенного вытекает, что в настоящее время наиболее вероятной будет работа станций ТЕТРА в следующих поддиапазонах: 300 – 500 МГц; 800 – 950 МГц.
Однако, диапазон работы станций ТЕТРА окончательно не определен. В настоящее время, как в России, так и в других странах, изыскиваются возможности для выделения рабочих частот для станций ТЕТРА в других поддиапазонах. В принципе станции ТЕТРА могут выпускаться для работы в поддиапазонах 100 МГц – 1100 МГц. Поэтому, несмотря на то, что в поддиапазонах 100 – 300 МГц, 500 – 800 МГц и 950 – 1100 МГц работа станций ТЕТРА маловероятна, необходимо предусмотреть работу радиоприемного устройства и в этих поддиапазонах.
Поскольку требования к преселектору радиоприемного устройства коренным образом зависят от вида цифровой обработки, применяемой в радиоприемном устройстве, прежде чем приступать к разработке преселектора, нужно определиться с структурной схемой радиоприемного устройства.
2.
Анализ схем радиоприемников с цифровой обработкой сигнала
Из проведенного выше анализа ясно, что данное радиоприемное устройство относится к устройствам СВЧ диапазона и, по сути, является измерительным устройством. По сравнению с аппаратурой, работающей на длинных, средних, коротких и ультракоротких волнах, радиоприемные устройства СВЧ диапазона обладают рядом особенностей. Так, в диапазоне СВЧ уровень внешних помех чрезвычайно мал, если, конечно, помехи не создаются преднамеренно. Основную роль играют внутренние шумы, которые ограничивают чувствительность радиоприемного устройства. В связи с этим в радиоприемных устройствах диапазона СВЧ большое внимание уделяется уменьшению шумов всех элементов: частотно-избирательных систем, усилителей, преобразователей частоты и др. Первые каскады радиоприемного устройства обязательно должны быть малошумящими.
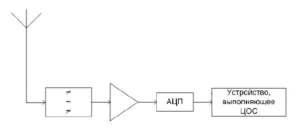
С развитием цифровых технологий все большее внимание уделяется построению радиоприемных трактов с применением цифровой обработки сигналов (ЦОС), называемых в литературе SDR – software defined radio. Эта технология основывается на возможности оцифровки радиосигнала в реальном времени и последующей обработке программными или аппаратными цифровыми средствами – цифровыми сигнальными процессорами, программируемыми логическими интегральными схемами (ПЛИС) и т.д. Технология SDR позволяет осуществлять прием и демодуляцию сигналов, в которых используются цифровые виды модуляции, такие как QPSK, QAM, GMSK и т.д. В зависимости от частоты и ширины спектра принимаемого сигнала цифровая обработка в приемнике может использоваться как по радиочастоте (рисунок 1), так и после переноса сигнала на фиксированную промежуточную частоту – обработка по ПЧ (рисунок 2).

Рисунок 1 – Структура приемника с ЦОС по радиочастоте

Рисунок 2 – Структура приемника с ЦОС по промежуточной частоте
Поскольку диапазон рабочих частот радиоприемного устройства от 100 МГц до 1100 МГц, в нем невозможно будет использовать классический принцип дискретизации в соответствии с теоремой Котельникова, согласно которой частота выборок должна быть как минимум в два раза больше верхней частоты в спектре дискретизируемого сигнала, так как отсутствуют АЦП с такой частотой дискретизации.
Для высокочастотных узкополосных сигналов, у которых ширина спектра много меньше абсолютного значения центральной частоты, используется полосовая дискретизация (undersampling), которая позволяет обойти ограничение, накладываемое теоремой Котельникова. Этому условию соответствуют практически все радиосигналы. В этом случае теорема Котельникова звучит следующим образом: для сохранения информации о сигнале частота его дискретизации должна быть равной или большей, чем удвоенная ширина полосы сигнала [3]. При полосовой дискретизации оцифровке подвергается не вся полоса частот, а лишь небольшая ее часть, содержащая спектр модулированного сигнала. Полосовая дискретизация позволяет одновременно с оцифровкой сигнала произвести перенос его спектра на низкую частоту [4], при этом для защиты от наложения спектра необходимо использовать полосовые перестраиваемые фильтры, с помощью которых нужно выделять ту часть спектра, которая подлежит оцифровке. Для реализации такого радиоприемного устройства понадобится преселектор, содержащий перестраиваемый полосовой фильтр с полосой, обеспечивающей выделение заданных 12-ти каналов. Эксперимент показал, что частотные каналы базовых станций ТЕТРА не выходят за пределы полосы ∆F=1 МГц.
При проведении расчета такого полосового фильтра было установлено, что перестраиваемый фильтр на дискретных элементах можно реализовать только до частот 300 МГц. На более высоких частотах необходимо применять микрополосковые или кварцевые фильтры, но они не могут быть перестраиваемыми. Поэтому реализовать перестраиваемый полосовой фильтр на частотах свыше 300 МГц невозможно. Поскольку мы не можем реализовать на заданных частотах требуемый преселектор, использовать приемник прямого преобразования для решения поставленной задачи не представляется возможным.
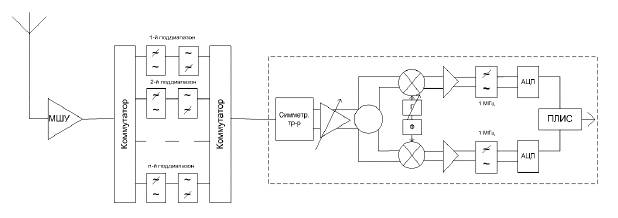
Таким образом, в радиоприемном устройстве должно быть реализовано аналоговое преобразование частоты. Для цифрового радиоприемного устройства достаточно одного преобразования. Учитывая используемый в радиостанциях стандарта ТЕТРА вид модуляции p/4QPSK, это должно быть квадратурное преобразование с переносом спектра сигнала на нулевую частоту. Структурная схема такого радиоприемного устройства приведена на рисунке 3.

Рисунок 3. Структурная схема радиоприемного устройства
На рисунке 3 изображены:
МШУ – малошумящий усилитель;
Г – перестраиваемый гетеродин;
Ф – фазовращатель на 90°.
3.
Требования к преселектору
Поскольку требуется радиоприемное устройство супергетеродинного типа, необходимо позаботиться о фильтрации помехи по зеркальному каналу. В некоторых публикациях утверждается, что при преобразовании сигнала на нулевую частоту в квадратурном преобразователе цифрового радиоприемника помеха по зеркальному каналу отсутствует. Это будет справедливо только в том случае, если используемый в преобразователе гетеродин будет выдавать идеальные, по форме, синусоиду и косинусоиду. На практике это далеко не так. Форма сигнала гетероридина далека от идеальной, в связи с чем появляются гармоники основного сигнала, которые также участвуют в преобразовании частоты. Поэтому, в задачу преселектора входит подавление сигналов на частотах, которые после взаимодействия в смесителе со 2-й и более высокими гармониками основной частоты гетеродина попадут в рабочую полосу частот ∆F=1 МГц. Поскольку при переносе на нулевую частоту fг=fс, в преселекторе необходимо подавить сигналы с частотами 2fс-∆F и более высокие.
Анализ таблицы 1 показывает, что абонентские станции могут работать только в одном из указанных поддиапазонов, в зависимости от модификации. То есть, абонентская станция с диапазоном рабочих частот 380 – 430 МГц не может взаимодействовать с БС с диапазоном частот 806 – 870 МГц. При перемещении абонентской станции между зонами действия БС нужно контролировать только частоты БС с аналогичным поддиапазоном. Следовательно, одновременный контроль таких поддиапазонов как 380 – 430 МГц и 806 – 870 МГц не потребуется. Поскольку радиоприемное устройство будет работать в каком-то одном из этих поддиапазонов, достаточно иметь один преселектор с переключаемым поддиапазоном.
Необходимо разбить весь диапазон радиоприемного устройства на поддиапазоны. При работе на самой низкой частоте диапазона fс=100 МГц нужно подавлять сигналы с частотами 199 МГц и выше. Следовательно, первый поддиапазон преселектора должен быть 100 МГц – 198 МГц. Аналогично вычисляются остальные поддиапазоны: 198 МГц – 395 МГц; 395 МГц – 798 МГц; 798 МГц – 1100 МГц.
Ранее было обосновано, что наиболее вероятной будет работа станций ТЕТРА в поддиапазонах 300 МГц – 500 МГц и 800 МГц – 950 МГц. Как видим, основной поддиапазон 300 МГц – 500 МГц перекрывается двумя фильтрами. Следовательно, при контроле параметров излучений в этом поддиапазоне, может потребоваться переключение фильтров во время измерений, что нежелательно. Поэтому, эти поддиапазоны целесообразно выделять отдельными фильтрами. С учетом выпускаемых кварцевых фильтров это будут поддиапазоны 252 МГц – 500 МГц и 740 МГц – 1200 МГц. Поддиапазон 500 МГц – 740 МГц будем выделять фильтром 440 МГц – 770 МГц.
Для обеспечения подавления помехи по зеркальному каналу оставшийся поддиапазон 100 МГц – 252 МГц нужно разбивать на два поддиапазона, с учетом выпускаемых фильтров это должны бать поддиапазоны 82 МГц – 180 МГц и 82 МГц – 350 МГц. Таким образом преселектор должен состоять из пяти переключаемых фильтров.
Поскольку выпускаемые промышленностью высокочастотные коммутаторы для переключения фильтров четырехканальные, а фильтров пять, то нужно будет дополнительно использовать два коммутатора и два разветвителя сигнала, что приведет к увеличению собственных шумов радиоприемного устройства. А это нежелательно, так как ухудшится чувствительность радиоприемного устройства во всех поддиапазонах. Поскольку в поддиапазоне 100 – 300 МГц, работа станций ТЕТРА маловероятна, перекроем этот поддиапазон одним фильтром 82 МГц – 350 МГц. При этом мы будем иметь заниженное значение избирательности по зеркальному каналу в полосе от 100 МГц до 175 МГц, в которой использование радиоприемного устройства маловероятно, но сохраним нормальную работу радиоприемного устройства в остальном диапазоне.
Таким образом, для борьбы с помехой по зеркальному каналу в преселекторе радиоприемника целесообразно применить четыре коммутируемых полосовых фильтра с частотами среза: 82 – 350 МГц; 252 – 500 МГц; 440 – 770 МГц и 740 – 1200 МГц, которые будут перекрывать весь заданный диапазон частот. В зависимости из того, в какой поддиапазон попадают заданные 12 частотных трактов, должен коммутироваться нужный фильтр.
В связи с тем, что полосовые фильтры с указанными частотами среза промышленностью не выпускаются, нужно применять составные фильтры, как комбинацию соответствующих фильтров верхних и нижних частот.
На рисунке 4 представлены поддиапазоны работы станций TETRA и требуемые АЧХ поддиапазонов преселектора.

Рисунок 4 – Поддиапазоны работы станций TETRA и АЧХ поддиапазонов преселектора
На рисунке 4 изображены:

– первый поддиапозон преселектора, 82 – 350 МГц;

– второй поддиапозон преселектора, 300 – 500 МГц;

– третий поддиапозон преселектора, 400 – 770 МГц;

– четвертый поддиапозон преселектора, 700 – 1200 МГц;

– поддиапазоны работы станций TETRA.
Для проверки характеристик разработанного преселектора был изготовлен его макет. Фото изготовленного макета коммутируемого преселектора показано на рисунке 5.
Снятые при испытаниях макета АЧХ фильтров преселектора показаны на рисунке 6.

Рисунок 5. Макет преселектора с коммутируемыми фильтрами

Рисунок 6. Полученные АЧХ коммутируемых фильтров преселектора
Как видно из рисунка 6, рабочий диапазон радиоприемника хорошо перекрывается четырьмя выбранными фильтрами преселектора. Полосы частот, в которых в настоящее время работают радиостанции стандарта ТЕТРА, полностью попадают во второй и четвертый поддиапазоны преселектора, поэтому переключение поддиапазонов при измерении параметров излучений не потребуется. Формы, полученных АЧХ, достаточно близки к прямоугольным, что обеспечит малые искажения сигнала в полосе пропускания и хорошее подавление сигнала вне полосы пропускания.
Литература
1. Скляр Б. Цифровая связь. Теоретические основы и практическое применение. Изд. 2-е, испр. Пер с англ. – М.: Издательский дом «Вильямс», 2003.
2. Айфичер Э., Джервис Б. Цифровая обработка сигналов: практический подход, 2-е издание. Пер. с англ. – М.: Издательский дом «Вильямс», 2004.
3. Аналого-цифровое преобразование. Под. ред. У. Кестера. Пер с англ. под ред. Е.Б. Володина. – М.: Техносфера, 2007.
4. Лайонс Р. Цифровая обработка сигналов: 2-е изд. Пер. с англ. – М.: ООО «Бином-Пресс», 2006



