Трагедия подводной лодки «Комсомолец»

- -
- 100%
- +
Но что простительно в какой-то степени писателю-маринисту, непростительно адмиралу.
Указанные рекомендации пригодны для любого пожара в 7-м отсеке подводной лодки «Комсомолец» и вытекают из требований статей 21, 38, 89, 90, 91, 121 РБЖ-ПЛ-82 – основного документа по обеспечению живучести подводных лодок. Конкретные же действия экипажа при авариях и боевых повреждениях излагаются в «Руководстве по боевому использованию технических средств (РБИТС)", разрабатываемом для подводных лодок каждого проекта. На основании названных документов составляется «Боевое корабельное расписание» и разрабатываются планы проведения корабельных учений по отработке задач по борьбе за живучесть подводной лодки. В рамках учений экипажем должна была быть отработана до автоматизма и типовая задача – «Пожар в 7-м отсеке». Если же экипаж в период аварии начнет изобретать «в чем-то более эффективные или предусмотрительные решения», то он, наверняка, будет обречен на поражение. Этого не могут не знать вице-адмирал Зайцев и капитан 1-го ранга Коляда.
И когда члены секции «Эксплуатация и борьба за живучесть» от промышленности попытались разобраться, как и чему учился экипаж капитана 1-го ранга Ванина при отработке задач по борьбе за живучесть подводной лодки, то оказалось, что «Руководство по боевому использованию технических средств» для лодки «Комсомолец» не было разработано, хотя исходные данные для этой цели бюро-проектант выдало еще в 1983 году. Пяти лет не хватило Военно-морскому флоту, чтобы «в спокойной обстановке, без острого дефицита времени, с привлечением к работе компетентнейших специалистов…» разработать основной документ по борьбе за живучесть, который должен был конкретизировать общие требования РБЖ-ПЛ-82 применительно к подводной лодке «Комсомолец».
«Руководство по боевому использованию технических средств» входит в комплект боевой документации по живучести подводной лодки, и без этого документа у экипажа не должен был приниматься зачет по отработке задач по борьбе за живучесть корабля, а сама подводная лодка не должна была выпускаться в море. Но, как видно, для наших «флотоводцев» закон не писан.
Из сказанного следует, что экипаж капитана 1-го ранга Ванина не имел теоретической основы для грамотной отработки задач по борьбе за живучесть, что и явилось определяющим при аварии. Экипаж оказался заложником преступной безответственности и наплевательского отношения руководства Военно-морского флота к нуждам подводников.
Не были представлены правительственной комиссии и планы проведения корабельных учений по борьбе за живучесть.
Все сказанное не нашло отражения в материалах правительственной комиссии по расследованию аварии подводной лодки «Комсомолец». Причина простая: персонально ответственные за происшедшее – начальник 1-го института Военно-морского флота вице-адмирал М.М.Будаев и начальник Главного управления ВМФ по эксплуатации и ремонту вице-адмирал В.В.Зайцев – являлись председателями секций рабочей группы правительственной комиссии. Расследование аварии производила не беспристрастная комиссия, а «шемякин суд».
ВСПЛЫТИЕ
Вахтенный журнал:
«11.06 – Аварийная тревога! Всплытие на глубину 50 метров. Подать ЛОХ в 7-й отсек».
Каковы же действия главного командного пункта при объявлении тревоги? А скорее – бездействия. Он не объявил место и характер аварии; не назначил рубежей обороны; не принял решения о выводе из действия аварийных технических средств, обеспечивающих ход; не определил главного направления борьбы за живучесть подводной лодки; не дал команду на отключение участков систем воздуха высокого давления и гидравлики, проходящих через аварийный отсек; не принял решения на всплытие лодки в надводное положение. А что должен был делать личный состав после объявления аварийной тревоги?
Первое – занять места согласно «Боевому корабельному расписанию». Личный состав 6-го и 7-го отсеков во главе со своими командирами по неизвестной причине не попал даже в 6-й отсек и находился в 5-м. Личный состав 4-го отсека прибыл без средств индивидуальной защиты, что предопределило все его дальнейшие действия.
Второе – загерметизировать отсеки. Анализ дальнейших событий аварии показал, что в 6-м, 5-м, 3-м и 2-м отсеках этого сделано не было. Магистрали, выходящие из 7-го отсека, не отсекли до самой гибели подводной лодки. Через эти магистрали произошло задымление 2-го, 3-го и 5-го отсеков, что осложнило борьбу за живучесть. Оператором пульта главной энергетической установки не был закрыт кингстон охлаждения дейдвудного сальника. В дальнейшем через этот кингстон начал затапливаться 7-й отсек.
Справедливости ради следует сказать, что проектантом была допущена ошибка: в системе отсоса и уплотнений турбонасосов 5-го отсека не обеспечивалось перекрытие магистрали со стороны этого отсека, что могло бы осложнить борьбу за живучесть подводной лодки, если бы она проводилась. В дальнейшем эта единственная ошибка проектанта превратилась во «множество технических несовершенств в различных системах подводной лодки», которые «можно полностью отнести за счет недоработок конструкторов»[24].
Чем объяснить, что практически ни в одном отсеке не были выполнены мероприятия по их герметизации, т е. то, что должно выполняться без приказания (статья 90 и 91 РБЖ-ПЛ-82)? Трудно допустить, что личный состав был до такой степени плохо подготовлен. Скорее всего, объявление учебной аварийной тревоги в начальной стадии аварии внесло дезорганизацию в борьбу за живучесть подводной лодки.
Вместе с тем при анализе магнитофонных записей опроса личного состава и их объяснительных записок создается впечатление, что для большинства членов экипажа понятие герметизации отсека означало задраивание только переборочных дверей и переборочных захлопок вентиляции. Так, видимо, поступали на тренировках, так сделали и при фактической аварии. О том, что при пожаре необходимо закрывать клапаны на магистральных трубопроводах, мало кто знал, и поэтому эти магистрали при аварии оказались не перекрытыми.
Подводная лодка начала всплытие ходом. Пожар продолжался.
Вахтенный журнал:
«11.08 – В 7-м отсеке матрос Бухникашвили»
Что хотели сказать этой записью? Что это – констатация факта или что-то другое? Тогда как понять запись в 13 часов 25 минут: «Бухникашвили ориентировочно в 6-м отсеке»?
Между тем последствия пожара давали себя знать. Сработал межсекционный автомат, обесточивающий секцию отключаемых нагрузок главного распределительного щита № 1. Насос первого контура № 1 паропроизводящей установки автоматически перешел на малую скорость. Капитан-лейтенант Орлов, сменивший капитан-лейтенанта Дворова за пультом главной энергетической установки, перевел насос первого контура № 2 также на малую скорость. Мощность главной энергетической установки ограничена 30%. При этой мощности охлаждения дейдвудного сальника не требуется, однако капитан-лейтенант Орлов не перекрывает кингстон системы охлаждения. Капитан-лейтенанты Дворов и Волков бегут в свои отсеки. Получена команда: «Машине 150 оборотов вперед». Орлов из-за ограничения мощности выполнить команду не может. Команда: «Выжимай все, что можешь!»
Капитан-лейтенант И.С.Орлов (магнитофонная запись опроса): «Я начал увеличивать обороты сверх ограничения. До 70-80 оборотов я мог контролировать их увеличение. Потом сигнализация оборотов пропала, так как датчики оборотов находятся в 7-м отсеке. Исчезла сигнализация работы турбины. Лодка начала подрагивать. Я понял, что турбина стала набирать обороты. Сигналов срабатывания аварийной защиты турбины не было в начальный момент».
А в объяснительной записке, поданной спустя три дня, Орлов утверждал уже о том, что в момент прибытия его по аварийной тревоге на пульте главной энергетической установки отсутствовали сигнализация оборотов линии вала и сигнализация работы турбины. Как видим, и здесь проявилось давление руководства Военно-морского флота на личный состав подводной лодки.
Вахтенный журнал:
«11.10 – Вышли из Гренландского моря. Приготовлена аварийная партия из 8 человек. В 6-м плохо дышать. К… разведчиков».
Получен доклад мичмана Колотилина из 6-го отсека о том, что в нем тяжело дышать. Это означает, что пожар в 7-м отсеке продолжался, давление в отсеке от нагрева воздуха росло и горячий воздух с продуктами сгорания попадал в 6-й отсек, так как переборка между этими отсеками не загерметизирована из-за работы линии вала. Нет доклада о подаче огнегасителя в 7-й отсек. Пожара в 6-м отсеке еще нет, а капитан-лейтенант Дворов со своими людьми еще бежит к нему, чтобы занять свои места по тревоге, которая прозвучала четыре минуты назад.
Последнюю фразу расшифровать не удалось из-за не четкой записи. Однако можно установить, о чем идет речь.
Лейтенант А.В.Третьяков (магнитофонная запись опроса): «Уже в надводном положении, по-моему, командир БЧ-5 дал команду подготовить группу разведчиков для того, чтобы они вошли в 6-й отсек. Разведчиками назначил капитан-лейтенанта Волкова и капитан-лейтенанта Дворова. Кто страхующими – сейчас не помню».
Из сообщения Третьякова следует, что запись в вахтенном журнале надо понимать как приказание о подготовке группы разведчиков. Попутно узнаем, что капитан-лейтенанты Дворов и Волков не бегут «сломя голову», чтобы занять свои места по тревоге, а почему-то находятся в центральном посту.
Глубина около 150 метров – сработала аварийная защита паротурбинной установки. Подводная лодка потеряла ход.
Капитан-лейтенант И.С.Орлов (магнитофонная запись опроса): «Потом сработала A3 ГТЗА (Аварийная защита главного турбозубчатого агрегата, – Д.Р.) по снижению давления в системе регулирования. Остановились сразу два насоса масляной системы регулирования ГТЗА».
Пусковые станции этих насосов находились в 7-м отсеке.
Лейтенант Зайцев получил команду продуть среднюю группу балластных цистерн, что он и исполнил, подавая воздух в эти цистерны дважды: на глубине 150 и около 100-70 метров. В это время, по словам мичмана Каданцева, было объявлено: «Аварийная тревога! Пожар в 7-м отсеке!» Это случилось в 11 часов 12 минут. И тогда же на пульте электроэнергетической установки высветился сигнал короткого замыкания распределительного щита РЩН № 12, расположенного в 7-м отсеке.
Речь уже не идет о всплытии на глубину 50 метров. Подводная лодка всплывает в надводное положение. При этом цистерны главного балласта (ЦГБ) средней группы продуваются от перемычки воздуха высокого давления № 3, т е. так, как при нормальном всплытии. Если бы продувание осуществлялось с перемычки воздуха высокого давления № 4, то сразу же, помимо всплытия, решалась бы и другая задача – стравливания запасов воздуха с перемычки, находящейся в зоне пожара. При этом в 7-м отсеке дополнительно не нагружалась бы высоким давлением ни одна труба воздушной системы. Имеющиеся средства позволяли полностью контролировать процесс продувания цистерн главного балласта средней группы от перемычки № 4. Кроме того, был бы сэкономлен воздух высокого давления – основное средство борьбы за живучесть подводной лодки. Однако отсутствие «Руководства по боевому использованию технических средств» предопределило неправильные действия главного командного пункта.
Следует отметить, что в вахтенном журнале отсутствуют какие-либо записи о срабатывании аварийной защиты главного турбозубчатого агрегата, о коротком замыкании распределительного щита РЩН № 12, о решении всплывать в надводное положение, об аварийном продувании цистерн главного балласта средней группы.
Вахтенный журнал:
«11.13 – Остановлены масляные насосы. Давление в 6-м поднимается. Рубежи – кормовая переборка 3-го, носовая и кормовая переборка 6-го отсека».
Пожар в 7-м отсеке продолжался, давление в нем росло. В отсек поступал воздух из воздушно-пенной системы пожаротушения и, возможно, из системы воздуха среднего давления, арматура которой имеет уплотнители из резины. Продукты сгорания поступали в 6-й отсек, в котором также повысилось давление. Пожара в нем еще нет, а капитан-лейтенанты Дворов и Волков еще продолжают бежать к этому отсеку. Командир подводной лодки с запозданием в семь минут назначает рубежи обороны, в том числе и в 6-м отсеке. При этом он считает, что Дворов и Волков со своими людьми уже находятся в 6-м отсеке, иначе трудно объяснить, как мичман Колотилин в одиночку может держать рубеж обороны одновременно на двух переборках. В это время подводная лодка стремительно всплывала на поверхность.
Вахтенный журнал:
«11.14 – В 6-м закрыть ЛОХ!»
Что заставило в самый напряженный момент всплытия отдать эту команду с записью в вахтенном журнале?
Лейтенант А.В.Зайцев (магнитофонная запись опроса): «При всплытии, где-то на 50 метрах, у меня полностью отключило сигнализацию и управление 6-м и 7-м отсеками по общекорабельным системам «Молибден». Как я в этом убедился? Команда «Подать ЛОХ» так и осталась. Снять команду не удалось. Высветилось: «Неисправность линии электромагнитов» на «Молибдене» и «Резервное питание».
Недостаточное знание материальной части, что вполне объяснимо, не позволило лейтенанту правильно классифицировать неисправность по указанным в его сообщении признакам. Однозначно можно только утверждать, что вышла из строя, из-за короткого замыкания от пожара, линия «подачи телеграмм» на включение системы ЛОХ в 6-м и 7-м отсеках. Пройдет немного времени, и лейтенант Зайцев с пульта системы «Молибден» откроет клапаны на продувание кормовой группы цистерн главного балласта, расположенные в 7-м отсеке. В 11 часов 34 минуты он повторит операцию. Из этого сообщения также следует, что лейтенант уже не «смотрит в другую сторону», как он показал выше, но исполнительного значка подачи огнегасителя в 7-й отсек все равно не видит. Кроме того, полученная команда означает не что иное, как отмену команды о подаче огнегасителя в 7-й отсек. Ясны и мотивы этой команды – капитан-лейтенант Дворов получил задание по эвакуации вахтенного 7-го отсека.
Суммируя действия экипажа за время с 11 часов 12 минут по 11 часов 14 минут, можно констатировать, что в этот период главный командный пункт наконец-то начал выполнять обязательные первичные действия при возникновении пожара, предписываемые статьей 89 РБЖ-ПЛ-82: принял решение о всплытии подводной лодки в надводное положение; назначил рубежи обороны; принял решение об эвакуации личного состава из аварийного отсека. Эти действия главного командного пункта подтверждают сообщения мичмана Каданцева, лейтенанта Третьякова и капитана 3-го ранга Елманова о том, что аварийная тревога была объявлена в 11 часов 12 минут. К сожалению, эти действия командования лодки были неполными и значительно запоздали.
Вахтенный журнал:
«11.14 – Всплываем в надводное положение. Поднять «Бухту». Перископ. Продуть главный балласт. Руль вертикальный в ручное управление. Продувается главный балласт».
Настал кульминационный момент начальной стадии аварии.
Лейтенант А.В.Зайцев (объяснительная записка): «Получил приказание продуть среднюю, стал продувать на глубине 152 метра. Повторно дал воздух на 70 – 100 метрах, при всплытии ПЛ в надводное положение продул концевые группы ЦГБ. После продувания концевых групп ЦГБ крен и дифферент были равны 0°. Давление[25] в 1-й, 3-й, 4-й перемычках было около 150 – 200 кгс/см2.Давление на манометрах 6-го и 7-го отсеков через 10 минут показывало 6 кгс/см2, и оно росло; одновременно падало давление в 1-й, 3-й, 4-й перемычках… Сразу после всплытия крен и дифферент были равны 0°, но буквально через 1 – 2 минуты крен стал 4-6° на левый борт».
Капитан-лейтенант И.С.Орлов (объяснительная записка): «Затем я слышал команду командира: «Всплывать в надводное положение, продуть балласт». Лодка всплыла в надводное положение. Из 6-го отсека поступил доклад от мичмана Колотилина (подвижного вахтенного кормовых отсеков): «Поступление гидравлики на левый турбогенератор, на турбину тоже, прошу разрешения переключиться в ИДА». Затем никаких докладов больше не поступало несмотря на наши запросы».
Капитан-лейтенант Ю.Н.Парамонов (объяснительная записка): «В процессе всплытия боцман доложил, что не управляется вертикальный руль, а затем кормовые горизонтальные рули».

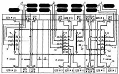
Структурная схема воздуха высокого давления (ВВД) и продувания цистерн главного балласта (ЦГБ):
подгруппы баллонов:
1 – перемычки ВВД № 1;
2 – перемычки ВВД № 2;
3 – перемычки ВВД № 3;
4 – перемычки ВВД № 4;
5 – перемычка ВВД № 1;
6 – перемычка ВВД № 2;
7 – перемычка ВВД № 3;
8 – перемычка ВВД № 4;
9 – подгрупповые клапаны ВВД;
10 – трубопровод соединения перемычек ВВД № 1 и № 2;
клапаны продувания:
11 – носовой группы ЦГБ;
12 – средней группы ЦГБ;
13 – кормовой группы ЦГБ;
14 – клапаны отключения перемычек ВВД от бортовых магистралей;
15 – бортовые клапаны продувания ЦГБ.
Что случилось в этот период? Попробуем разобраться. При продувании цистерн главного балласта воздух под высоким давлением – около 200 – 250 кгс/см2 – поступает в трубы, подходящие к каждой цистерне. При отсутствии какой-либо информации о пожаре в 7-м отсеке решение о продувании кормовой группы цистерн главного балласта было очередной серьезной ошибкой руководства подводной лодки, так как в момент продувания нагружались высоким давлением трубы, которые могли находиться в зоне пожара. Объективные данные говорят о том, что в момент начала продувания кормовых цистерн главного балласта произошел разрыв трубы аварийного продувания цистерны главного балласта № 10 левого борта, расположенной в 7-м отсеке. Практически весь воздух, предназначенный для продувания цистерны № 10, попал в 7-й отсек, что привело к перерастанию локального пожара в объемный. Давление в 7-м отсеке резко поднялось до 5 – 6 кгс/см2. Воздух с продуктами сгорания через уплотнения главного упорного подшипника и трубопровод слива масла поступил в цистерну циркуляционного масла главной машины, расположенную в 6-м отсеке.
Давление в цистерне циркуляционного масла поднялось, турбинное масло по сливным трубам пошло «обратным ходом» и струями ударило в отсек и на окружающее оборудование. До объемного пожара в 6-м отсеке оставались считанные секунды. В этот момент в центральный пост поступил последний доклад мичмана Колотилина.
На подводной лодке «Комсомолец» конструктивно не обеспечена герметизация 6-го и 7-го отсеков между собой при работающей линии вала и при аварийном давлении в 7-м отсеке. Представители ВМФ считают это конструктивным недостатком. О неправомерности такого утверждения подробно рассказано в п.2 главы «Конструктивные особенности» подводной лодки «Комсомолец». Здесь речь не об этом. Рассмотрим вариант сценария аварии подводной лодки для случая обеспечения герметизации 6-го и 7-го отсеков между собой при работающей линии вала и при аварийном давлении. Ориентировочные расчеты показывают, что после 11 часов 14 минут давление в 7-м отсеке возросло бы до 8-10 кгс/см2 и к 11 часам 20 минутам достигло бы 15-20 кгс/см2. Поперечная переборка между 6-м и 7-м отсеками, рассчитанная на давление 10 кгс/см2, была бы разрушена и пожар бы перекинулся в 6-й отсек. Не исключено, что ударной волной разрушило бы и переборку между 6-м и 5-м отсеками. Трудно предсказать, какие еще последствия вызвало бы разрушение переборки между 6-м и 7-м отсеками. Они могли быть самыми трагическими, вплоть до нарушения герметичности прочного корпуса и гибели подводной лодки еще до 12 часов. Таким образом, в обстановке невыполнения первичных мероприятий по борьбе за живучесть корабля, конструктивное необеспечение герметизации 6-го и 7-го отсеков между собой при работающей линии вала и при аварийном давлении оказалось, как это ни парадоксально, благом, которое позволило подводной лодке продержаться на плаву около шести часов.

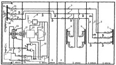
Схема поступления воздуха в аварийные отсеки:
1 – перемычка ВВД № 1;
2 – магистраль воздуха высокого давления 200 кгс/см2 (ВВД-200);
3 – магистраль воздуха забортных устройств (ВЗУ);
4 – магистраль воздуха среднего давления (ВСД);
5 – перемычка ВВД № 2;
6 – перемычка ВВД № 3;
7 – аварийные клапаны разобщения магистралей ВВД-200, ВЗУ и ВСД;
8 – узел очистки воздуха от паров масла;
9 – турбина ГТЗА;
10 – редуктор ГТЗА;
11 – переборочный сальник линии вала;
12 – узел масляной системы ГТЗА;
13 – цистерна циркуляционного масла ГТЗА;
14 – аварийные клапаны разобщения масляных трубопроводов;
15 – редукционные клапаны магистралей ВВД-200, ВЗУ и ВСД;
16 – перемычка ВВД № 4;
17 – трубопровод продувания цистерны главного балласта № 10;
18 – трубопровод подачи воздуха в отсек;
19 – упорный подшипник линии вала;
20 – цистерна аварийного сточного масла.
Рабочей группой правительственной комиссии были проведены расчеты и эксперименты по определению температурных условий, при которых могла разрушиться труба аварийного продувания цистерны главного балласта. Они показывают, что такое разрушение возможно при нагреве трубы до 650 – 700° С. Трудно себе представить, чтобы до такой температуры могла нагреться труба при пожаре в отсеке с ограниченным количеством воздуха и с нормальным содержанием в нем кислорода. Это возможно только в атмосфере с повышенным содержанием кислорода.
Капитан-лейтенант С.А.Дворов (магнитофонная запись опроса): «Проскочил 5-й и слышал, как за мной закрылась дверь. 5-й отсек был загерметизирован. Я побежал к кормовой переборке и начал открывать кремальеру между 5-м и 6-м отсеками, оттуда повалил черный клубами дым. Дверь была на защелке. Дверь закрыл и связался по громкоговорящей связи с центральным постом, тогда связь еще была».
Из этой информации следует, что Дворов доложил в центральный пост (ЦП) по громкоговорящей связи о пожаре в 6-м отсеке и о том, что он находится в 5-м отсеке. Нет оснований не верить капитан-лейтенанту. И все же… В материалах опроса личного состава правительственной комиссией, в объяснительных записках, в вахтенном и пультовом журналах, а также в последующих действиях руководства подводной лодки нет и намека на то, что доклад о пожаре в 6-м отсеке был получен.
Попытаемся по косвенным признакам установить время попытки капитан-лейтенанта Дворова проникнуть в 6-й отсек (магнитофонные записи опроса):
Капитан-лейтенант С.А.Дворов: «…связался с ЦП и сообщил, что войти в 6-й невозможно, там пожар и что делать? Из ЦП – ничего, понял, что они слышат, но передать ничего не могут. Связался по аварийному телефону. Связь была плохая, потом вышли из строя громкоговорящая связь и телефон. Послал к переборке 5-го отсека Волкова – установить связь с 4-м отсеком «перестукиванием».
Лейтенант А.В.Махота: «Я был на связи. Со стороны 5-го отсека начала открываться кремальера. Из ЦП вызывали 5-й отсек. В это время в нашем отсеке загорелась пусковая станция насоса 1-го контура, из нее бил большой сноп искр и шел сильный дым».
Из приведенных сообщений следует, что попытку открыть переборочную дверь из 5-го в 4-й отсек делал капитан-лейтенант Волков. Это было до 11 часов 21 минуты (время возгорания пусковой станции насоса 1-го контура зафиксировано в вахтенном журнале). Доклад о пожаре в 6-м отсеке получен не был, так как в 11 часов 16 минут прервалась связь, что также отмечено в вахтенном журнале. Таким образом, есть все основания предполагать, что капитан-лейтенант Дворов пытался попасть в 6-й отсек не ранее 11 часов 15 минут. В это время в 6-м отсеке действительно уже был пожар. Около десяти минут потребовалось капитан-лейтенанту Дворову, чтобы по аварийной тревоге «добежать» из центрального поста до переборочной двери в 6-й отсек.
Позднее капитан-лейтенант Дворов вынужден был подтвердить, что во время доклада мичмана Колотилина о поступлении турбинного масла в 6-й отсек (т е. после 11 часов 14 минут) он еще находился в центральном посту. В связи с этим поневоле возникают вопросы. Если аварийная тревога была подана в 11 часов 6 минут, как это записано в вахтенном журнале и как утверждают большинство оставшихся в живых членов экипажа, то как расценивать поведение капитан-лейтенанта Дворова? Почему спокойно смотрели на это нарушение военной присяги и воинского долга заместитель командира дивизии, начальник политотдела дивизии и командир подводной лодки?
К чему эти вопросы? – скажет иной читатель. Что бы изменилось от того, что вместе с мичманом Колотилиным погибли бы еще несколько человек? Давайте разберемся. Жизнь – не черновой вахтенный журнал ВМФ. Ее не перепишешь начисто. Не исключено, что своевременное прибытие капитан-лейтенанта Дворова в 6-й отсек никак не сказалось бы на развитии аварии. Однако со значительно большей вероятностью можно утверждать обратное. И вот почему. В 11 часов 6 минут объявлена аварийная тревога. Когда в центральный пост прибыл Орлов, чтобы сменить Дворова?





