- -
- 100%
- +
Рассчитаем гайку высотой Hg = 192 мм ( восемь витков ).. Nv = 8…
Расчет на срез витков гайки ( винт более прочный ).
Длина развертки восьми витков винта по наружному диаметру:
Lv = ( sqrt( ( Dn * Pii ) * ( Dn * Pii ) + ( P * P ) )) * Nv;
Lv = ( sqrt( ( 120 * Pii ) * ( 120 * Pii ) + ( 24 * 24 ) )) * 8 = 3022 мм…
Толщина витка гайки в месте среза ( для трапецеидальной резьбы ):
Hv = ( P / 2 ) + (( tg ( Ua )) * ( P / 4 ))*2;
Hv = 12 + (( tg ( 15 )) * 6)*2; Hv = 15,2154 мм
Площадь среза восьми витков:
Sv = Lv * Hv; Sv = 3022 * 15,2154 = 45980,9 кв.мм.
Напряжение среза:
Bsg = Fg / Sv; Bsg = 1000000 / 45980,9 = 21,75 H / кв.мм….
Расчет витков гайки на изгиб:
Рассчитываем как консольную балку жестко заделанную в стену.
Высота сечения витка: Hvi = 15,75 мм. ( по прорисовке )..
Длина сечения витка: Lv = 3022 мм. ( из предыдущего расчета )..
Момент сопротивления изгибу сечения:
Hvi=15,75 мм. Взято по прорисовке профиля резьбы.
Wv = Lv * Hvi * Hvi / 6; Wv = 3022 * 15,75 * 15,75 / 6;
Wv = 124940,8 куб.мм.
Плечо изгибающего момента Lp = 7 мм. ( по прорисовке )..
Изгибающий момент: Mv = Fg * Lp; Mv = 1000000 * 7; Mv = 7000000 Н*мм.
Напряжение изгиба: Bvi = Mv / Wv; Bvi = 7000000 / 124940,8; Bvi = 56,03 Н / кв.мм.
Площадь контакта витков гайки с винтом:
Svk = Nv * Pii * (( Dn *Dn ) – (( Dn – P ) * ( Dn – P ))) / 4;
Svk = 8 * Pii * ( (120 * 120 ) – (( 120 – 24 ) * ( 120 – 24 ))) / 4; Svk = 32572,03 кв.мм.
Удельное давление на виток:
Ufv = Fg / Svk; Ufv = 1000000 / 32572,03; Ufv = 30,7 H / кв.мм.
Примечание: Имеем чертежи давно и успешно работающего винтового пресса с усилием на винт 100 Тс.
Чертежи № 211 и № 609 смотри по ссылке ##
Ссылка Studenty.zip : https://disk.yandex.ru/d/orKSVHysYSMK0Q
Studenty.zip : CRC 32 = 77d05e10… Объем -= 77,916,434....
……..
Ссылка Студенту.zip : https://disk.yandex.ru/d/Rbo3M49TP3xMdg
Студенту.zip: CRC 32 = E76A2853… Объем -= 152458350…
…..
Выполняем перерасчет: Наружный диаметр винта = 135 мм. Внутр. диам. гайки = 111 мм.
Шаг ленточной резьбы = 25 мм. толщина витка 12,5 мм. Гайка имеет 12 раб.витков. Бронза.
Длина развертки двенадцати витков гайки по среднему диаметру контакта = 123мм.:
Lv = ( sqrt( ( Dn * Pii ) * ( Dn * Pii ) + ( P * P ) )) * Nv;
Lv = ( sqrt( ( 123 * Pii ) * ( 123 * Pii ) + ( 25 * 25 ) )) * 12 = 4646 мм…
Ширина пояска контакта: Lkk=( 135-111)/2.. Lkk= 12 мм.
Площадь контакта: Skk=Lv*Lkk.. Skk=4646*12.. Skk=55752 кв.мм.
Удельное давление на виток:
Всж= Fg / Skk; Всж= 1000000 / 55752; Всж= 17,94 H / кв.мм.
Как видим, на работающем прессе, напряжения взяты в расчет меньше в 1,7 раза.
Конструктивно там винт не вращается – вращается гайка с опорой на упорный шариковый подшипник.
К резьбе гайки и к опорному подшипнику подведена циркуляционная смазка.
В результате потери на трение существенно снижены.
Примечание: Параметры антифрикционной литой бронзы ГОСТ 613-79.
марки БрО5Ц5С5 – Врем.сопрот.=176,2 МПа ( 18 кгс/кв.мм.).
марки БрО10Ц2 – Врем.сопрот.=225,5 МПа ( 23 кгс/кв.мм.).
Бронза значительно мягче стали ( модуль упругости меньше ). Сталь Е=210000.. Бронза Е=100000 МПа…
Бронза хорошо прирабатывается к профилю винта, поэтому распределение нагрузки
по виткам резьбы более равномерное, чем у стальной гайки.
Смотрим таблицу допускаемых напряжений в резьбе по Д.Ф. Гуревичу..


Примечание:
Для треугольной резьбы с углом профиля 60 град… ГОСТ 9150-2002.
Hmr=0,866025403*P.. Высота треугольника построения профиля.
Ds=(Dn+Hmr/4)-Hmr.. Средний диаметр резьбы.
DVG=(Dn+Hmr/4)-(1,5*Hmr).. Отверстие гайки.
DVR=Dn-(1,22687*P).. Внутренний диаметр резьбы винта.
Hv=0,8695*P.. Расчетная высота сечения витка гайки на изгиб.
Lp=0,2706*P.. Плечо изгиб момента для витка гайки.
Hvs=0,86*P.. Расчетная высота сечения витка гайки на срез.
Для винта с трапецеидальной резьбой – с углом 30 градусов..
DVG=Dn-P.. # Отверстие гайки ГОСТ 9484-91.
Ds=(DVG+Dn)/2.. # Средний диаметр резьбы.
Расчетная высота сечения витка гайки на изгиб:
.x=tan(Ua)..
Hv=(P/2)+(((Ds-DVR)/2)*x)..
Lp=(Ds-DVR)/2.. # Плечо изгиб момента для витка гайки.
Расчетная высота сечения витка гайки на срез:
Hvs=(P/2)-(((Ds-DVR)/2)*x)..
Для винта с упорной резьбой : с углом 30 + 3 градусов ГОСТ 10177-82 :
Hmr=1,587911*P.. Высота треугольника построения профиля.
Ds=Dn-0,75*P.. Средний диаметр резьбы.
DVG=Dn-1,5*P.. Отверстие гайки.
DVR=Dn-1,7184*P.. Внутренний диаметр резьбы винта.
Hv=0,7362*P.. Расчетная высота сечения витка гайки на изгиб.
Lp=0,375*P.. Плечо изгиб момента для витка гайки.
Hvs=0,7362*P.. Расчетная высота сечения витка гайки на срез.
Справочные данные:
Коэф. полезного действия винтовой пары:
MV = tan ( Ur ) / ( tan ( Ur + Up ));
MV = tan (4,04610810 ) / ( tan ( 4,0461081 + 7,665145 ));
MV = 0,34123…
Резьбы:
Резьба метрическая ГОСТы 8724-2002; 9150-2002; 24705-2002…
Угол профиля = 60 градус… Угол Ua = 30..
…. …..
Резьба трапецеидальная ГОСТ 9484-81.
Угол профиля = 30 град. .. Угол Ua = 15..
…. ….
Резьба упорная ГОСТ 10177-82.
Угол профиля = 30 + 3 град. .. Угол Ua = 3 градуса…
…. ….
Резьба упорная усиленная ГОСТ 13535-87.
Угол профиля = 45 + 3 град. .. Угол Ua = 3 град…
……
Таблица Rv-01.
Таблица Ку – коэффициента уменьшения допускаемых напряжений в зависимости от гибкости элемента.



Напряжения плоского кривого бруса при изгибе.
Таблица Skb-01.

Нормальное напряжение в сечении на радиусе Rх :
Bн = M * ( Rx – Ro ) / ( F * c * Rx )…
Где :
М – изгибающий момент в сечении.
F – площадь сечения.
.с – смещение нейтральной оси бруса от оси центра тяжести сечения.
Rх – радиус на котором определяем напряжение.
Rо – радиус нейтрального слоя.
.c = R – Ro ;
Радиус нейтрального слоя R0 определяется :
………
Для поперечного сечения бруса в виде прямоугольника :
Ro = R * ( 1 – ((( h / R ) *( h / R )) / 12))…
Где :
R – радиус слоя проходящего по центру тяжести сечения.
.h – высота сечения.
……..
Для поперечного сечения бруса в виде круга :
R = ( Dn + Dv ) / 2 ; .c = R – Ro ;
R – радиус слоя проходящего по центру тяжести сечения.
Dn – Наружный диаметр тора.
Dv – Внутренний диаметр тора .
Радиус нейтрального слоя R0 определяется :
Ro = ( R + (sqrt(( R * R ) – ( d * d / 4 )))) / 2…
Где :
R – радиус слоя проходящего по центру тяжести сечения.
.d – диаметр сечения.
……….
Овальное звено типа ОВ1-10.
Исходные :
Радиус внутренней части тора Rвн = 70 мм.
Диаметр сечения прутка тора d = 50 мм.
Растояние между центрами L = 90 мм.
Усилие на серьгу F = 98066,5 H.
Предел прочности материала Bv = 410 МПа.
Напряжение текучести материала Bt = 270 МПа.
Расчет :

Расчет:
Сечение прутка: d = 50 мм.
S = Pii* d * d /4… S = 1963,4954 кв.мм.
Момент инерции сечения по оси Х-Х:
J = Pii* d * d * d * d /64… J = 306796,158 …
Сопротивление изгибу:
W = Pii* d * d * d /32… W = 12271,8463 куб.мм…
Напряжение на прямых участках прутка серьги:
Bp= F / ( 2*S )… Bp = 24,972 H / кв.мм.
Запас прочности от предела прочности:
K = Bv / Bp … K = 410 / 24,972 = 16,4 > [ 5 ] ..
Прочность достаточна.
Расчет криволинейного участка:
Радиус среднего слоя: Rc = 95 мм.
Максимальный момент:
Mm = F * Rc * ((L / 2 ) + Rc ) / ( L + ( Pii * Rc ))…
Mm = 98066,5 * 95 * ( 45 + 95 ) / ( 90 + ( Pii * 95 )) …
Mm = 3357652,41 Н * мм.
Предельный момент:
Mp = Bv * W…
Mp = 410 * 12271,8463 …. Mp = 5031457 Н * мм.
Запас прочности по предельному моменту:
K = Mp / Mm… K = 5031457 / 3357652,41… K = 1,4985 > [ 1,25 ]..
Прочность достаточна.
Напряжение изгиба для внутреннего ( сжатого ) волокна:
Biv = ( Mm * ( d/2 ) / J ) * ( Rc / ( Rc – ( d / 2 ))…
Biv = ( 3357652,41 * 25 / 306796,158 ) * ( 95 / ( 95 -25 )) … Biv = 371,323 H / кв.мм.
Находим коэф. Хх:
Xx = Rc /( Rc – ( d /2 ))… Xx = 95 /( 95 – 25 )… Xx = 1,35714…
По графику находим коэф. Yx = 2,221…
( Кривой брус прочней прямого бруса )…
Коэф. запаса: K = Bt * Yx / Biv … К = 270 * 2,221 / 371,32 = 1,615 > [ 1,25 ].
Прочность достаточна.
Напряжение изгиба для наружного ( растянутого внешнего) волокна:
Bin = ( Mm * ( d/2 ) * Rc / J )* ( Rc + ( d/2 ))…
Bin = ( 3357652,41 * 25 /306796,158 ) * ( 95 / ( 95 + 25))…
Bin = 216,606 H / кв.мм.
Находим коэф. Хх:
Xx = Rc /( Rc + ( d /2 ))… Xx = 95 /( 95 + 25 )… Xx = 0,79167…
По графику находим коэф. Yx = 1,2675… (Skb-02.).
Коэф. запаса: K = Bt * Yx / Bin … К = 270 * 1,2675 / 216,606 = 1,58 > [ 1,25 ]..
Прочность достаточна…
Развернутая длина звена:
Lr = ( 2 * Pii * Rc ) + ( 2 * L )… Lr = 776,9 мм.
Масса звена:
Qm = 7,85 * S * Lr / 1000000; … Qm = 11,98 кг…
График Skb-02.

Контрольный пересчет звена по РД 10-33-93.
Торообразный элемент звена ОВ1-10 .
Исходные :
Радиус внутренней части тора Rвн = 70 мм.
Диаметр сечения тора d = 50 мм.
Усилие на серьгу F = 98066,5 H.
Предел прочности материала Bv = 410 МПа.
Напряжение текучести материала Bt = 270 МПа.
Расчет :
Расчет криволинейного участка: ( смотри расчет серьги ).
Момент сопротивления Ф 50 мм.
W = 12271,846 куб.мм..
Площадь сечения S = 1963,4954 кв.мм .
Средний радиус тора R = 95 мм.
Коэф. Хx – для работы с таблицей :
Xx = R / ( R + ( Dps / 2 ))… Хx = 0,791667;
Коэф. Yx – определяем интерполяцией.
Yx = 1,35714 ; График Skb-02. Табл. Skb-03.
( Xx и Yx смотри таблицу в расчете серьги ).
Предельный изгибающий момент:
МПР = Bt * W * Yx … МПР = 4496745 Н*мм.
Максимальный изгибающий момент:
ММ = Mm = 0,318 * F * R… ММ = 2962589 Н*мм.
Коэф. запаса по изгибающему моменту.
K = МПР / Mm = 1,518 ; Достаточно прочно.
Минимальный допустимый коэф. запаса = 1,25 ;.
Исходные данные :
Прямой участок элемента звена ОВ1-10 .
Диаметр сечения = 50 мм.
Усилие на одну ветвь = 49033,25 Н.
Расчет :
Площадь сечения одной ветви S = 1963,4954 кв.мм.
Напряжение растяжения = 24,9724 МПа.
Коэф. запаса по растяжению от пред.проч. = 16,41813 ;
Минимальный допустимый коэф. запаса = 5,00 ;
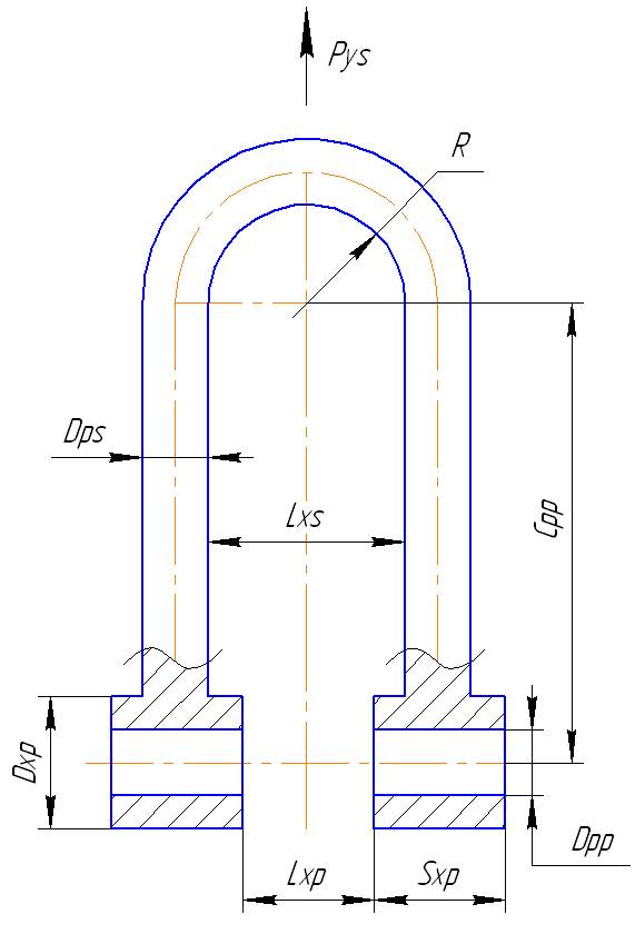
Расчет серьги.
Исходные данные:
Q = 20 kH.
Lxs= 80 мм.
Dps= 24 мм.
Lxp= 60 мм.
Dxp= 40 мм.
Dpp= 30 мм.
Sxp= 30 мм.
Cpp= 120 мм.
Металл серьги:
Сталь 20 ГОСТ 1050-88…
Вt = 240 H/кв.мм.
Bv = 410 H/кв.мм.
Металл пальца:
Сталь 45 ГОСТ 1050-88.
Вtp = 360 H/кв.мм.
Bvp = 610 H/кв.мм.

Расчет:
Сечение прутка: Dps = 24 мм.
S = Pii* Dps* Dps/4… S = 452,3893 кв.мм.
Сопротивление изгибу:
W = Pii* Dps* Dps* Dps /32… W = 1357,168 куб.мм.
Напряжение на прямых участках прутка серьги:
BR = Q / ( 2*S )… BR = 22,105 H / кв.мм.
Запас прочности от предела прочности:
K = Bv / BR … K = 410 / 22,105 = 18,5 > [ 5 ]..
Прочность достаточна.
Рассчет криволинейного участка:
Радиус среднего слоя:
Rc = ( Lxp+Dps )/ 2… Rc = 52 мм…
Коэффициент Хх:
Xx = R / ( R + ( Dps / 2 ))… Xx = 0,8125…
Таблица по графику ( для круглого сечения Таб. 02 ).
Таб. Skb-03.
..

Линейной интерполяцией находим по формуле:
Yx = (( Y2 – Y1) * ( Xx – X1 ) / ( X2 – X1 )) + Y1…
Находим: Yx = 1,303…
Предельный изгибающий момент для кривого бруса:
Mp = Bt * W * Yx … Mp = 240 * 1357,168 * 1,303…
Mp = 424413,58 Н*мм..
Максимальный изгибающий момент как для части тора:
Mm = 0,318 * Q * Rc… Mm = 0,318 * 20000 * 52 … Mm = 330720 Н*мм..
Коэффициент запаса: K = Mp / Mm… K = 1,283 > [ 1,25 ] …
Прочность достаточна…

Палец серьги на изгиб:
F = Q = 20000 H…
L = Lxp + Sxp.. L = 90 мм.
М изг = L * F / 4… М изг = 450000 Н * мм…
Сопротивление изгибу:
Wip = Pii* Dpp* Dpp* Dpp /32… Wip = 2650,719 куб.мм.
Напряжение изгиба пальца:
Bip = М изг /Wip… Bip = 169,765 Н / кв.мм.
Коэф. запаса от Bt : K = Btp / Bip… K = 360 / 169,765 …
K= 2,12 > [ 1,25 ] … Прочность достаточна…
Расчет проушины на разрыв:
Сечение разрыва:
Su = 2* Sxp * ( Dxp – Dpp ) … Su = 600 кв.мм.
Напряжение разрыва:
BRP = Q / Su … BRP = 33,33 Н / кв.мм.
Коэф. запаса прочности от Bv:
K = Bv / BRP … K = 12,3 > [ 5 ] …
Прочность достаточна..
Расчет проушины на смятие: Dpp = 30.
Ssm = 2* Dpp * Sxp… Ssm = 2 * 30 * 30…
Ssm = 1800 кв.мм.
Напряжение смятия: Bsm = Q / Ssm …
Bsm = 11,11 Н / кв.мм.
Коэф.запаса от предела текучести :
K = Bt / Bsm.. K = 21,6 …
Прочность достаточна..
Расчет клещевого захвата.
( разработка автора ).
Выбор материала.
Определение допускаемых напряжений. Смотри РД 10-33-93 Стр. 6.. ## Ссылка:
По рекомендациям пункт 2.3.3 Ударная вязкость металла деталей клещей при температуре минус 40 С. должна быть не менее 30 Дж / кв.см. По требованию заказчика проектируются клещи минимального веса. Поэтому для деталей клещей выбираем сталь 38 ХГН ГОСТ 4543-71.
с закалкой с 850 С. в масло и отпуском с 600 С. С контролем механических характеристик
после термообработки на образце – спутнике. Сталь 38 ХГН ГОСТ 4543-71 после термообработки
имеет предел текучести не менее 660 Н / кв.мм. Предел прочности не менее 950 Н / кв.мм.
и ударную вязкость при температуре минус 40 С. более 80 Дж / кв.см.
Для Стали 38 ХГН ГОСТ 4543-71 допустимое касательное напряжение не более 369 Н / кв.мм.
Для планок, по технологическим соображениям, выбираем сталь 09Г2С – ГОСТ 19281-2014.
с нормализацией. Учитывается возможность работы клещей при температуре до минус 40 С.
В общем виде клещей указываем рабочую температуру от плюс 200 до минус 40 градусов С.
Нестандартные элементы грузозахватных приспособлений рассчитываются на напряжения растяжения
и изгиба с обеспечением запасов прочности, как на грузоподъемном крюке, не менее:
При расчете рабочей части крюка – запас прочности должен быть не менее одной целой и двух десятых – от предела текучести. При расчете ветвей головки крюка с проушиной на растяжение – запас прочности должен быть не менее одной целой и пяти десятых – от предела текучести.
пункт 2.1.6.
При расчете петель стропов: Прямолинейные участки рассчитываются на растяжение -
запас прочности должен быть не менее пяти – от предела прочности. пункт 2.1.7.
Криволинейные участки ( с учетом кривизны ) – запас прочности для внутренней стороны сечения должен быть не менее одной целой и одной десятой – от предела текучести. – На внешней стороне запас прочности должен быть не менее одной целой и трех десятых – от предела прочности. пункт 2.1.7.
При расчете канатов и цепей на действие номинальной нагрузки запас прочности по отношению к разрушающей нагрузке указанной в сертификате должен быть не менее пяти.. пункт 2.1.5. Для каната запас прочности не менее шести – по отношении к разрушающей нагрузке согласно сертификата.
Коэффициент надежности удержания груза как отношение закрывающего клещи момента
к моменту размыкания под весом груза должен быть не менее одной целой и двадцати пяти сотых .
Примечание: При расчете овального звена, серьги и клещей ссылки на нормы прочности по
« Руководящие материалы РД 10 – 33 – 93 .. Москва НПО ОБТ 2000 г. ».
Геометрический расчет.
Рабочий профиль схвата клещей очерчен внутренней и внешней кривыми, построенными по координатам
из приведенной таблицы координат.
Концы схвата оканчиваются бобышками в виде дисков. Бобышки позволяют точно рассчитать положение центра тяжести захваченной круглой штанги. Точное положение центра тяжести захваченной штанги максимального диаметра обусловлено тремя точками контакта с поверхностью штанги.
Две точки обеспечивают бобышки и одна точка – на окружности центра клешней.
При захвате заготовки диаметром меньше максимального – положение заготовки зафиксировано четырьмя точками контакта с рычагами захвата, а именно: по две верхние точки на внутренней поверхности сопряжения нижней части рычага захвата и по две нижние точки контакта с бобышками на нижних концах рычагов. Все точки контакта расположены симметрично, относительно оси отвеса.
Точное положение центра тяжести штанги позволяет точно определить моменты и силы, действующие на детали клешней при захвате штанги.
Как показала практика: Износ клещевин происходит по поверхности бобышек. Поверхность бобышек навариваем износостойким покрытием с большой шероховатостью поверхности. Такая обработка позволяет надежно удерживать клещами даже квадратные заготовки. Квадратные ( прямоугольные ) заготовки имеют контакт с клещами по поверхности бобышек ( сила сжатия проходит через центр бобышек ) и это позволяет точно рассчитать усилия и моменты на деталях захвата. Практика показала, что прокат прямоугольного сечения не более наибольшего диаметра заготовки захватываемой клещами – удерживается надежно.

Исходные данные для геометрического расчета:
.d = 250мм – Наибольший диаметр заготовки захватываемой клещами.
.dc = 70 мм – Диаметр центра клещевины.
.db = 30 мм. – Диаметр бобышки.
.dp = 26 мм. – Диаметр центрального пальца.
Q = 10000 – Усилие от веса заготовки в Ньютонах.
Ur= 146 – Угол развала в градусах.
Lk = 244 мм – Длина губки схвата от центра бобышки до центра клещевины.
Конец ознакомительного фрагмента.
Текст предоставлен ООО «ЛитРес».
Прочитайте эту книгу целиком, купив полную легальную версию на ЛитРес.
Безопасно оплатить книгу можно банковской картой Visa, MasterCard, Maestro, со счета мобильного телефона, с платежного терминала, в салоне МТС или Связной, через PayPal, WebMoney, Яндекс.Деньги, QIWI Кошелек, бонусными картами или другим удобным Вам способом.




