Тюнинг автомобиля своими руками

- -
- 100%
- +
Каждый из этих критериев конструкции связан с другими, и модификация одного повлияет на то, как другие улучшат или ухудшат работу двигателя. Но, вообще говоря, увеличение подъема клапана и продолжительности его открывания или оптимизация фаз газораспределения увеличивают мощность. После небольшого увеличения типичных данных стандартного агрегата кривая мощности смещается выше в область оборотов. Когда продолжительность открывания и, в меньшей степени, подъем увеличиваются еще больше, двигатель может быть даже не способен работать на низких оборотах. «Гоночные» распредвалы с большой продолжительностью открывания часто имеют низкооборотный предел «холостого хода» 2000 об/мин или даже выше.
Распредвалы с большой продолжительностью открывания можно сделать более «гражданскими» путем изменения времени открывания и закрывания клапанов, но жертвой компромисса станет максимальная мощность. Из трех главных характеристик, регулируемых распредвалом, – продолжительности открывания клапанов, высоты подъема клапанов и фаз газораспределения – именно продолжительность открывания наиболее хорошо известна конструкторам форсированных двигателей. Это является следствием прямого влияния продолжительности открывания клапанов на мощность двигателя.
Из общих соображений можно сказать, что чем дольше удерживаются открытыми клапаны (особенно впускной клапан), тем большая максимальная мощность двигателя будет в результате получена. Если продолжительность открывания клапана увеличивается более определенной величины, дополнительная максимальная мощность будет получена ценой качества работы двигателя на низких оборотах. Для гоночных двигателей максимальная мощность является практически единственной целью, но для «обычных» автомобилей с форсированными двигателями очень важными являются приемистость и крутящий момент на низких оборотах.
Увеличение высоты подъема клапана может быть полезным вкладом в увеличение мощности, т. к. оно может добавить мощность без существенного влияния на характеристики двигателя на низких оборотах. В теории решение может показаться простым: конструкция распредвала с короткой продолжительностью открывания клапанов для увеличения максимальной мощности. Теоретически это будет работать. Однако, механизмы привода клапанов не такие простые. В этом случае высокие скорости движения клапанов существенно уменьшают надежность двигателя.
Когда продолжительность открывания клапана уменьшается, то на перемещение клапана из закрытого положения (у седла) до полного подъема и возвращения обратно остается меньше времени. Когда продолжительность становится еще короче, потребуются клапанные пружины с увеличенным усилием, и часто становится механически невозможным приводить в движение клапаны даже при относительно низких оборотах.
Таким образом, какое все-таки значение высоты максимального подъема клапана является практичным и надежным? Распредвалы с величиной подъема, большей 12,7 мм, находятся в той области, которая непрактична для обычных двигателей (как минимум для двигателей со штангами в приводе клапанов). Распредвалы с продолжительностью такта впуска менее 2850, сочетающейся с величиной подъема клапана более 12,7 мм, обеспечивают очень высокие скорости открывания и закрывания клапанов. Это создает нагрузки на механизм привода клапанов, что заметно уменьшает надежность кулачков распредвала, клапанных пружин, стержней клапанов, направляющих втулок клапанов. Хотя вал с высокими скоростями подъема клапанов может хорошо работать в начале эксплуатации, срок службы его и направляющих втулок клапанов может не превышать 20000 км. К счастью, большинство фирм-производителей распредвалов конструируют валы так, что обеспечивается хороший компромисс между значениями подъема и продолжительности открывания клапанов, при значительном сроке службы и надежности.
Наиболее подробно обсуждаемые высота подъема клапанов и продолжительность такта впуска не являются единственными характеристиками конструкции распредвала, которые влияют на выходную мощность двигателя. Моменты, в которые клапаны открываются и закрываются по отношению к положению распределительного вала, являются такими же важными параметрами для оптимизации характеристик двигателя. Эти фазы газораспределения распредвала указаны в таблице, прилагаемой к любому качественному распредвалу. Эта таблица данных числами и графически иллюстрирует угловые положения распредвала, когда впускные и выпускные клапаны открываются и закрываются. Они определяются точно в градусах поворота коленчатого вала перед (или после) ВМТ или НМТ.
Продолжительность открывания клапанов можно легко рассчитать из данных по фазам газораспределения, имеющихся в таблице. К примеру, для определения продолжительности открывания впускного клапана сложите момент открывания (в градусах перед ВМТ), момент закрывания (в градусах после НМТ) и 180° (продолжительность всего такта впуска). Если распредвал открывает впускной клапан в 27° до ВМТ и закрывает его в 63° после НМТ, то продолжительность открывания клапана будет составлять 27 + 63 + + 180 = 270°.
Теперь подробнее рассмотрим соотношения фаз газораспределения распредвала с мощностью. Предположим, что у нас есть два распредвала – валы А и В. Оба вала имеют одинаковую продолжительность открывания клапана в 270°, и они оба имеют одинаковую форму впускных и выпускных кулачков. Распредвалы такого типа обычно относят к конструкциям с «одним профилем». Однако распредвалы такого типа А и В не идентичны. Вал А имеет кулачки, расположенные так, что впускной клапан открывается за 27° до ВМТ и закрывается в 63° после НМТ, а выпускной клапан открывается за 71° до НМТ и закрывается в 19° после ВМТ. Для облегчения чтения можно представить эти данные по фазам газораспределения впускных и выпускных клапанов как 27–63 – 71–19. Вал В, соответственно, имеет фазы газораспределения 23–67 – 75–15.
Вопрос состоит в следующем: если установить эти распредвалы на наш испытываемый двигатель, как они повлияют на мощность? Ответ будет таким: вал А, вероятно, обеспечит большую мощность, но двигатель будет иметь более узкую кривую мощности и худшие характеристики в режимах холостого хода/частичного открывания дроссельной заслонки, чем вал В. Почему? Изменения в работе этих двух распредвалов, очевидно, не связаны с продолжительностью открывания клапанов или величиной их подъема: оба эти параметра остаются одинаковыми. Различия в кривых мощности являются результатом изменений в фазах газораспределения или, что более обще, в углах между центрами кулачков для каждого распредвала.
Угол между центрами кулачков является угловым смещением между центральной линией кулачка впускного клапана (часто называемого просто впускным кулачком) и центральной линией кулачка выпускного клапана (называемого выпускным кулачком).
Угол соответствующего цилиндра обычно измеряется в углах поворота распределительного вала, так как мы обсуждаем смещение кулачков относительно друг друга, которое является одним из нескольких моментов, когда характеристика распредвала указывается в градусах поворота распредвала, а не в градусах поворота коленчатого вала. Это не касается двигателей, использующих два распредвала в головке блока цилиндрoв.
Угол непосредственно влияет на перекрытие клапанов, т. е. на период, когда впускной и выпускной клапаны открыты одновременно. Перекрытие клапанов измеряется в углах поворота коленчатого вала. Когда угол между центрами кулачков уменьшается, то моменты закрывания выпускного клапана и открывания впускного клапана будут перекрываться больше.
Следует помнить, что на перекрытие клапанов также влияет изменение продолжительности открывания: когда продолжительность открывания увеличивается, перекрытие клапанов тоже увеличивается, обеспечивая отсутствие изменений угла для компенсации этих увеличений.
Тюнинг впускного тракта системы питания
Это также один из сложнейших видов реконструкции двигателя. Впускной тракт служит для подвода свежего заряда (горючей смеси или воздуха) к цилиндрам двигателя. Он включает в себя заборник атмосферного воздуха, впускные трубопроводы, воздушный фильтр, устанавливаемый в разрыв впускных трубопроводов, впускной коллектор, впускные патрубки и впускные каналы головки цилиндров. В карбюраторных двигателях перед впускным коллектором располагается карбюратор, поэтому часть впускного тракта от карбюратора до впускных клапанов оказывает существенное влияние на процесс смесеобразования и распределения горючей смеси по цилиндрам двигателя.
Почему специалистов по тюнингу интересует именно этот элемент двигателя? Дело в том, что параметры впускного тракта оказывают очень сильное влияние на характер изменения мощности и крутящего момента. За счет правильного определения размеров трубопроводов и настройки впускного тракта можно добиться значительно большего наполнения цилиндров, чем, к примеру, путем совершенствования формы изгибов трубопроводов выпускной системы. Основные требования, предъявляемые к впускному тракту, заключаются в обеспечении минимального сопротивления на впуске и равномерном распределении горючей смеси по цилиндрам двигателя.
Чтобы обеспечить минимальное сопротивление на впуске, необходимо устранить шероховатости внутренних стенок трубопроводов. Кроме того, эффект минимального сопротивления достигается также путем резких изменений направления потока и устранения внезапных сужений и расширений тракта. Поскольку гидравлические потери в проходном сечении выпускных клапанов оказывают на наполнение цилиндров значительно меньшее влияние, чем потери в проходном сечении впускных, то для увеличения коэффициента наполнения nv диаметр впускного клапана увеличивают за счет уменьшения диаметра выпускного.
Увеличить мощность двигателя можно с помощью увеличения количества впускных клапанов. В наиболее форсированных двигателях на один цилиндр делают два, а иногда даже три клапана. Однако это не означает, что проблема решается простым добавлением клапанов. Все гораздо сложнее. Выбор количества впускных клапанов в головке цилиндров делается с учетом многих факторов. Для лучшей закрутки воздушного заряда на впуске автомобильных дизельных двигателей с диаметром цилиндра менее 150 мм применяют головки цилиндров со спиральными впускными каналами и одним впускным клапаном на цилиндр. В этом случае интенсивность вращения заряда в цилиндре оказывается в 1,5 раза и более выше, чем при наличии двух впускных клапанов. Некоторым уменьшением значения nv при наличии одного впускного клапана на цилиндр при этом пренебрегают, так как воздуха для полного сгорания поданного в цилиндр топлива оказывается вполне достаточно. Форма спирали впускного канала подбирается такой, чтобы закрутка заряда обеспечивала наиболее эффективное смесеобразование.
Работникам автосервиса, выполняющим подобные работы, необходимо знать, что в процессе пуска дизельного двигателя при низких температурах окружающей среды закрутка заряда приводит к увеличению периода задержки самовоспламенения топлива, что ухудшает пусковые качества двигателя. Добиться улучшения пусковых качеств можно путем установки шибера между впускными патрубками и впускными каналами. На период пуска шибер ставится водителем в положение, при котором площадь сечения впускных каналов в головке цилиндров перекрывается примерно на 80 %. Этого оказывается достаточно для того, чтобы уменьшить вращение заряда в цилиндре и обеспечить надежный пуск дизельного двигателя (без применения прочих средств облегчения пуска) при температуре окружающей среды до -21 °C. В бензиновых двигателях, наоборот, предпочтение отдается более эффективному наполнению цилиндров, так как количество поступившей в цилиндры горючей смеси непосредственно сказывается на мощности. Более высокие значения nv достигаются при наличии двух впускных клапанов на цилиндр.
Однако решить данную проблему можно не во всех автомобилях. Уменьшение сопротивления на впуске за счет уменьшения скорости потока путем увеличения сечений трубопроводов не всегда возможно по нескольким причинам. Во-первых, при увеличении сечений трубопроводов возрастают габариты и масса двигателя; во-вторых, снижение скорости потока уменьшает турбулизацию свежего заряда при поступлении его в цилиндры, в результате чего происходит ухудшение качества смесеобразования как в бензиновых, так и в дизельных двигателях.
Впускной тракт претерпевает несколько существенных изменений. В своем пособии по тюнингу двигателей В. Н. Степанов описывает следующие изменения. На наш взгляд они имеют важное значение при увеличении мощности. Для равномерного распределения свежего заряда по цилиндрам ему придают симметричную форму. Наиболее важно это для двигателей с внешним смесеобразованием, у которых процесс смесеобразования начинается в карбюраторе. При таком смесеобразовании важно обеспечить не только равномерное наполнение цилиндров, но и одинаковый качественный состав поступающей в цилиндры смеси. По этой причине в карбюраторных двигателях впускная система должна иметь не только пространственную симметрию, но и симметрию по времени. Последнее означает, что проходящая через дроссельную заслонку порция смеси должна подходить к впускным каналам всех цилиндров за одинаковое время.
Возможные схемы расположения впускных трубопроводов показаны на рисунке 4. Схема с пространственной симметрией является наиболее распространенной. При ее использовании в цилиндры 2 и 3 поступает более обогащенная смесь, что особенно характерно при работе двигателя на частичных нагрузках. Это обусловлено тем, что при недостаточно высокой скорости воздушного потока на внутренних стенках впускного коллектора за карбюратором образуется пленка топлива. Эта пленка, особенно при низкой температуре окружающей среды, не всегда успевает испариться и достигает впускных каналов в головке цилиндров – в первую очередь тех, расстояние до которых короче.

Рис. 4. Схема впускного коллектора: а – с пространственной симметрией; б – с пространственно-временной симметрией: 1 – впускной коллектор; 2 – блок цилиндров двигателя; 3 – выпускной коллектор
Однако и в случае впускного коллектора с пространственно-временной симметрией поступающая в цилиндры двигателя горючая смесь при работе на частичных нагрузках также может существенно отличаться по составу. Причина этого явления в том, что при частичном открытии дроссельной заслонки происходит отклонение потока горючей смеси от прямолинейного движения. В результате такого отклонения наиболее обогащенная смесь поступает в те цилиндры, в сторону которых поток отклоняется. Уменьшить влияние положения дроссельной заслонки на распределение смеси по цилиндрам позволяют предварительный подогрев смеси от стенок впускного тракта и изменение направления потока топливо-воздушной смеси. Подогрев стенок ускоряет процесс испарения бензина и способствует образованию смеси более равномерного состава. Обычно подогрев стенок впускного тракта осуществляется или жидкостью системы охлаждения двигателя, или за счет теплоты выпускного коллектора, когда системы впуска и выпуска располагаются с одной стороны блока цилиндров.
Изменение направления воздушного потока для обеспечения более равномерного состава смеси на впуске в цилиндры использовалось, в частности, на четырехцилиндровых бензиновых двигателях М40, устанавливавшихся на автомобили BMW 316i и 318i до 1993 года. После воздушной заслонки воздух поступал в центральную часть впускного коллектора, расположенного над клапанными форсунками (инжекторами), откуда распределялся по цилиндрам через впускные патрубки определенной длины, изменявшими направление воздушного потока на 180°.
И все же внутреннее сопротивление и трение о стенки движущегося потока воздуха – это только один, хотя и немаловажный, аспект при рассмотрении впускного тракта. Для улучшения коэффициента наполнения nv намного важнее использовать возникающие во впускной системе волновые явления. Эти волновые явления возникают во впускных трубопроводах в результате цикличного поступления воздуха в цилиндры двигателя. Когда впускная система является общей для нескольких цилиндров, то волновые явления во впускном патрубке одного цилиндра сказываются на колебательных процессах в патрубках остальных цилиндров. И чем больше цилиндров объединяет одна впускная система, тем труднее выполнить ее настройку, в том числе и по причине ограниченности объема моторного отсека.
Конструкция эффективной впускной системы часто является результатом сложных расчетов волновой системы, которые непременно должны проверяться экспериментально. Крайне важной для характеристики мощности и крутящего момента оказывается длина впускного (волнового) трубопровода. Принципиальным при этом является то, что короткие впускные трубопроводы смещают максимум наполнения, характеризуемый коэффициентом наполнения nv, в область высоких частот вращения KB, а длинные впускные трубопроводы обеспечивают хорошее наполнение и соответственно высокий крутящий момент при низких частотах.
С учетом этого двигатели гоночных автомобилей, рассчитанные на максимальную мощность, снабжаются, как правило, относительно короткими впускными трубопроводами. Двигателям грузовых автомобилей, которые должны развивать хорошую силу тяги при низкой частоте вращения KB, требуются волновые трубопроводы большей длины. При этом длинные трубопроводы улучшают наполнение цилиндров в области низкой частоты вращения, однако при увеличении частоты вращения KB кривая мощности становится более пологой (рост мощности замедляется), а крутящий момент может значительно снизиться. Таким образом, при жестких, нерегулируемых впускных трубопроводах имеет место обычная альтернатива: или хороший крутящий момент в диапазоне низких частот вращения и пониженная номинальная мощность, или высокая номинальная мощность и уменьшенная сила тяги при низких частотах вращения КВ.
В некоторых случаях впускные волновые трубопроводы, расположенные перед впускными клапанами, берут свое начало из общего впускного коллектора, где они имеют форму направляющего патрубка. Например, V-образный 8-цилиндровый двигатель фирмы Chevrolet, подвергнутый тюнингу фирмой Marcos, имеет отдельную впускную систему для каждого блока цилиндров. Волновые трубопроводы сравнительно длинные и берут начало из соответствующих общих впускных коллекторов, расположенных над блоками цилиндров. Поступление воздуха во впускные коллекторы осуществляется по трубопроводам, заборники которых расположены по обе стороны радиатора системы охлаждения. Это позволяет улучшить наполнение цилиндров двигателя за счет скоростного напора ветра, возникающего при большой скорости движения автомобиля.
Иногда волновым впускным трубопроводам придается коническая форма (на пути от коллектора к цилиндру поперечное сечение впускного трубопровода уменьшается), благодаря чему по мере приближения воздушного потока к впускным клапанам происходит его ускорение. Такая конструкция впускного тракта реализована, в частности, у 4-цилиндрового 16-клапанного двигателя фирмы Opel (Manta 400 2.4E-4V).
Исходя из сказанного выше, в двигателях гоночных автомобилей, как правило, отказываются от взаимного влияния волновых процессов, возникающих при наполнении цилиндров, и впускной патрубок каждого цилиндра настраивают индивидуально. При этом заборник впускного трубопровода, имеющего необходимую для получения желаемой характеристики мощности длину, начинается в направляющем воздушный поток коробе, расположенном снаружи автомобиля, или же в настолько большом коллекторе, расположенном в моторном отсеке, в котором цикличность работы цилиндров не может вызвать колебаний воздушного потока. Таким образом, короткая длина впускных волновых трубопроводов гоночных двигателей свидетельствует о настройке этих двигателей на максимальную мощность.
Наглядными примерами использования подобных конструктивных решений в гоночных автомобилях являются двигатели Ford Cosworth V8 и оппозитный Ferrari 12, имеющие рабочий объем 3 л.
У двигателей легковых автомобилей в зависимости от того, сколько цилиндров объединяет один впускной коллектор, в результате наложения колебаний газа возникают различные перепады давления. Последние, в свою очередь, обусловливают существенно отличающиеся характеристики крутящего момента у различных конструкций двигателей. Например, 3-цилиндровые двигатели с общим впускным коллектором имеют очень ранний и высокий максимум крутящего момента, который при возрастании частоты вращения KB резко падает. Это указывает на то, что при низкой частоте вращения наполнение цилиндров очень хорошее, тогда как при высокой, наоборот, неудовлетворительное. 4-цилиндровые двигатели имеют более широкий диапазон частоты вращения KB, в котором сохраняется большое значение крутящего момента. Момент рано начинает расти, но достигает своего максимума большей частью уже после некоторого промежуточного пика при повышенной частоте вращения.
6-цилиндровые двигатели имеют слабый рост крутящего момента, выразительный максимум которого достигается лишь при высокой частоте вращения КВ. 5-цилиндровые двигатели по характеристике крутящего момента занимают промежуточное положение между 4- и 6-цилиндровыми двигателями.
В. Н. Степанов делает вывод, что идеальным для автомобильного двигателя был бы впускной трубопровод переменной длины, который позволяет развивать повышенную мощность при высокой частоте вращения KB (длина трубопровода минимальная) и максимальный крутящий момент в диапазоне низких и средних частот вращения (длина трубопровода увеличенная). То есть требуются впускные трубопроводы, которые имели бы оптимальную длину при любой частоте вращения KB двигателя. Тогда аналогично тромбону можно было бы вдвигать трубы одна в другую, с тем чтобы бесступенчато изменять длину волнового трубопровода от впускного клапана до впускного коллектора.
В качестве примера на рисунках 5 и 6 показаны схемы систем впуска с регулируемой длиной волновых трубопроводов для 6-цилиндровых двигателей с различным расположением цилиндров. В приведенных схемах один резонатор объединяет группу из трех цилиндров, вспышки в которых следуют равномерно через 240° ПКВ. Длина и площадь поперечного сечения впускных патрубков, берущих начало из резонаторов, обычно принимаются такими же, как и в штатной системе впуска. Для уменьшения сопротивления на впуске начальная часть впускных патрубков выполняется в форме раструба.

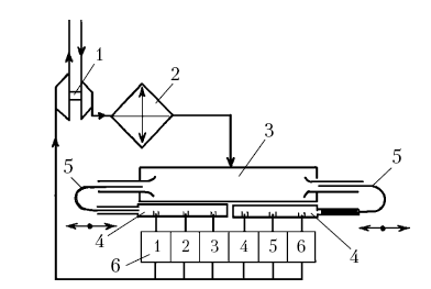
Рис. 5. Схема системы впуска одноблочного дизельного двигателя с волновым наддувом: 1 – турбокомпрессор; 2 – холодильник наддувочного воздуха; 3 – ресивер; 4 – резонатор; 5 – телескопическое колено волнового трубопровода; 6 – блок цилиндров двигателя

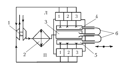
Рис. 6. Схема системы впуска двухблочного дизельного двигателя с волновым наддувом: 1 – турбокомпрессор; 2 – холодильник наддувочного воздуха; 3 – ресивер; 4 – резонатор левого (Л) блока цилиндров; 5 – резонатор правого (П) блока цилиндров; 6 – телескопические колена волновых трубопроводов
Площадь сечения резонансного трубопровода стремятся задать такой, чтобы при допустимой длине трубопровода (с точки зрения габаритных размеров) он обеспечивал приемлемые гидравлические потери. Наиболее существенное влияние на настройку волновой системы оказывают объем резонатора и длина резонансного трубопровода. При этом в зависимости от частоты настройки чувствительность системы на изменение длины резонансного трубопровода в 1,52,0 раза выше, чем на изменение объема резонатора. По этой причине целесообразно выполнить резонатор в виде части штатного впускного коллектора.
Однако в реальных эксплуатационных условиях реализовать такие постоянно регулируемые впускные системы для автомобильных двигателей достаточно трудно не только с точки зрения затрат, но и сложности исполнительного механизма, а также его срока службы. Поэтому на практике реализуются более простые системы с перепуском части наддувочного воздуха на вход турбины, а также двухступенчатые впускные трубопроводы с различной длиной или, соответственно, с неодинаковыми поперечными сечениями. Какую из этих форм впускного трубопровода выбрать – зависит не только от конструкции соответствующего двигателя, но и от количества его цилиндров. Количество цилиндров играет здесь важную роль, так как оно определяет форму волны и силу пульсаций во впускной системе.
Конец ознакомительного фрагмента.
Текст предоставлен ООО «ЛитРес».
Прочитайте эту книгу целиком, купив полную легальную версию на ЛитРес.
Безопасно оплатить книгу можно банковской картой Visa, MasterCard, Maestro, со счета мобильного телефона, с платежного терминала, в салоне МТС или Связной, через PayPal, WebMoney, Яндекс.Деньги, QIWI Кошелек, бонусными картами или другим удобным Вам способом.

